电脑桌面
添加小米粒文库到电脑桌面
安装后可以在桌面快捷访问

机动车安全技术检验项目表VIP专享VIP免费

机动车安全技术检验项目表_第1页
1/3
机动车安全技术检验项目表_第2页
2/3
机动车安全技术检验项目表_第3页
3/3
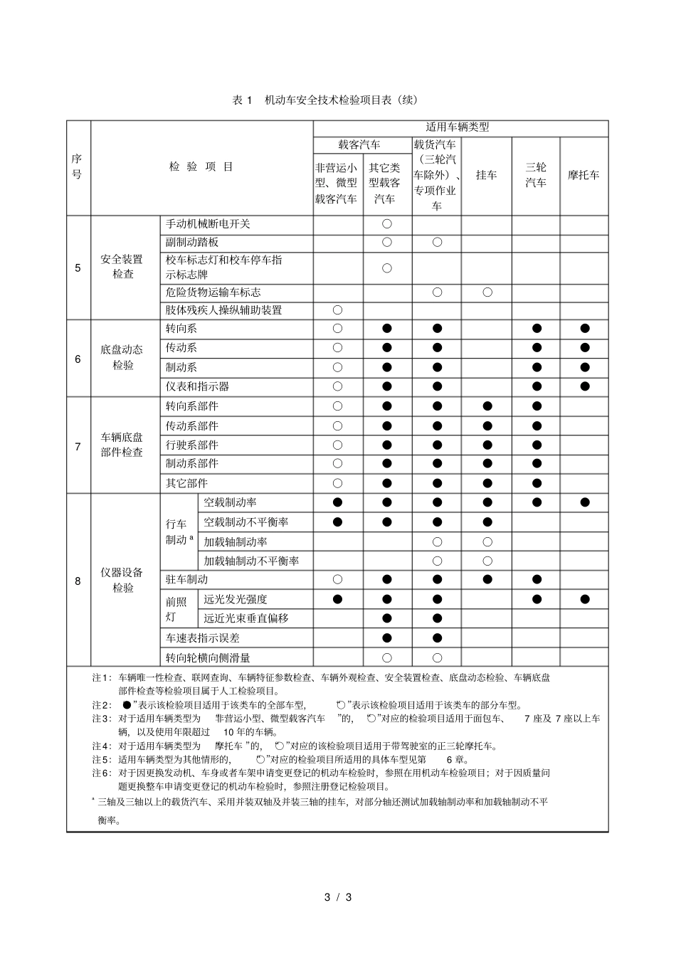
1 / 3 机动车安全技术检验项目表序号检 验 项 目适用车辆类型载客汽车载货汽车(三轮汽车除外)、专项作业车挂车三轮汽车摩托车非营运小型、微型载客汽车其它类型载客汽车1 车辆唯一性检查号牌号码 /车辆类型●●●●●●车辆品牌 /型号●●●●●●2 / 3 表 1 机动车安全技术检验项目表(续)序号检 验 项 目适用车辆类型载客汽车载货汽车(三轮汽车除外)、专项作业车挂车三轮汽车摩托车非营运小型、微型载客汽车其它类型载客汽车1 车辆唯一性检查车辆识别代号(或整车出厂编号)●●●●●●发动机号码(或电动机号码)●●●●●车辆颜色和外形●●●●●●2 联网查询●●●●●●3 车辆特征参数检查外廓尺寸○○●○○轴距●●整备质量●●●○核定载人数●●●○栏板高度○○后轴钢板弹簧片数●●客车应急出口○客车乘客通道和引道○货厢○○●4 车辆外观检查车身外观●●●●●●外观标识、标注和标牌●●●●●外部照明和信号装置●●●●●●轮胎●●●●●●号牌及号牌安装●●●●●●加装 /改装灯具●●●●5 安全装置检查汽车安全带●●●机动车用三角警告牌●●●○灭火器○○行驶记录装置○○车身反光标识●●●车辆尾部标志板○○侧后防护装置○○应急锤○急救箱○限速功能或限速装置○○防抱死制动装置○○○辅助制动装置○○盘式制动器○○紧急切断装置○○发动机舱自动灭火装置○3 / 3 表 1 机动车安全技术检验项目表(续)序号检 验 项 目适用车辆类型载客汽车载货汽车(三轮汽车除外)、专项作业车挂车三轮汽车摩托车非营运小型、微型载客汽车其它类型载客汽车5 安全装置检查手动机械断电开关○副制动踏板○○校车标志灯和校车停车指示标志牌○危险货物运输车标志○○肢体残疾人操纵辅助装置○6 底盘动态检验转向系○●●●●传动系○●●●●制动系○●●●●仪表和指示器○●●●●7 车辆底盘部件检查转向系部件○●●●●传动系部件○●●●●行驶系部件○●●●●制动系部件○●●●●其它部件○●●●●8 仪器设备检验行车制动 a空载制动率●●●●●●空载制动不平衡率●●●●加载轴制动率○○加载轴制动不平衡率○○驻车制动○●●●●前照灯远光发光强度●●●●●远近光束垂直偏移●●车速表指示误差●●转向轮横向侧滑量○○注 1:车辆唯一性检查、联网查询、车辆特征参数检查、车辆外观检查、安全装置检查、底盘动态检验、车辆底盘部件检查等检验项目属于人工检验项目。注...

1、当您付费下载文档后,您只拥有了使用权限,并不意味着购买了版权,文档只能用于自身使用,不得用于其他商业用途(如 [转卖]进行直接盈利或[编辑后售卖]进行间接盈利)。
2、本站所有内容均由合作方或网友上传,本站不对文档的完整性、权威性及其观点立场正确性做任何保证或承诺!文档内容仅供研究参考,付费前请自行鉴别。
3、如文档内容存在违规,或者侵犯商业秘密、侵犯著作权等,请点击“违规举报”。

碎片内容

机动车安全技术检验项目表

确认删除?
VIP
微信客服
  • 扫码咨询
会员Q群
  • 会员专属群点击这里加入QQ群
客服邮箱
回到顶部