电脑桌面
添加小米粒文库到电脑桌面
安装后可以在桌面快捷访问

机房巡检服务报告VIP免费

机房巡检服务报告_第1页
1/6
机房巡检服务报告_第2页
2/6
机房巡检服务报告_第3页
3/6
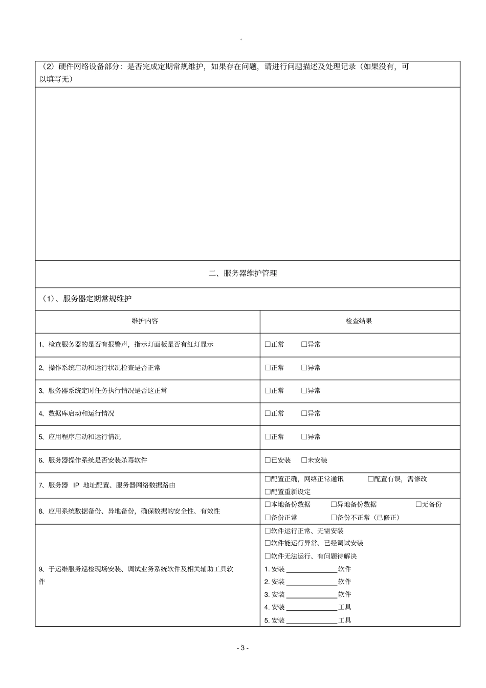
运维巡检服务报告公司 logo XX公司运维服务部年月。。- 2 - 巡检服务支持记录用户单位用户联系人用户联系人电话服务开始时间服务结束时间服务工程师一、机房设备维护管理(1)机房网络定期常规维护维护内容检查结果1.检查服务器设备电源电压是否正常□正常□电压过高□电压过低2.检查机器设备的开关、连线、插头插座等是否正常,有无错位、松动□插头无松动,连线无错位□插头、连线有松动、错位3.检查设备的各种指示灯和运行状况是否正常□设备运行正常□设备运行有异常□设备不运行4.检查设备主要性能,发现问题及时解决或通知维修部门解□设备性能优异□设备性能良好□设备性能差5.检查设备外部灰尘情况,是否需要清洁机内灰尘□机外灰尘很少,不需清洁□机外灰尘较多,需清洁6.检查是否启用内、外网络设备防火墙控制策略□已启用策略管理□未启用策略管理7.路由器、交换机,UPU、内存利用率是否正常□利用率正常□利用率偏高8.对设备进行级间连接可靠性检查,系统测试及校准。□设备间连接与系统测试均正常□设备间连接与系统测试出现异常9.各信息点接入网络情况□各信息点接入网络正常□各信息点接入网络异常10.登陆各网络设备,备份设备的配置文件□已备份□未备份11.机房环境电压:温度:备注:备注:。。- 3 - (2)硬件网络设备部分:是否完成定期常规维护,如果存在问题,请进行问题描述及处理记录(如果没有,可以填写无)二、服务器维护管理(1)、服务器定期常规维护维护内容检查结果1、检查服务器的是否有报警声,指示灯面板是否有红灯显示□正常□异常2、操作系统启动和运行状况检查是否正常□正常□异常3、服务器系统定时任务执行情况是否这正常□正常□异常4、数据库启动和运行情况□正常□异常5、应用程序启动和运行情况□正常□异常6、服务器操作系统是否安装杀毒软件□已安装□未安装7、服务器 IP 地址配置、服务器网络数据路由□配置正确,网络正常通讯□配置有误,需修改□配置重新设定8、应用系统数据备份、异地备份,确保数据的安全性、有效性□本地备份数据□异地备份数据□无备份□备份正常□备份不正常(已修正)9、于运维服务巡检现场安装、调试业务系统软件及相关辅助工具软件□软件运行正常、无需安装□软件能运行异常、已经调试安装□软件无法运行、有问题待解决1. 安装软件2. 安装软件3. 安装软件4. 安装工具5. 安装工具。。- 4 - 10、对 XX局业务用户提出的所有业务系统问题进行分析、测试、...

1、当您付费下载文档后,您只拥有了使用权限,并不意味着购买了版权,文档只能用于自身使用,不得用于其他商业用途(如 [转卖]进行直接盈利或[编辑后售卖]进行间接盈利)。
2、本站所有内容均由合作方或网友上传,本站不对文档的完整性、权威性及其观点立场正确性做任何保证或承诺!文档内容仅供研究参考,付费前请自行鉴别。
3、如文档内容存在违规,或者侵犯商业秘密、侵犯著作权等,请点击“违规举报”。

碎片内容

机房巡检服务报告

您可能关注的文档

确认删除?
VIP
微信客服
  • 扫码咨询
会员Q群
  • 会员专属群点击这里加入QQ群
客服邮箱
回到顶部