电脑桌面
添加小米粒文库到电脑桌面
安装后可以在桌面快捷访问

机械制造应用技术基础试卷及答案套VIP免费

机械制造应用技术基础试卷及答案套_第1页
1/13
机械制造应用技术基础试卷及答案套_第2页
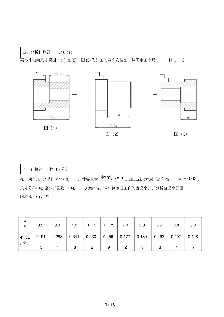
2/13
机械制造应用技术基础试卷及答案套_第3页
3/13
1 / 13 机械制造技术基础试卷1一、填空题 (每空 1 分,共 10 分)1、0 是的符号,是在面内测量的面与面的夹角。2、s 是的符号,是在面内测量的与面的夹角。3 、 通 过 主 切 削 刃 上 选 定 点 , 垂 直 于 切 削 刃 在面 内 投 影 的 平 面叫。4、在刀具寿命关系式中,m 代表的是 v 对 T 的影响程度, m 越大,影响越小,影响。5、砂轮的硬度是,工件材料硬,应选用硬度砂轮,磨削有色金属等软材料时,应选用砂轮。6、为减小加工表面的理论粗糙度,应。7 、 车 床 主 轴 轴 线 与 车 床 导 轨 在 水 平 面 内 不 平 行 , 加 工 出 的 工 件 形 状是; 在 铅 垂 面 内 不 平 行 , 加 工 出 的 工 件 形 状是。8 、 按 工 序 的 加 工 要 求 , 工 件 应 限 制 的 自 由 度 数 未 予 限 制 的 定 位 , 称为;工件的同一自由度被两个或两个以上的支承点重复限制的定位,称为。二、简答题 (每小题 4 分,共 16 分)1、YT30 、YG8 、YT5 、YG3、WI8Gr4V 是什么刀具材料?其组成成分是什么?各适合于加工哪类工件材料?在怎样的加工要求下选用?2 / 13 2、机械加工过程中的强迫震动与自激震动的区别有哪些?产生自激震动的条件是什么?3、叙述粗、精基准的选择原则,加工顺序安排原则。4、试述夹紧力的确定原则。三、分析计算题(10 分)如图所示,工作以外圆为定位表面加工键槽,Ⅴ形块夹角为ɑ 。求定位误差△dw(H1)、△dw(H2)、△ dw(H3)、△ dw(对称) . 3 / 13 四、分析计算题(10 分)某零件轴向尺寸简图(1), 图(2)、图 (3) 为加工的两次安装图。试确定工序尺寸H1 、H2 五、计算题 (共 10 分)在自动车床上车削一批小轴,尺寸要求为mm012.030。加工后尺寸属正态分布,02.0,尺寸分布中心偏小于公差带中心0.03mm。试计算该批工作的废品率,并分析废品率原因。附表 Ф (x /)x /0.5 0.8 1.0 1.5 1.75 2.0 2.3 2.5 2.8 3.0 Ф( x /)0.1915 0.2881 0.3413 0.4332 0.4599 0.4772 0.4893 0.4938 0.4974 0.4987 图(1)图(2)图(3)4 / 13 六、解答题 (共 10 分)如图所示减速器某轴结构尺寸分别为:A1=40mm ;A2=36mm ; A3=4mm ,装配后此轮端部间隙 A0 保持在 0.10-0.25mm 范围内,如选用完全互换法装配,试确定A1、 A2、A3 ...

1、当您付费下载文档后,您只拥有了使用权限,并不意味着购买了版权,文档只能用于自身使用,不得用于其他商业用途(如 [转卖]进行直接盈利或[编辑后售卖]进行间接盈利)。
2、本站所有内容均由合作方或网友上传,本站不对文档的完整性、权威性及其观点立场正确性做任何保证或承诺!文档内容仅供研究参考,付费前请自行鉴别。
3、如文档内容存在违规,或者侵犯商业秘密、侵犯著作权等,请点击“违规举报”。

碎片内容

机械制造应用技术基础试卷及答案套

您可能关注的文档

确认删除?
VIP
微信客服
  • 扫码咨询
会员Q群
  • 会员专属群点击这里加入QQ群
客服邮箱
回到顶部