电脑桌面
添加小米粒文库到电脑桌面
安装后可以在桌面快捷访问

机械制造技术基础试验报告VIP免费

机械制造技术基础试验报告_第1页
1/9
机械制造技术基础试验报告_第2页
2/9
机械制造技术基础试验报告_第3页
3/9
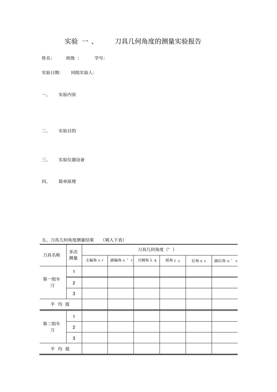
《机 械 制 造 技 术 基 础》实 验 报 告专业班级学号姓名成绩沈阳理工大学机械工程学院年月日实验 一 、刀具几何角度的测量实验报告姓名:班级 :学号:实验日期:同组实验人:一、实验内容二、实验目的三、实验仪器设备四、简单原理五、刀具几何角度测量结果(填入下表)刀具名称多次测量刀具几何角度(° )主偏角 κ r 副偏角 κ ′r 刃倾角 λ s 前角 γ0后角 α 0副后角 α ′0第一组车刀1 2 3 平 均 值第二组车刀1 2 3 平 均 值第三组车刀1 2 3 平 均 值第四组车刀1 2 3 平 均 值三、标注刀具角度根据实际测量结果的平均值,绘制其中一张刀具角度标注图。实验成绩(优良制):指导教师:日期:实验 二 、切削力测量实验报告姓名:班级 :学号:实验日期:同组实验人:1、 实验设备及主要工具名称:2、 切削力的测量:(1) 刀具几何参数刀具名称刀具几何角度(° )主偏角 κ r 副偏角 κ ′r 刃倾角 λ s 前角 γ 0后角 α 0副后角 α ′0(2) 实验条件 1:背吃刀量ap=1mm;机床转速n=200r/min ;机床型号: CM6140 进给量 f/mm 0.12 0.15 0.20 0.26 第一次测量切削力输出值 / mv 第二次测量切削力输出值 / mv平均切削力值 / ( kg )(3) 实验条件 2:进给量 fr=0.1mm ;机床转速 n=200r/min ;机床型号: CM6140 背吃刀量 ap / mm 0.5 1 1.5 2 第一次测量切削力输出值 / mv 第二次测量切削力输出值 / mv平均切削力值 / ( kg )3、 建立切削力经验公式:用实验方法来研究切削力时,先分析影响切削力的各种因素,列出以下函数关系:F=f( f 、ap、v、γ0、α0⋯⋯ ) 而后,我们逐一取各个因素为研究对象,固定其它因素不变,用测力仪测定该因素变化时切削力的变化,并找出它们之间的函数关系。我们这里仅研究背吃刀量和进给量与切削力之间的关系。其中,进给量与切削力之间为指数关系,其关系式为:FZ= C1fy 式 ( 2— 1 )两面取对数,将式(2—— 1)化为一个直线公式:lg F Z=lg C 1+y lg f (Y = Kx + B 型直线方程 ) 将实验测量得到的进给量f 与切削力FZ 间的数据点在双对数坐标图上,并近似地连成一条直线,如图2-7 所示,画此线时要特别注意,使直线穿过记录点密集的方向,各点在直线两侧相距的距离要比较均匀。从f— FZ 曲线中就可以求出系数C1 和指数 y。当 f=1 时...

1、当您付费下载文档后,您只拥有了使用权限,并不意味着购买了版权,文档只能用于自身使用,不得用于其他商业用途(如 [转卖]进行直接盈利或[编辑后售卖]进行间接盈利)。
2、本站所有内容均由合作方或网友上传,本站不对文档的完整性、权威性及其观点立场正确性做任何保证或承诺!文档内容仅供研究参考,付费前请自行鉴别。
3、如文档内容存在违规,或者侵犯商业秘密、侵犯著作权等,请点击“违规举报”。

碎片内容

机械制造技术基础试验报告

您可能关注的文档

确认删除?
VIP
微信客服
  • 扫码咨询
会员Q群
  • 会员专属群点击这里加入QQ群
客服邮箱
回到顶部