电脑桌面
添加小米粒文库到电脑桌面
安装后可以在桌面快捷访问

机械基础考卷带答案VIP免费

机械基础考卷带答案_第1页
1/5
机械基础考卷带答案_第2页
2/5
机械基础考卷带答案_第3页
3/5
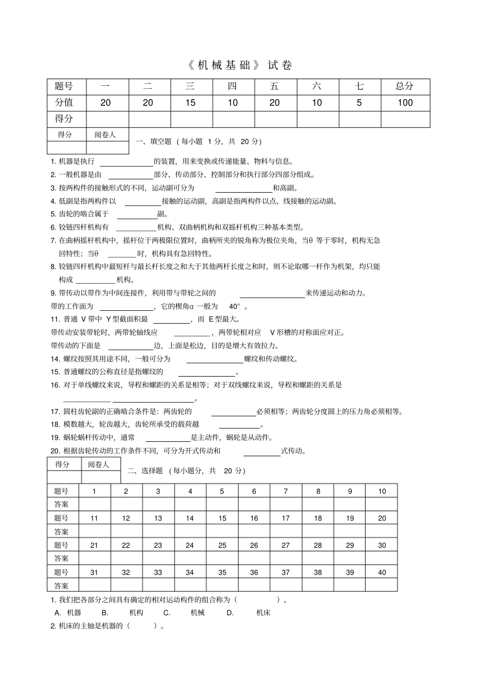
《 机 械 基 础 》 试 卷题号一二三四五六七总分分值20 20 15 10 20 10 5 100 得分得分阅卷人一、填空题 ( 每小题 1 分,共 20 分) 1. 机器是执行的装置,用来变换或传递能量、物料与信息。2. 一般机器是由部分、传动部分、控制部分和执行部分四部分组成。3. 按两构件的接触形式的不同,运动副可分为和高副。4. 低副是指两构件以接触的运动副,高副是指两构件以点、线接触的运动副。5. 齿轮的啮合属于副。6. 铰链四杆机构有__________ 机构、双曲柄机构和双摇杆机构三种基本类型。7. 在曲柄摇杆机构中,摇杆位于两极限位置时,曲柄所夹的锐角称为极位夹角,当θ 等于零时,机构无急回特性;当θ_______ 时,机构具有急回特性。8. 铰链四杆机构中最短杆与最长杆长度之和大于其他两杆长度之和时,则不论取哪一杆作为机架,均只能构成 __________ 机构。9. 带传动以带作为中间连接件,利用带与带轮之间的来传递运动和动力。带的工作面为,它的楔角α 一般为40° 。11. 普通 V 带中 Y 型截面积最,而 E 型最大。带传动安装带轮时,两带轮轴线应_________ ,两带轮相对应V 形槽的对称面应对正。带传动的下面是边,上面是松边,目的是增大有效拉力。14. 螺纹按照其用途不同,一般可分为螺纹和传动螺纹。15. 普通螺纹的公称直径是指螺纹的。16. 对于单线螺纹来说,导程和螺距的关系是相等;对于双线螺纹来说,导程和螺距的关系是____________ 。17. 圆柱齿轮副的正确啮合条件是:两齿轮的必须相等;两齿轮分度圆上的压力角必须相等。18. 模数越大,轮齿越大,齿轮所承受的载荷越。19. 蜗轮蜗杆传动中,通常是主动件,蜗轮是从动件。20. 根据齿轮传动的工作条件不同,可分为开式传动和式传动。得分阅卷人二、选择题( 每小题分,共20 分) 题号1 2 3 4 5 6 7 8 9 10 答案题号11 12 13 14 15 16 17 18 19 20 答案题号21 22 23 24 25 26 27 28 29 30 答案题号31 32 33 34 35 36 37 38 39 40 答案1. 我们把各部分之间具有确定的相对运动构件的组合称为()。 A. 机器 B.机构 C.机械 D.机床2. 机床的主轴是机器的()。 A. 动力部分 B.工作部分 C.传动部分 D.自动控制部分3. 金属的()越好,则它的锻造性能就越好。A. 强度 B.塑性 C.硬度 D.韧性4. 下列关于合力与分力的描述哪一个是正确的()。A. 合力一定大于分力B. 合力等于分力C....

1、当您付费下载文档后,您只拥有了使用权限,并不意味着购买了版权,文档只能用于自身使用,不得用于其他商业用途(如 [转卖]进行直接盈利或[编辑后售卖]进行间接盈利)。
2、本站所有内容均由合作方或网友上传,本站不对文档的完整性、权威性及其观点立场正确性做任何保证或承诺!文档内容仅供研究参考,付费前请自行鉴别。
3、如文档内容存在违规,或者侵犯商业秘密、侵犯著作权等,请点击“违规举报”。

碎片内容

机械基础考卷带答案

确认删除?
VIP
微信客服
  • 扫码咨询
会员Q群
  • 会员专属群点击这里加入QQ群
客服邮箱
回到顶部