电脑桌面
添加小米粒文库到电脑桌面
安装后可以在桌面快捷访问

机械工程测试技术课后习题及标准答案BVIP免费

机械工程测试技术课后习题及标准答案B_第1页
1/12
机械工程测试技术课后习题及标准答案B_第2页
2/12
机械工程测试技术课后习题及标准答案B_第3页
3/12
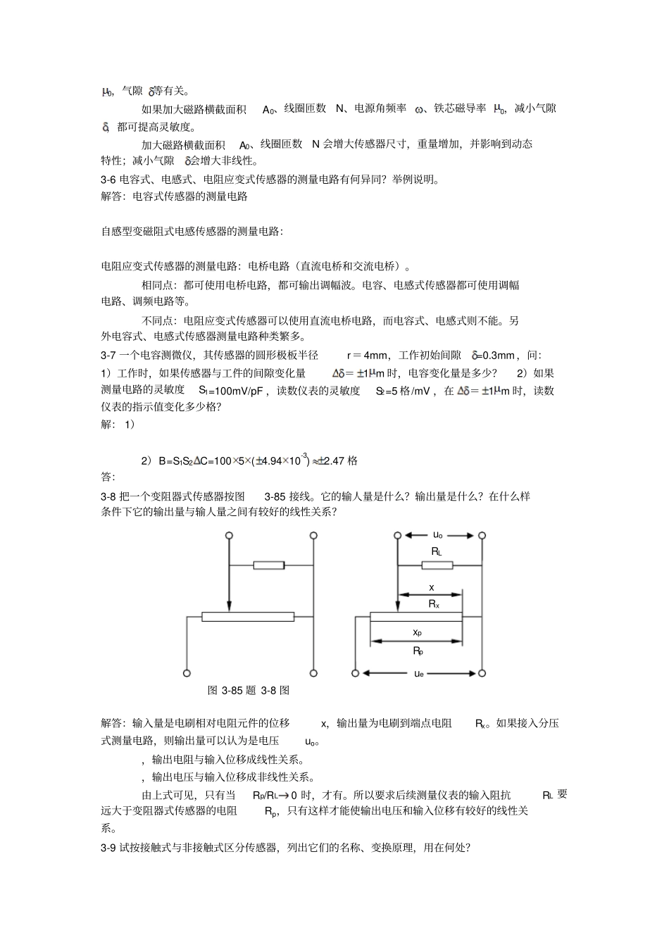
第三章 常用传感器与敏感元件3-1 在机械式传感器中,影响线性度的主要因素是什么?可举例说明。解答:主要因素是弹性敏感元件的蠕变、弹性后效等。3-2 试举出你所熟悉的五种机械式传感器,并说明它们的变换原理。解答:气压表、弹簧秤、双金属片温度传感器、液体温度传感器、毛发湿度计等。3-3 电阻丝应变片与半导体应变片在工作原理上有何区别?各有何优缺点?应如何针对具体情况来选用?解答:电阻丝应变片主要利用形变效应,而半导体应变片主要利用压阻效应。电阻丝应变片主要优点是性能稳定,现行较好;主要缺点是灵敏度低,横向效应大。半导体应变片主要优点是灵敏度高、机械滞后小、横向效应小;主要缺点是温度稳定性差、灵敏度离散度大、非线性大。选用时要根据测量精度要求、现场条件、灵敏度要求等来选择。3-4 有一电阻应变片(见图3-84),其灵敏度Sg=2,R=120。设工作时其应变为1000,问R=?设将此应变片接成如图所示的电路,试求:1)无应变时电流表示值;2)有应变时电流表示值;3)电流表指示值相对变化量;4)试分析这个变量能否从表中读出?解:根据应变效应表达式R/R=Sg 得R=Sg R=2 1000 10-6 120=0.241)I 1=1.5/R=1.5/120=0.0125A=12.5mA 2)I 2=1.5/(R+ R)=1.5/(120+0.24)0.012475A=12.475mA 3) =(I2-I1)/I 1 100%=0.2% 4)电流变化量太小,很难从电流表中读出。如果采用高灵敏度小量程的微安表,则量程不够,无法测量12.5mA 的电流;如果采用毫安表,无法分辨0.025mA 的电流变化。一般需要电桥来测量,将无应变时的灵位电流平衡掉,只取有应变时的微小输出量,并可根据需要采用放大器放大。3-5 电感传感器(自感型)的灵敏度与哪些因素有关?要提高灵敏度可采取哪些措施?采取这些措施会带来什么样后果?解答:以气隙变化式为例进行分析。又因为线圈阻抗Z=L,所以灵敏度又可写成由上式可见,灵敏度与磁路横截面积A0、线圈匝数N、电源角频率、铁芯磁导率图 3-84 题 3-4 图1.5V 0,气隙等有关。如果加大磁路横截面积A0、线圈匝数N、电源角频率、铁芯磁导率0,减小气隙,都可提高灵敏度。加大磁路横截面积A0、线圈匝数N 会增大传感器尺寸,重量增加,并影响到动态特性;减小气隙会增大非线性。3-6 电容式、电感式、电阻应变式传感器的测量电路有何异同?举例说明。解答:电容式传感器的测量电路自感型变磁阻式电感传感器的测量电路:电阻应变式传感器的测量电路:电桥电路(直流电桥和交流电桥...

1、当您付费下载文档后,您只拥有了使用权限,并不意味着购买了版权,文档只能用于自身使用,不得用于其他商业用途(如 [转卖]进行直接盈利或[编辑后售卖]进行间接盈利)。
2、本站所有内容均由合作方或网友上传,本站不对文档的完整性、权威性及其观点立场正确性做任何保证或承诺!文档内容仅供研究参考,付费前请自行鉴别。
3、如文档内容存在违规,或者侵犯商业秘密、侵犯著作权等,请点击“违规举报”。

碎片内容

机械工程测试技术课后习题及标准答案B

确认删除?
VIP
微信客服
  • 扫码咨询
会员Q群
  • 会员专属群点击这里加入QQ群
客服邮箱
回到顶部