电脑桌面
添加小米粒文库到电脑桌面
安装后可以在桌面快捷访问

施工便道技术交底VIP免费

施工便道技术交底_第1页
1/15
施工便道技术交底_第2页
2/15
施工便道技术交底_第3页
3/15
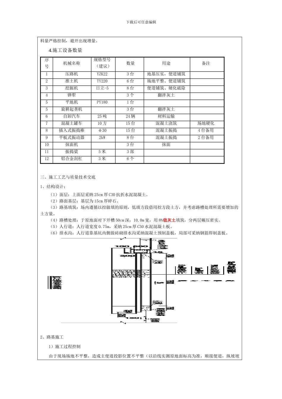
下载后可任意编辑施工技术交底记录津市政 C1-6工程名称津秦客专滨海站市政配套地下空间施工单位中建六局有限公司桥梁公司分部分项工程名称施工主便道路基及路面交底日期2024 年 7 月 7 日交底内容:一、编制说明1 基本概况津秦客专滨海站交通枢纽配套市政地下空间工程,包含南广场地下停车库及公共换乘空间和轨道交通地下结构预留空间。配套市政地下空间工程总建筑面积约 192000㎡,其中南广场地下停车库及公共换乘空间建筑面积约 114400㎡,轨道交通地下结构预留空间约 77600㎡。南广场地下停车库及公共换乘空间工程主体为地下一层车库及换乘空间,局部设置夹层开发及停车空间,北接国铁 B 轴,向南至市政Ⅰ-A 轴,位于轨道交通两侧以及上方除设备用房范围的部分区域。结构东西长 393m,南北宽 196.5m。轨道交通地下结构预留空间首期开工部分Ⅰ区南北长 252m,东西宽 73.4m,风道处局部宽 226m。2 施工范围本工程涉及的范围是津秦客专滨海站交通枢纽配套市政地下空间工程的首期开工部分。本工程形成畅通的交通线路,为工程施工管理服务。施工现场临建设施作为为整个工程施工服务的关键部分,其范围囊括到施工现场的每一个角落,各临建设施根据现场临建布置散布在施工场地内。二、总体要求1.质量:本工程参照《公路路基施工技术法律规范》、《公路水泥混凝土路面施工技术法律规范》、《公路工程质量检验评定标准》等的要求进行施工检验;1)施工队必须配备相关测量、试验专职人员各一名;2)配备测量仪器全站仪、水准仪,试验检测设备达到可环刀法测压实度、贝克曼梁法测弯沉条件;素土、8%石灰土标准击实及水泥混凝土路面混凝土强度、抗折强度试验,由施工队负责外委;3)路基要求,零填挖段及挖方段, 50cm 开槽处理,分两层填筑 8%石灰土,压实度要求分别为92%、94%,填方段及回填沟渠段落路基分层压实,路床压实度要求 92%以上,石灰土层压实度要求 94%以上。最终要求石灰土层弯沉值小于 280(1/100mm),方可进行基层与面层施工。2.安全:本工程要认真做好各项安全检查和安全准备工作,严格根据安全技术交底执行各项操作(具体见《安全技术交底》),确保本工程无一人员死亡、重伤事故及机械事故。 3.路线与纵断设置说明:1)本工程为施工便道,以规划方案为总体原则。现场若必要可进行路线及纵断的调整,但要做好记录;2)现场路基施工做好同项目部、监理单位、业主单位、第三方测量及咨询单位的工程量签认工作,...

1、当您付费下载文档后,您只拥有了使用权限,并不意味着购买了版权,文档只能用于自身使用,不得用于其他商业用途(如 [转卖]进行直接盈利或[编辑后售卖]进行间接盈利)。
2、本站所有内容均由合作方或网友上传,本站不对文档的完整性、权威性及其观点立场正确性做任何保证或承诺!文档内容仅供研究参考,付费前请自行鉴别。
3、如文档内容存在违规,或者侵犯商业秘密、侵犯著作权等,请点击“违规举报”。

碎片内容

施工便道技术交底

确认删除?
VIP
微信客服
  • 扫码咨询
会员Q群
  • 会员专属群点击这里加入QQ群
客服邮箱
回到顶部