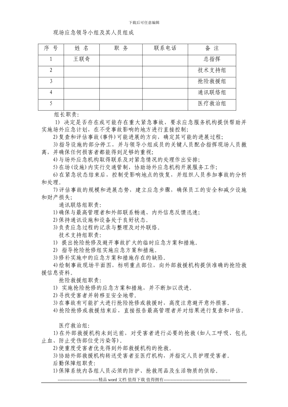
电脑桌面
添加小米粒文库到电脑桌面
安装后可以在桌面快捷访问

施工升降机使用应急救援预案VIP免费

施工升降机使用应急救援预案_第1页
1/5
施工升降机使用应急救援预案_第2页
2/5
施工升降机使用应急救援预案_第3页
3/5
下载后可任意编辑施工升降机使用应急预案一、应急预案的方针与原则 为了更好地适应法律和经济活动的要求;给企业员工的工作和施工场区周围居民提供更好更安全的环境;保证各种应急资源处于良好的备战状态;指导应急行动按计划有序地进行;防止因应急行动组织不力或现场救援工作的无序和混乱而延误事故的应急救援;有效地避开或降低人员伤亡和财产损失;帮助实现应急行动的快速、有序、高效;充分体现应急救援的“应急精神”。坚持“安全第一,预防为主”、“保护人员安全优先,保护环境优先”的方针,贯彻“常备不懈、统一指挥、高效协调、持续改进”的原则。二、应急策划(一)工程概况正定新区回迁安置区三里屯社区六区后续工程施工一标段1#楼,建筑面积23134.72㎡,,层高2.9m,地上18层,地下2层,建筑总高度为54m,计划安装高度为60m。根据现场情况决定在1#楼安装一台施工升降机,规格型号为SC200/200。(二)应急预案工作流程根据本工程的特点及施工工艺的实际情况,仔细的组织了对危险源和环境因素的识别和评价,特制定本项目发生紧急情况或事故的应急措施,开展应急知识教育和应急演练,提高现场操作人员应急能力,减少突发事件造成的损害和不良环境影响。(三)突发事件风险分析和预防1、为确保正常施工,预防突发事件以及某些预想不到的、不可抗拒的事件发生,事前有充足的技术措施准备、抢险物资的储备,最大程度地减少人员伤亡、国家财产和经济损失,必须进行风险分析和实行有效的预防措施。 2、施工人货梯安装、拆除及运行的安全技术要求: 2.1 施工人货梯的基础,必须严格根据图纸和说明书进行。施工人货梯安装前,应对基础进行检验,符合要求后,方可进行施工人货梯的安装。 2.2 安装及拆卸作业前,必须仔细讨论作业方案,严格根据架设程序分工负责,统一指挥。 2.3 安装施工人货梯必须保证安装过程中各种状态下的稳定性,必须使用专用螺栓,不得随意代用。 ----------------------------精品 word 文档 值得下载 值得拥有----------------------------------------------下载后可任意编辑 2.4 施工人货梯附墙杆件的布置和间隔,应符合说明书的规定。当架体与建筑物水平距离大于说明书规定时,应验算附着杆的稳定性,或重新设计、制作。在施工人货梯未拆卸至允许悬臂高度前,严禁拆卸附墙杆件。 2.5 施工人货梯必须根据现行国家标准《施工人货梯安全规程》GB5144及说明书规定,安装起重力矩限制器、起重量限制器等...

1、当您付费下载文档后,您只拥有了使用权限,并不意味着购买了版权,文档只能用于自身使用,不得用于其他商业用途(如 [转卖]进行直接盈利或[编辑后售卖]进行间接盈利)。
2、本站所有内容均由合作方或网友上传,本站不对文档的完整性、权威性及其观点立场正确性做任何保证或承诺!文档内容仅供研究参考,付费前请自行鉴别。
3、如文档内容存在违规,或者侵犯商业秘密、侵犯著作权等,请点击“违规举报”。

碎片内容

施工升降机使用应急救援预案

您可能关注的文档

确认删除?
VIP
微信客服
  • 扫码咨询
会员Q群
  • 会员专属群点击这里加入QQ群
客服邮箱
回到顶部