电脑桌面
添加小米粒文库到电脑桌面
安装后可以在桌面快捷访问

施工升降机安装验收记录VIP免费

施工升降机安装验收记录_第1页
1/4
施工升降机安装验收记录_第2页
2/4
施工升降机安装验收记录_第3页
3/4
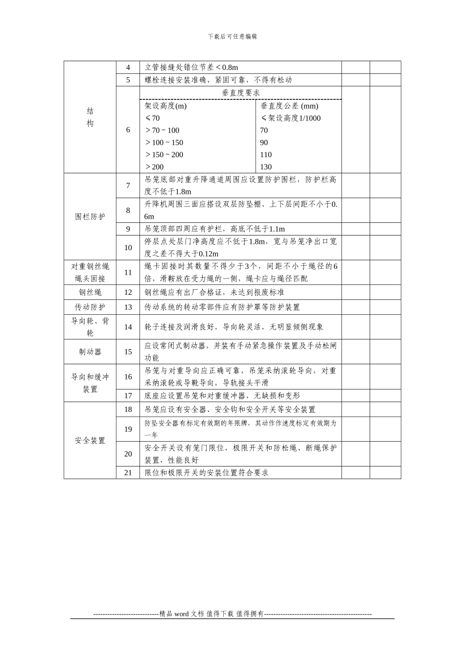
下载后可任意编辑附件7施工升降机安装验收记录 规格型号 工程名称 安装单位 使用单位 产权单位 施工单位 监理单位 河 北 省 住 房 和 城 乡 建 设 厅 制 施工升降机安装验收记录档案编号: 年 月 日使用单位设备产权单位安装单位工程名称注册登记编号使用登记编号用户设备编号规格型号安装高度 m最大载重量t验收部位序号验收要求结果结论基础1基础隐蔽工程验收资料齐全,并签字2应有排水设施,基础无裂纹,平整度符合要求钢3不应有明显变形,脱焊和开裂,外形干净、油漆不漏----------------------------精品 word 文档 值得下载 值得拥有----------------------------------------------下载后可任意编辑结构4立管接缝处错位节差<0.8m5螺栓连接安装准确、紧固可靠,不得有松动6垂直度要求架设高度(m)≤70>70~100>100~150>150~200>200垂直度公差 (mm)≤架设高度1/10007090110130围栏防护7吊笼底部对重升降通道周围应设置防护围栏,防护栏高度不低于1.8m8升降机周围三面应搭设双层防坠棚、上下层间距不小于0.6m9吊笼顶部四周应有护栏,高底不低于1.1m10停层点处层门净高度应不低于1.8m,宽与吊笼净出口宽度之差不得大于0.12m对重钢丝绳绳头固接11绳卡固接时其数量不得少于3个,间距不小于绳径的6倍,滑鞍放在受力绳的一侧,绳卡应与绳径匹配钢丝绳12钢丝绳应有出厂合格证,未达到报废标准传动防护13传动系统的转动零部件应有防护罩等防护装置导向轮、背轮14轮子连接及润滑良好,导向轮灵活,无明显倾侧现象制动器15应设常闭式制动器,并装有手动紧急操作装置及手动松闸功能导向和缓冲装置16吊笼与对重导向应正确可靠,吊笼采纳滚轮导向,对重采纳滚轮或导靴导向,导轨接头平滑17底座应设置吊笼和对重缓冲器,无缺损和变形安全装置18吊笼应设有安全器、安全钩和安全开关等安全装置19防坠安全器有标定有效期的年限牌,其动作作速度标定有效期为一年20安全开关设有笼门限位,极限开关和防松绳、断绳保护装置,性能良好21限位和极限开关的安装位置符合要求----------------------------精品 word 文档 值得下载 值得拥有----------------------------------------------下载后可任意编辑 续附件 7验收部位序号验收要求结果结论电气22电气装置应防护良好,金属机构及电机等外壳均应接地,接地电阻不大于4Ω,并设置二组漏电保护23电路应设有断相、错相保护装置及过载保护器24电路应设总接触器、断路、失压、...

1、当您付费下载文档后,您只拥有了使用权限,并不意味着购买了版权,文档只能用于自身使用,不得用于其他商业用途(如 [转卖]进行直接盈利或[编辑后售卖]进行间接盈利)。
2、本站所有内容均由合作方或网友上传,本站不对文档的完整性、权威性及其观点立场正确性做任何保证或承诺!文档内容仅供研究参考,付费前请自行鉴别。
3、如文档内容存在违规,或者侵犯商业秘密、侵犯著作权等,请点击“违规举报”。

碎片内容

施工升降机安装验收记录

确认删除?
VIP
微信客服
  • 扫码咨询
会员Q群
  • 会员专属群点击这里加入QQ群
客服邮箱
回到顶部