电脑桌面
添加小米粒文库到电脑桌面
安装后可以在桌面快捷访问

施工方案审批程序VIP免费

施工方案审批程序_第1页
1/9
施工方案审批程序_第2页
2/9
施工方案审批程序_第3页
3/9
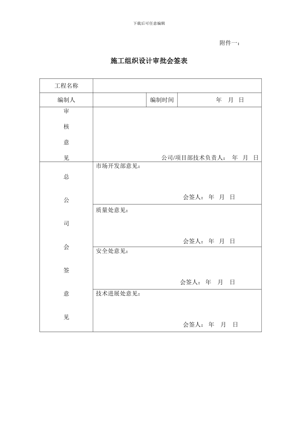
下载后可任意编辑施工组织设计、施工方案审批程序1、 施工组织设计、施工方案由项目负责人主持编制,封面有编制、审核、批准人三方签字,技术处盖章。2、 施工组织设计编制后,分公司技术经理或直属项目部技术负责人审核,送总公司相关处室会签(附件一),同意后总工程师批准。封面及审批表(省资料 TJ1.4 表)中审核意见栏签分公司技术负责人或直属项目部技术负责人及总公司技术处审核人员名字。3、 施工方案编制后,分公司技术经理或直属项目部技术负责人审核盖章后总工程师批准。4、 危险性较大的分部分项专项方案(内容见附件二、附件三),编制内容统一为:(1)工程概况:危险性较大的分部分项工程概况、施工平面布置、施工要求和技术保证条件。(2)编制依据:相关法律、法规、法律规范性文件、标准、法律规范及图纸(国标图集)、施工组织设计等。(3)施工计划:包括施工进度计划、材料与设备计划。(4)施工工艺技术:技术参数、工艺流程、施工方法、检查验收等。(5)施工安全保证措施:组织保障、技术措施、应急预案、监测监控等。(6)劳动力计划:专职安全生产管理人员、特种作业人员等。(7)计算书及相关图纸。专项方案编制完整由分公司技术经理或直属项目部技术负责人审核符合要求,送总公司技术、安全、质量处审核,在审批表(省资料 TJ1.4 表)审核意见栏签署意见,经审核合格的,总工程师签字。附录二方案不需要专家论证;附录三方案需专家论证(常州地区深基坑支护设计方案需由业主送审图中心审核可行后才能编制专项方案)。5、 实行施工总承包的专项方案,应当由总承包单位总工程师及相关专业承建单位技术负责人签字。专家论证会由总承包单位组织召开。参加专家论证的人员见附件四。施工单位根据专家论证意见修改完善专项方案,并经施工单位总工程师、项目总监理工程师、建设单位项目负责人签字后,方可组织施下载后可任意编辑工(总承包的工程同时也应有专业承包单位技术负责人签字)。6、 由专业单位施工的分部(分项)工程或专项工程(在中标通知书、合同范围内)的施工方案,应由专业承包单位技术负责人或技术负责人授权的技术人员审批,再由分包单位报方案,项目部技术负责人审核盖章后,送总公司质量处审核登记(提供分包单位资质、分包合同、安全协议、必要时人员上岗证等资料),对于外墙保温、门窗、幕墙等易渗漏的作业,若是甲方直接分包的需甲方提供承诺给我公司。对于危险性较大的临时用电方案,非龙...

1、当您付费下载文档后,您只拥有了使用权限,并不意味着购买了版权,文档只能用于自身使用,不得用于其他商业用途(如 [转卖]进行直接盈利或[编辑后售卖]进行间接盈利)。
2、本站所有内容均由合作方或网友上传,本站不对文档的完整性、权威性及其观点立场正确性做任何保证或承诺!文档内容仅供研究参考,付费前请自行鉴别。
3、如文档内容存在违规,或者侵犯商业秘密、侵犯著作权等,请点击“违规举报”。

碎片内容

施工方案审批程序

确认删除?
VIP
微信客服
  • 扫码咨询
会员Q群
  • 会员专属群点击这里加入QQ群
客服邮箱
回到顶部