电脑桌面
添加小米粒文库到电脑桌面
安装后可以在桌面快捷访问

施工现场临时用电验收记录VIP免费

施工现场临时用电验收记录_第1页
1/3
施工现场临时用电验收记录_第2页
2/3
施工现场临时用电验收记录_第3页
3/3
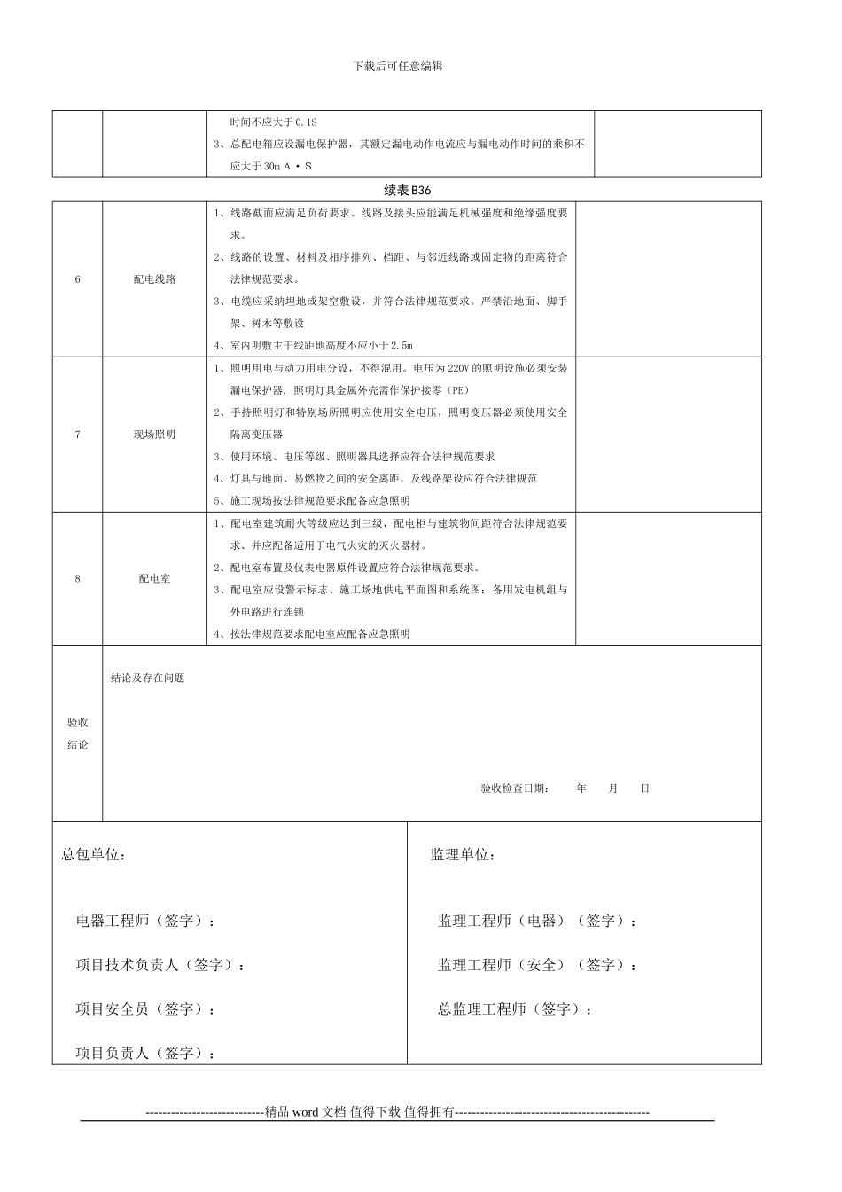
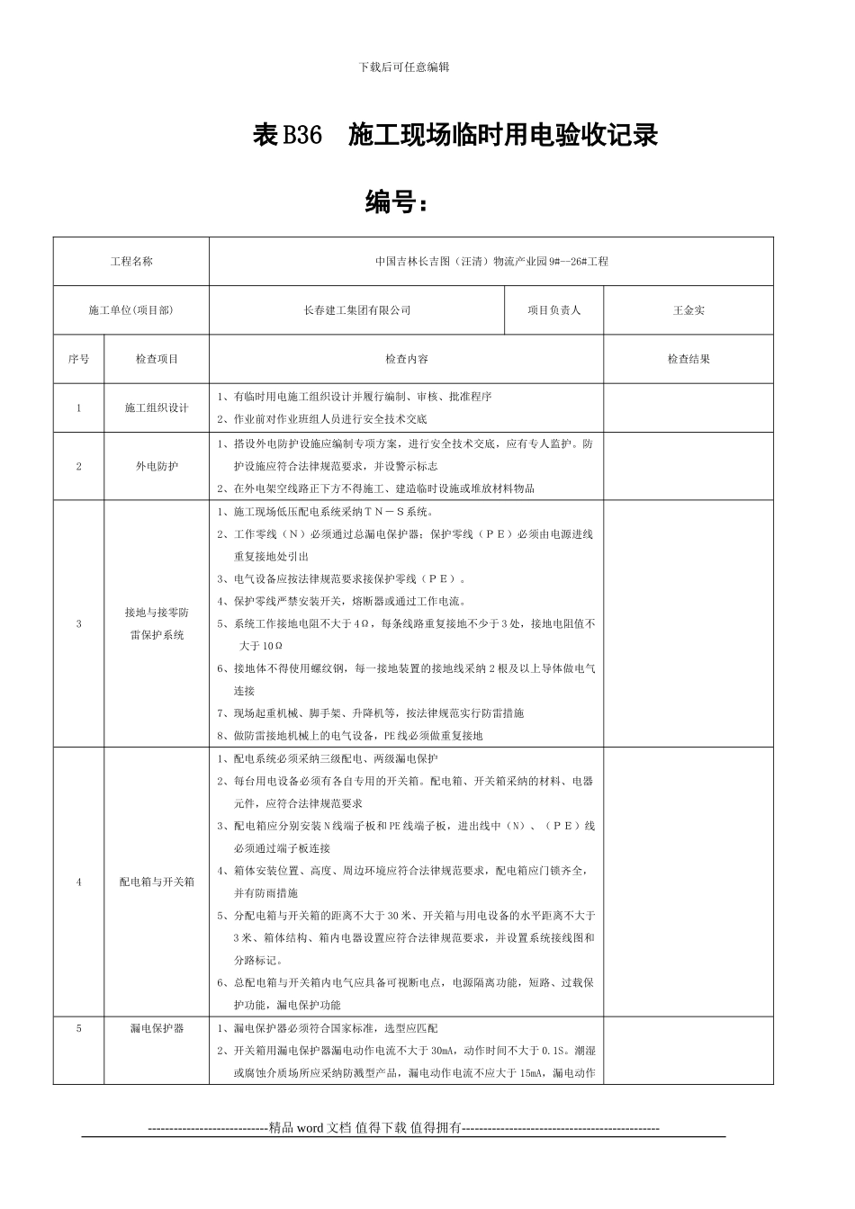
下载后可任意编辑 表 B36 施工现场临时用电验收记录 编号:工程名称中国吉林长吉图(汪清)物流产业园 9#--26#工程施工单位(项目部)长春建工集团有限公司项目负责人王金实序号检查项目检查内容检查结果1施工组织设计1、有临时用电施工组织设计并履行编制、审核、批准程序2、作业前对作业班组人员进行安全技术交底2外电防护1、搭设外电防护设施应编制专项方案,进行安全技术交底,应有专人监护。防护设施应符合法律规范要求,并设警示标志2、在外电架空线路正下方不得施工、建造临时设施或堆放材料物品3接地与接零防雷保护系统1、施工现场低压配电系统采纳TN-S系统。2、工作零线(N)必须通过总漏电保护器;保护零线(PE)必须由电源进线重复接地处引出3、电气设备应按法律规范要求接保护零线(PE)。4、保护零线严禁安装开关,熔断器或通过工作电流。5、系统工作接地电阻不大于 4Ω,每条线路重复接地不少于 3 处,接地电阻值不大于 10Ω6、接地体不得使用螺纹钢,每一接地装置的接地线采纳 2 根及以上导体做电气连接7、现场起重机械、脚手架、升降机等,按法律规范实行防雷措施8、做防雷接地机械上的电气设备,PE 线必须做重复接地4配电箱与开关箱1、配电系统必须采纳三级配电、两级漏电保护2、每台用电设备必须有各自专用的开关箱。配电箱、开关箱采纳的材料、电器元件,应符合法律规范要求3、配电箱应分别安装 N 线端子板和 PE 线端子板,进出线中(N)、(PE)线必须通过端子板连接4、箱体安装位置、高度、周边环境应符合法律规范要求,配电箱应门锁齐全,并有防雨措施5、分配电箱与开关箱的距离不大于 30 米、开关箱与用电设备的水平距离不大于3 米、箱体结构、箱内电器设置应符合法律规范要求,并设置系统接线图和分路标记。6、总配电箱与开关箱内电气应具备可视断电点,电源隔离功能,短路、过载保护功能,漏电保护功能5漏电保护器1、漏电保护器必须符合国家标准,选型应匹配2、开关箱用漏电保护器漏电动作电流不大于 30mA,动作时间不大于 0.1S。潮湿或腐蚀介质场所应采纳防溅型产品,漏电动作电流不应大于 15mA,漏电动作----------------------------精品 word 文档 值得下载 值得拥有----------------------------------------------下载后可任意编辑时间不应大于 0.1S3、总配电箱应设漏电保护器,其额定漏电动作电流应与漏电动作时间的乘积不应大于 30m A·S续表 B366配电线路1、线路截面...

1、当您付费下载文档后,您只拥有了使用权限,并不意味着购买了版权,文档只能用于自身使用,不得用于其他商业用途(如 [转卖]进行直接盈利或[编辑后售卖]进行间接盈利)。
2、本站所有内容均由合作方或网友上传,本站不对文档的完整性、权威性及其观点立场正确性做任何保证或承诺!文档内容仅供研究参考,付费前请自行鉴别。
3、如文档内容存在违规,或者侵犯商业秘密、侵犯著作权等,请点击“违规举报”。

碎片内容

施工现场临时用电验收记录

您可能关注的文档

确认删除?
VIP
微信客服
  • 扫码咨询
会员Q群
  • 会员专属群点击这里加入QQ群
客服邮箱
回到顶部