电脑桌面
添加小米粒文库到电脑桌面
安装后可以在桌面快捷访问

施工现场安全事故应急救援预案()VIP免费

施工现场安全事故应急救援预案()_第1页
1/11
施工现场安全事故应急救援预案()_第2页
2/11
施工现场安全事故应急救援预案()_第3页
3/11
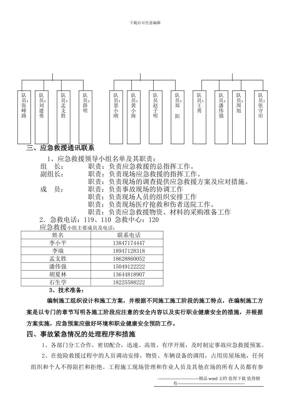
下载后可任意编辑应急救援预案工程名称:山水文园住宅小区工程建设单位:呼和浩特市正源房地产开发有限责任公司施工单位:内蒙古昭华建筑工程集团有限责任公司编制: 李 瑞 审核: 孟支胜 批准: 李小平 编制时间:2024 年 6 月 15 日----------------------------精品 word 文档 值得下载 值得拥有----------------------------------------------下载后可任意编辑应急救援预案 为了减少建设工程安全事故中的人员伤亡和财产损失,严格执行《中华人民共和国安全生产管理条例》和《安全生产法》。在加强施工安全监督管理,坚持安全第一,预防为主的方针,针对项目部的安全生产环境施工作业,建立安全事故的应急救援预案制度。 一、《预案》范围本《预案》是指在我项目施工辖区内,可能发生的造成人员伤亡的事故包括: 1、触电事故应急预案; 2、防暑应急预案; 3、高空坠落及物体打击应急预案;4、火灾应急预案;5、机械损害应急预案;6、防洪、泥石流、地质灾害应急预案;7、边坡失稳、基坑支护坍塌应急预案;二、安全事故应急救援组织机构图1、安全事故应急救援组织机构框架图如下: ----------------------------精品 word 文档 值得下载 值得拥有----------------------------------------------副组长:李瑞 队长: 胡夏林组长:李小平队长 :赵福在队长:王林霞 副组长:石生学下载后可任意编辑 三、应急救援通讯联系 1、应急救援领导小组名单及其职责:组 长: 职责:负责应急救援的总指挥工作。副组长: 职责:负责现场应急救援的指挥工作。 职责:负责现场的调查提供应急救援方案及应对措施。成 员: 职责:负责事故现场的协调工作职责:负责现场人员的组织安排工作职责:负责现场医疗抢救和伤者送院工作。 职责:负责应急救援物资、材料的采购准备工作2.急救电话:119、110 急救中心:120应急救援小组主要成员及电话:姓名联系电话李小平13847174447李瑞18947128318孟支胜18628860052潘伟强15049122222胡夏林13644818907石生学182255882223、技术准备: 编制施工组织设计和施工方案,并根据不同施工施工阶段的施工特点,在编制施工方案是以专门的章节写明各施工阶段应注意的安全内容以及实行职业健康安全的措施,并根据方案实施,应急预案应做好环境和职业健康安全预防工作。四、事故紧急情况的处理程序和措施1、各部门分工合作,密切配合,迅速、高效、有序开展,及时制定事故应急救援预案。2...

1、当您付费下载文档后,您只拥有了使用权限,并不意味着购买了版权,文档只能用于自身使用,不得用于其他商业用途(如 [转卖]进行直接盈利或[编辑后售卖]进行间接盈利)。
2、本站所有内容均由合作方或网友上传,本站不对文档的完整性、权威性及其观点立场正确性做任何保证或承诺!文档内容仅供研究参考,付费前请自行鉴别。
3、如文档内容存在违规,或者侵犯商业秘密、侵犯著作权等,请点击“违规举报”。

碎片内容

施工现场安全事故应急救援预案()

您可能关注的文档

确认删除?
VIP
微信客服
  • 扫码咨询
会员Q群
  • 会员专属群点击这里加入QQ群
客服邮箱
回到顶部