电脑桌面
添加小米粒文库到电脑桌面
安装后可以在桌面快捷访问

施工现场质量管理VIP免费

施工现场质量管理_第1页
1/21
施工现场质量管理_第2页
2/21
施工现场质量管理_第3页
3/21
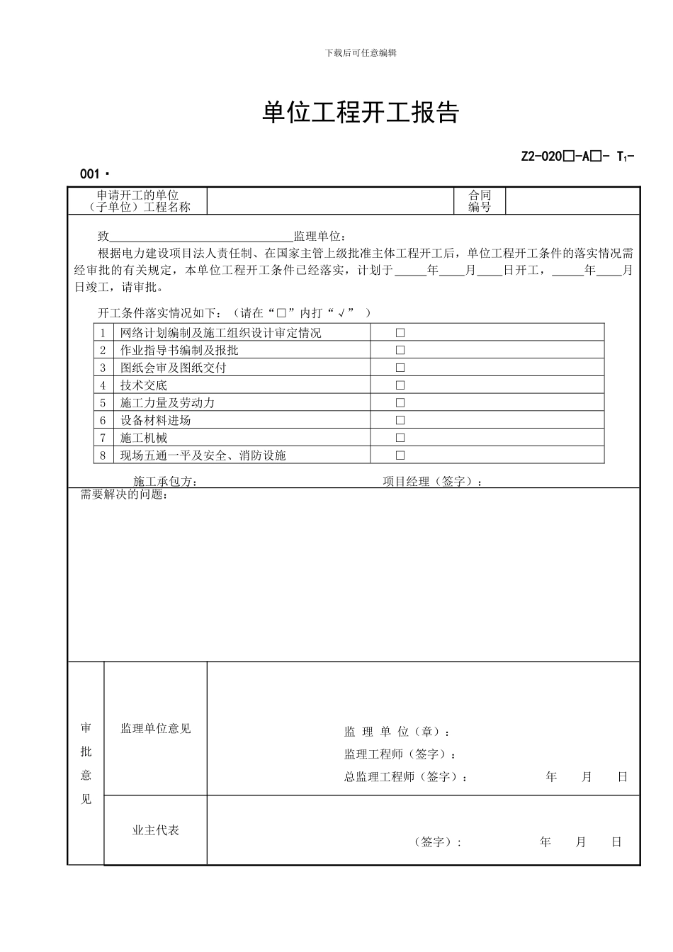
下载后可任意编辑单位工程开工报告 Z2-020□-A□- T1-001·申请开工的单位(子单位)工程名称合同编号致 监理单位:根据电力建设项目法人责任制、在国家主管上级批准主体工程开工后,单位工程开工条件的落实情况需经审批的有关规定,本单位工程开工条件已经落实,计划于 年 月 日开工, 年 月 日竣工,请审批。开工条件落实情况如下:(请在“□”内打“√” )1网络计划编制及施工组织设计审定情况 □2作业指导书编制及报批 □3图纸会审及图纸交付 □4技术交底 □5施工力量及劳动力 □6设备材料进场 □7施工机械 □8现场五通一平及安全、消防设施 □施工承包方: 项目经理(签字): 需要解决的问题:审批意见监理单位意见 监 理 单 位(章): 监理工程师(签字): 总监理工程师(签字): 年 月 日业主代表 (签字): 年 月 日下载后可任意编辑分 包 商 资 质 报 审 表 Z2-020□-A□-T1—001·1 单位工程名称合同编号致_______________________________项目监理部:根据工程需要,经我单位审查,分包商___________________法人代表__________具备承包的资格,能承担下述工程________________任务,能保证履行合同文件的全部条款。分包后,我单位仍负责总承包的任务,请予审批。附件:1、分包单位营业文件 份 张。①营业执照(复印件);②企业资质证书(复印件);③有关许可证(复印件)。2、分包单位企业介绍_________。①企业介绍信_________张;②历年承包主要工程介绍;③本项负责人和企业领导班子成员履历介绍。 承包商(盖章) 法人代表(签字) 年 月 日项目监理部审查意见: 项目监理部(盖章) 监理工程师(签字) 年 月 日 总监理师(签字) 年 月 日漳山发电公司审查意见: 法人代表委托人(签字) 年 月 日下载后可任意编辑焊接和试验人员统计报表 Z2-020□-A□-T1—001·2单位工程名称索引号致_____________________________项目监理部:现报上本工程焊接/试验人员名单,请查验。今后如有人员中途调动,我单位将及时重新统计,并上报。附件:证件(复印件) 承包商(盖章) 法人代表(签字) 年 月 日姓 名代 号发证单位证书编号有效日期允许施焊(试验)项目下载后可任意编辑主要施工计量器具、检测仪表检验统计表 Z2-020□-A□-T1—001·3 单位工程名称索引号致 项目监理部:现报上本工程使用的主要施工计量器具、检测仪表检验结果统计表,以供查对...

1、当您付费下载文档后,您只拥有了使用权限,并不意味着购买了版权,文档只能用于自身使用,不得用于其他商业用途(如 [转卖]进行直接盈利或[编辑后售卖]进行间接盈利)。
2、本站所有内容均由合作方或网友上传,本站不对文档的完整性、权威性及其观点立场正确性做任何保证或承诺!文档内容仅供研究参考,付费前请自行鉴别。
3、如文档内容存在违规,或者侵犯商业秘密、侵犯著作权等,请点击“违规举报”。

碎片内容

施工现场质量管理

您可能关注的文档

确认删除?
VIP
微信客服
  • 扫码咨询
会员Q群
  • 会员专属群点击这里加入QQ群
客服邮箱
回到顶部