电脑桌面
添加小米粒文库到电脑桌面
安装后可以在桌面快捷访问

施工用水用电方案VIP免费

施工用水用电方案_第1页
1/16
施工用水用电方案_第2页
2/16
施工用水用电方案_第3页
3/16
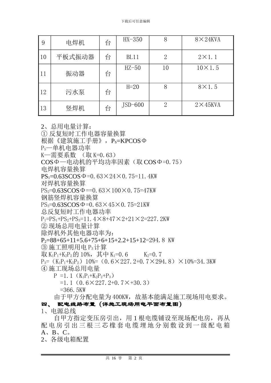
下载后可任意编辑施工用水用电方案施工用电方案一、 工程概况本工程位于苏州工业园区苏胜路星华街,北靠 BLOCK(1#)标段,南面为 BLOCK(3#)标段,东靠星华街,西面为凤凰城二期花园洋房工程。本工程共 6 栋单位工程(车库后施工,另编写专项用水用电方案),均为框架剪力墙结构。工程编号依次为 7 号、8 号、9 号、10号、11 号、12 号楼,总建筑面积约为 49000m2,层高为 2.9m,基础为高强度砼管桩。室内±0.000 相对于绝对标高为 5.500。甲方指定的变电站在施工场地东面,给本项目分配电量为400KVA。二、 设计依据1、国标《施工现场临时用电安全技术法律规范》JGJ46-882、《安全电压》GB3805-843、建筑施工手册(第三版)和有用电工手册4、苏州地区低压用电规程三、 施工用电有关计算1、现场机械布置及总用电量序号机具设备名称单位型 号数 量总用电量(KW 或 KVA)1塔 吊台QTZ-501322×442塔 吊台QTZ-1251653钢筋对焊机台UN-10022×100KVA4钢筋切断机台GJ4022×5.55钢筋成型机台QJ4022×2.86施工电梯台SFD10055×157木工圆锯机台MBW32022×38混凝土搅拌机台JZ-35022×7.5 共 16 爷 第 1 页下载后可任意编辑9电焊机台HX-35088×24KVA10平板式振动器台BL11 22×1.111振动器台HZ-501010×1.512污水泵台H=2088×1.513竖焊机台JSD-60022×45KVA2、总用电量计算:① 反复短时工作电器容量换算根据《建筑施工手册》,PS=KPCOSΦPS—单机电器功率K—需要系数 (取 K=0.63) COSΦ—电动机的平均功率因素(取 COSΦ=0.75)电焊机容量换算PS1=0.63SCOSΦ=0.63×24×0.75=11.4KW对焊机容量换算PS2=0.63SCOSΦ==0.63×100×0.75=47KW钢筋竖焊机容量换算PS3=0.63SCOSΦ=0.63×45×0.75=21KW总反复短时工作电器功率P1=PS1+PS2+PS3=11.4×8+47×2+21×2=227.2KW② 现场总用电量计算除焊机外其他电器功率为:P2=88+65+11+5.6+75+6+15+2.2+15+12=294.8 KW③ 施工照明用电 P3计算取 K1P1+K2P2的 10%,其中 K1=0.6 K2=0.7P3=(K1P1+K2P2)10%=(0.6×227.2+0.7×294.8)×10%=34.3KW④ 施工现场总用电量P =1.1(K1P1+K2P2+P3)=1.1(0.6×227.2+0.7×+30.3)=366.5KW由于甲方分配电量为 400KW,故基本能满足施工现场用电要求。四、 配电线路布置(详施工现场用电平面布置图)1、电源总线自甲方指定变压房引出,用 1 根电缆铺设至现场配电房,再从配 电 房 引 出 三 根 三 芯 橡 套 电 缆 埋 地 ...

1、当您付费下载文档后,您只拥有了使用权限,并不意味着购买了版权,文档只能用于自身使用,不得用于其他商业用途(如 [转卖]进行直接盈利或[编辑后售卖]进行间接盈利)。
2、本站所有内容均由合作方或网友上传,本站不对文档的完整性、权威性及其观点立场正确性做任何保证或承诺!文档内容仅供研究参考,付费前请自行鉴别。
3、如文档内容存在违规,或者侵犯商业秘密、侵犯著作权等,请点击“违规举报”。

碎片内容

施工用水用电方案

您可能关注的文档

确认删除?
VIP
微信客服
  • 扫码咨询
会员Q群
  • 会员专属群点击这里加入QQ群
客服邮箱
回到顶部