电脑桌面
添加小米粒文库到电脑桌面
安装后可以在桌面快捷访问

施工电梯加节安装验收表VIP免费

施工电梯加节安装验收表_第1页
1/3
施工电梯加节安装验收表_第2页
2/3
施工电梯加节安装验收表_第3页
3/3
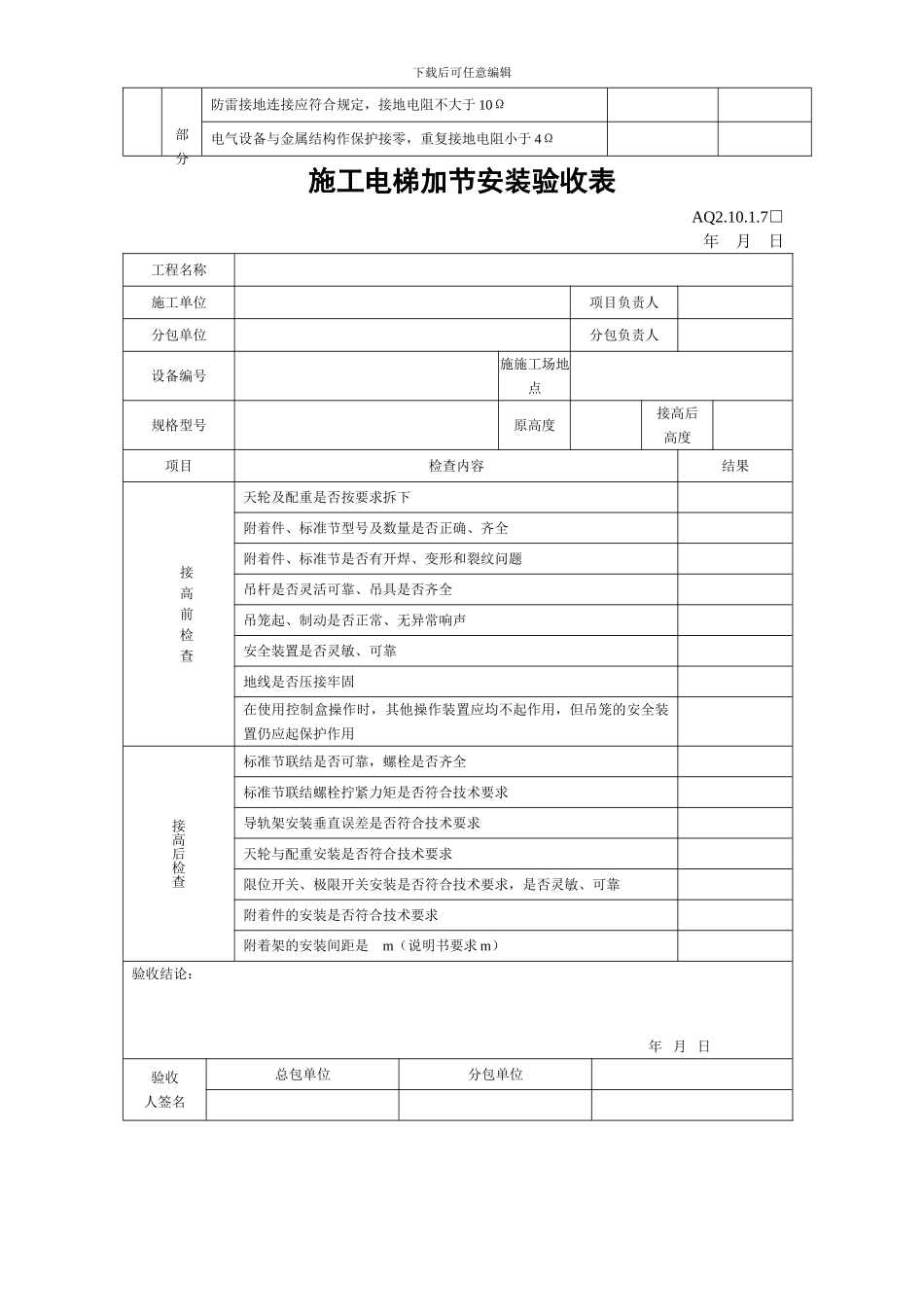
下载后可任意编辑外用电梯安装验收表AQ2.10.1.6□工程名称施工单位项目负责人分包单位分包负责人安装单位安装资格情况检测单位资质证号设备名称规格型号出厂编号自编号拟安装高度m 初安装高度m轿厢T人安装时间年 月 日验收时间年 月 日序号检查项目检查内容与要求实测实量实查验收结果一资料部分起重机械基础(隐蔽工程)验收记录施工电梯垂直度测量记录经审批的安装(拆除)方案有键全的安全管理制度和岗位责任制荷载标志牌,操作规程牌,机长、司机、定人定机牌,验收安全警示牌、验收合格牌齐全司机已接受技术交底进厂教育及经培训、持证上岗二结构部分各结构防腐好,受力杆件无严重腐蚀各部连接螺栓紧固牢靠附墙件安装间距不大于 9m,预埋件、附墙杆件连接紧固牢靠本机要求自由高度应符合要求架体的垂直度偏差不得超过 5‰基础平整,无积水且有排不措施三机械部分钢丝绳符合安全使用规定、且绳卡数量不少于 3 个,有鸡心环,滑鞍放置正确,且紧固可靠驱动齿轮副啮隙规定为 mm,且无过度磨损减速机构无异响,无漏油导轮、滚轮调整间隙及磨损符合规定刹车装置灵敏度可靠四电气电缆是否有破损老化,起升下降是否有死卡现象操作盘仪表信号装置是否齐全安好下载后可任意编辑部分防雷接地连接应符合规定,接地电阻不大于 10Ω电气设备与金属结构作保护接零,重复接地电阻小于 4Ω施工电梯加节安装验收表AQ2.10.1.7□年 月 日工程名称施工单位项目负责人分包单位分包负责人设备编号施施工场地点规格型号原高度接高后高度项目检查内容结果接 高 前 检 查天轮及配重是否按要求拆下附着件、标准节型号及数量是否正确、齐全附着件、标准节是否有开焊、变形和裂纹问题吊杆是否灵活可靠、吊具是否齐全吊笼起、制动是否正常、无异常响声安全装置是否灵敏、可靠地线是否压接牢固在使用控制盒操作时,其他操作装置应均不起作用,但吊笼的安全装置仍应起保护作用接高后检查标准节联结是否可靠,螺栓是否齐全标准节联结螺栓拧紧力矩是否符合技术要求导轨架安装垂直误差是否符合技术要求天轮与配重安装是否符合技术要求限位开关、极限开关安装是否符合技术要求,是否灵敏、可靠附着件的安装是否符合技术要求附着架的安装间距是 m(说明书要求 m)验收结论:年 月 日验收人签名总包单位分包单位下载后可任意编辑监理单位意见: 专业监理工程师: 年 月 日

1、当您付费下载文档后,您只拥有了使用权限,并不意味着购买了版权,文档只能用于自身使用,不得用于其他商业用途(如 [转卖]进行直接盈利或[编辑后售卖]进行间接盈利)。
2、本站所有内容均由合作方或网友上传,本站不对文档的完整性、权威性及其观点立场正确性做任何保证或承诺!文档内容仅供研究参考,付费前请自行鉴别。
3、如文档内容存在违规,或者侵犯商业秘密、侵犯著作权等,请点击“违规举报”。

碎片内容

施工电梯加节安装验收表

确认删除?
VIP
微信客服
  • 扫码咨询
会员Q群
  • 会员专属群点击这里加入QQ群
客服邮箱
回到顶部