电脑桌面
添加小米粒文库到电脑桌面
安装后可以在桌面快捷访问

普通型钢悬挑脚手架施工方案VIP免费

普通型钢悬挑脚手架施工方案_第1页
1/22
普通型钢悬挑脚手架施工方案_第2页
2/22
普通型钢悬挑脚手架施工方案_第3页
3/22
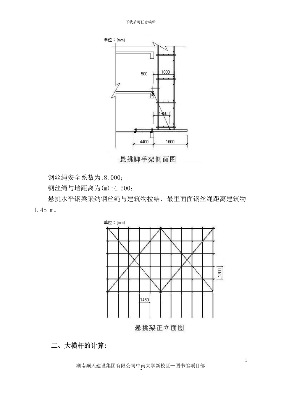
下载后可任意编辑普通型钢悬挑脚手架施工方案本工程为芙蓉区新桥村村民安置房,位于远大路与长善路交汇处,属一类高层建筑,建筑结构安全等级为二级,建筑结构形式为框架剪力墙结构,建筑抗震设防类别为丙类,抗震设防烈度为6度,设计合理使用年限50年。总建筑面积为81014.36 m2。本工程由地下室、裙楼和主楼组成,其中:地下室为1层,主楼共两栋,各为32层(裙楼为3层)。檐口高度为105.2m,总高度99.85m,裙楼长×宽=85.65 m×36.3m。本工程室内外高差1.07m,层高分别如下:地下室层高为4.3m,裙楼层高为6.3m、5.0m,四至三十二层高为2.9m。 本工程从北向2-1轴~2-44轴、南向2-1轴~3-26轴、西向2-T轴~2-B轴、东向3-A轴~3-P轴,B4层开始采纳型钢悬挑扣件式钢管脚手架,4层以下采纳落地式脚手架。待5楼楼面混凝土浇捣后15天,采纳Φ15.5钢丝绳斜拉,4楼外挑至钢端部,再拆除4楼以下的脚手架,报告厅才能进行车库地面以上施工。型钢悬挑扣件式钢管脚手架的计算依据《建筑施工扣件式钢管脚手架安全技术法律规范》(JGJ130-2001)、《建筑结构荷载法律规范》(GB 50009-2001)、《钢结构设计法律规范》(GB 50017-2024)等法律规范编制。 一、参数信息:1.脚手架参数双排脚手架搭设高度为 21 米,立杆采纳单立杆;搭设尺寸为:立杆的纵距为 1.50米,立杆的横距为1.1米,立杆的步距为1.7 米;内排架距离墙长度为0.50米;大横杆在上,搭接在小横杆上的大横杆根数为 2 根;脚手架沿墙纵向长度为 150 米;采纳的钢管类型为 Φ48×3.0; 湖南顺天建设集团有限公司中南大学新校区—图书馆项目部*1下载后可任意编辑横杆与立杆连接方式为单扣件;取扣件抗滑承载力系数 0.80;连墙件布置取两步三跨,竖向间距 3.4 米,水平间距4.5 米,采纳扣件连接;连墙件连接方式为单扣件连接;2.活荷载参数施工均布荷载(kN/m2):3.000;脚手架用途:结构脚手架;同时施工层数:1 层;3.风荷载参数本工程地处湖南省长沙市,查荷载法律规范基本风压为0.350,风荷载高度变化系数μz为1.250,风荷载体型系数μs为0.124;计算中考虑风荷载作用;4.静荷载参数每米立杆承受的结构自重荷载标准值(kN/m):0.1281;脚手板自重标准值(kN/m2):0.350;栏杆挡脚板自重标准值(kN/m):0.150;安全设施与安全网自重标准值(kN/m2):0.005;脚手板铺设层数:3 层;脚手板类别:竹笆片脚手板;栏杆挡板类别:栏杆、竹笆片脚手板挡板;5.水平悬挑支撑梁悬挑水平钢梁采纳16a号槽钢,...

1、当您付费下载文档后,您只拥有了使用权限,并不意味着购买了版权,文档只能用于自身使用,不得用于其他商业用途(如 [转卖]进行直接盈利或[编辑后售卖]进行间接盈利)。
2、本站所有内容均由合作方或网友上传,本站不对文档的完整性、权威性及其观点立场正确性做任何保证或承诺!文档内容仅供研究参考,付费前请自行鉴别。
3、如文档内容存在违规,或者侵犯商业秘密、侵犯著作权等,请点击“违规举报”。

碎片内容

普通型钢悬挑脚手架施工方案

您可能关注的文档

确认删除?
VIP
微信客服
  • 扫码咨询
会员Q群
  • 会员专属群点击这里加入QQ群
客服邮箱
回到顶部