电脑桌面
添加小米粒文库到电脑桌面
安装后可以在桌面快捷访问

某商贸城通风空调工程施工方案-secretVIP免费

某商贸城通风空调工程施工方案-secret_第1页
1/12
某商贸城通风空调工程施工方案-secret_第2页
2/12
某商贸城通风空调工程施工方案-secret_第3页
3/12
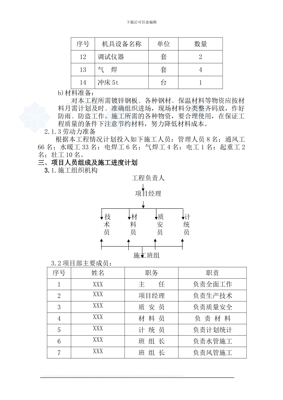
下载后可任意编辑XX 商贸城通风空调工程施工方案 一﹑工程概况 本工程为 XX 商贸城通风空调工程,地下一层,地上三层,建筑面积 52115 平米,分为地下超市﹑一、二层店铺﹑三层餐饮、娱乐厅,本系统共分机房工艺﹑通风及空调水三部分,空调方式主要采纳全空气系统及风机盘管加新风系统。通风管道采纳镀锌钢板制作,排烟管道采纳普通钢板制作。夏季室内设计参数为干球温度 26℃,相对湿度 60%;冬季室内设计参数为干球温度 20℃,相对湿度 50%。夏季总冷负荷8140kw。夏季由四台 BS175VII 双效吸收式冷水机组供应 7℃~12℃冷水给末端设备,热源采纳锅炉房集中供热,热交换站设在地下一层,夏季供给冷水机组 6Kg/cm2蒸汽制冷,冬季经热交换机组供给末端 55℃~65℃热水。采暖热媒热水温度为 70℃~95℃,由锅炉房直接供给。二﹑施工准备 2.1 施工准备 2.1.1 技术准备 熟悉施工图和有关技术标准;仔细进行设计交底和图纸会审,掌握工程特点;采纳和制定各项技术标准;正确及时编制施工预算;按施工要求提出项目所需的劳动力及各种物资,制定采购﹑加工﹑定货计划,确保工程有条不紊按施工计划顺利进行。 2.1.2 物资准备a)根据本工程的特点,配备如下机具设备:序号机具设备名称单位数量1沟通电焊机台62台 钻台13套丝机台24试压泵台25咬口机台26折方机台17倒 链(2 吨)个58电 锤台39无齿锯台110套丝板个411手枪钻把5 下载后可任意编辑序号机具设备名称单位数量12调试仪器套213气 焊套414冲床 5t台1b)材料准备: 对本工程所需镀锌钢板﹑各种钢材﹑保温材料等物资应按材料月需计划及时﹑准确组织进场,现场材料分类整齐码放,作好防雨﹑防盗工作。施工所需的各种物资,要合理使用,在保证工程质量的条件下注意节约材料,努力降低材料成本。 2.1.3 劳动力准备 根据本工程情况计划投入如下施工人员:管理人员 8 名;通风工66 名;水暖工 33 名;电焊工 6 名;气焊工 4 名;电工 1 名;起重工 2名;壮工 10 名。三﹑项目人员组成及施工进度计划 3.1.施工组织机构 工程负责人 项目经理 技 材 质 计术 料 安 统 员 员 员 员 施工班组 3.2 项目部主要成员:序号姓名职务职责1XXX主 任负责全面工作2XXX项目经理负责生产技术3XXX质 安 员负责质量安全4XXX材 料 员负 责 材 料5XXX计 统 员负责计划统计6XXX班 组 长负责水管施工7XXX班 组 长负责风管施工 下载后可任意编辑...

1、当您付费下载文档后,您只拥有了使用权限,并不意味着购买了版权,文档只能用于自身使用,不得用于其他商业用途(如 [转卖]进行直接盈利或[编辑后售卖]进行间接盈利)。
2、本站所有内容均由合作方或网友上传,本站不对文档的完整性、权威性及其观点立场正确性做任何保证或承诺!文档内容仅供研究参考,付费前请自行鉴别。
3、如文档内容存在违规,或者侵犯商业秘密、侵犯著作权等,请点击“违规举报”。

碎片内容

某商贸城通风空调工程施工方案-secret

您可能关注的文档

确认删除?
VIP
微信客服
  • 扫码咨询
会员Q群
  • 会员专属群点击这里加入QQ群
客服邮箱
回到顶部