电脑桌面
添加小米粒文库到电脑桌面
安装后可以在桌面快捷访问

楼板模板施工方案VIP免费

楼板模板施工方案_第1页
1/7
楼板模板施工方案_第2页
2/7
楼板模板施工方案_第3页
3/7
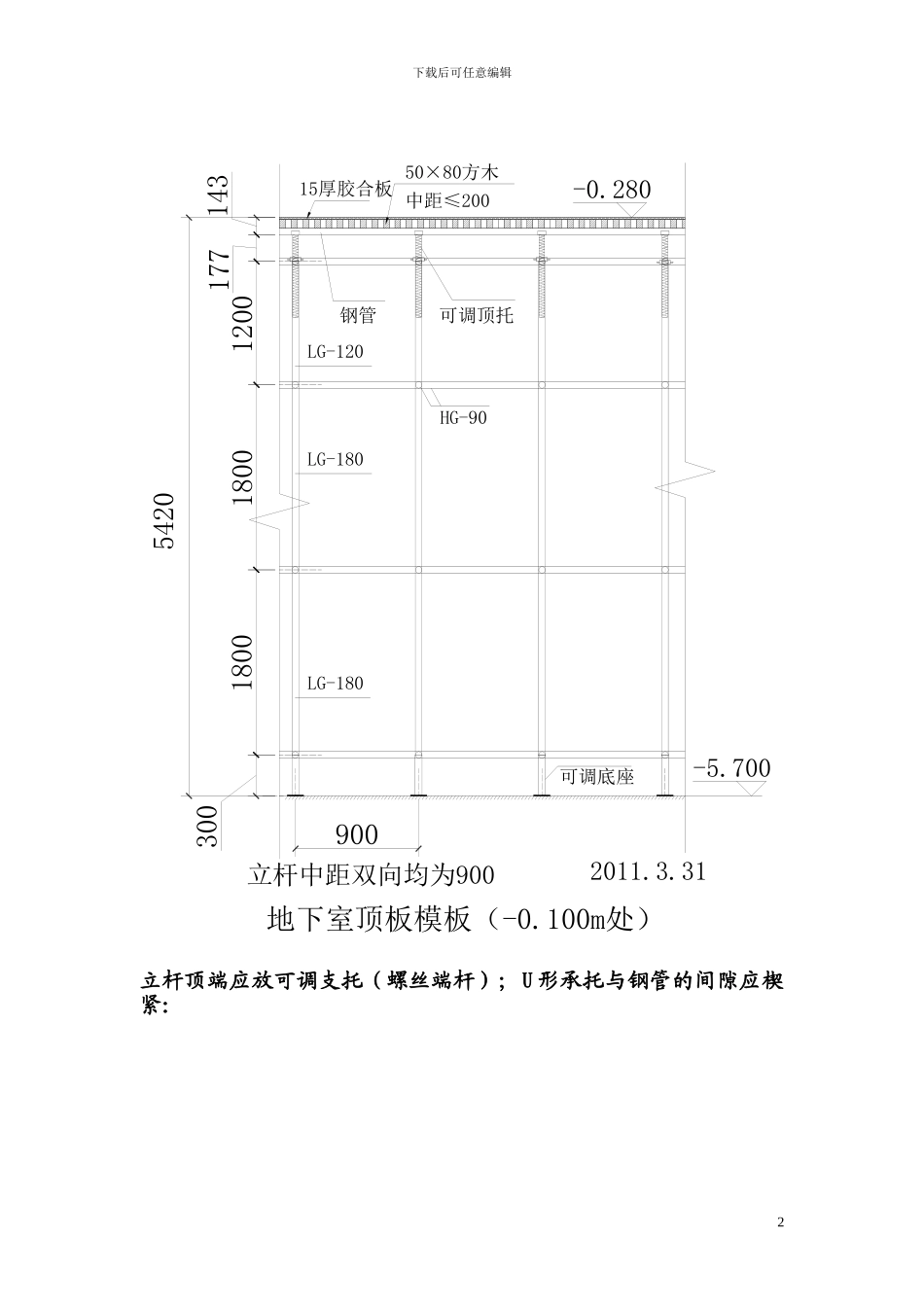
下载后可任意编辑楼板模板施工方案 楼板模板设计:楼板厚 180mm.楼层高度分别为 5.6m;5.3m 及 4.55m.荷载标准值:楼板模板自重标准值 G1K=0.3KN/㎡混凝土自重标准值: G2K=24×0.18=4.32 KN/㎡钢筋自重标准值: G3K=1.5×0.18=0.27 KN/㎡施工人员及设备荷载标准值 Q1K=2.5 KN/㎡另外用集中荷载 2.5KN 验算胶合板及方木。恒载标准值 GK=0.3+4.32+0.27=4.89 KN/㎡ 结构重要性系数 γ0=0.9 荷载组合值系数 0.7荷载设计值 Q1=0.9(1.35×4.89+ 0.7×1.4×2.5)=8.15KN/㎡ Q2=0.9(1.2×4.89+1.4×2.5)=8.43 KN/㎡取荷载设计值 Q=8.43KN/㎡ 采纳碗扣式脚手架做模板支架。5.6m 高楼层楼板模板按下图设置:1下载后可任意编辑立杆顶端应放可调支托(螺丝端杆);U 形承托与钢管的间隙应楔紧:2立杆中距双向均为900可调底座542030015厚胶合板50×80方木地下室顶板模板(-0.100m处)2011.3.31-0.2801800中距≤20090018001200可调顶托钢管177143-5.700LG-180LG-120LG-180HG-90下载后可任意编辑否则,U 形承托可能变形:下面对上述方案进行验算:胶合板验算:方木间距取 200胶合板线荷载设计值(取 1m 宽板) q=1×8.43=9KN/m 胶合板弯矩 M=0.125ql2=0.125×8.43×0.22=0.042KNm按2.5KN集中力计算弯矩: M=0.9(0.125×1.2×4.89×0.22+0.25×2.5×1.4×0.2)=0.184KNm取弯矩 M=0.184 KNm可以变形验算:只考虑恒载(取 1m 板宽), qk=4.89KN/m=4.89N/mm式中, 9×103 N/mm2 是胶合板的弹性模量50×80 方木验算:(方木间距 0.2m)方木线荷载 q=0.2×8.43=1.7KN/m 钢管间距 0.9m(即方木跨度)3下载后可任意编辑方木弯矩 M=0.125×1.7×0.92=0.172KNm按集中荷载 2.5KN 计算弯矩(按两根方木计算)M=0.9(0.25×1.4×2.5/2×0.9+0.125×1.2×4.89×0.2×0.92)=0.461KNm(忽略方木自重产生的弯矩,方木自重产生的弯矩很小)取方木弯矩 M=0.461 KNm可以。方木变形验算:恒载线荷载 qk=4.89×0.2==0.98KN/m=0.98N/mm式中, 9×103 N/mm2 是方木的弹性模量钢管验算:此时均布活荷载为 1.5KN/m2。为计算简便,不改变荷载值 2.5KN/m2(取值偏大)钢管受的是方木传来的集中荷载。近似按均布荷载计算。钢管线荷载 q=8.43×0.9=7.6KN/m 钢管自重设计值 1.2×38.4×10-3=0.046 KN/m 钢管荷载设计值 q=7.6+0.046=7.65 KN/m钢管弯矩 M=0.125×7.65×0.92=0.77KNm 。可以 钢管变形验算:恒载标准值 qk=...

1、当您付费下载文档后,您只拥有了使用权限,并不意味着购买了版权,文档只能用于自身使用,不得用于其他商业用途(如 [转卖]进行直接盈利或[编辑后售卖]进行间接盈利)。
2、本站所有内容均由合作方或网友上传,本站不对文档的完整性、权威性及其观点立场正确性做任何保证或承诺!文档内容仅供研究参考,付费前请自行鉴别。
3、如文档内容存在违规,或者侵犯商业秘密、侵犯著作权等,请点击“违规举报”。

碎片内容

楼板模板施工方案

您可能关注的文档

确认删除?
VIP
微信客服
  • 扫码咨询
会员Q群
  • 会员专属群点击这里加入QQ群
客服邮箱
回到顶部