电脑桌面
添加小米粒文库到电脑桌面
安装后可以在桌面快捷访问

止水桩施工方案VIP免费

止水桩施工方案_第1页
1/9
止水桩施工方案_第2页
2/9
止水桩施工方案_第3页
3/9
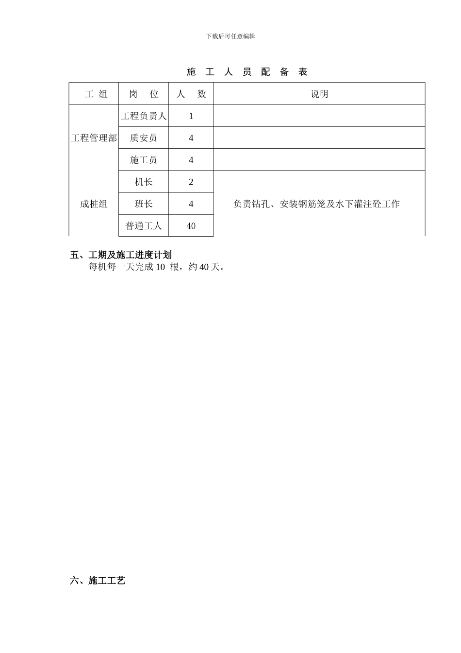
下载后可任意编辑×××××项目止水桩(三轴深搅桩)施工方案方案编制人: 时间 审 核 人: 时间 审 定 人: 时间 ×××××××公司×年×月×日下载后可任意编辑一、编制依据1、《建筑地基处理技术法律规范》(JGJ79-2024);2、《建筑基坑支护技术规程》(JGJ120-99);3、该工程的《岩土工程勘察报告》及设计图纸。4、相关法律、法规、技术法律规范及规程5、《×××××项目基坑支护工程专项施工方案》二、编制范围止水桩(三轴深层搅拌桩)三、工程概况与地质情况1、工程概况A 地块:共 346 根,桩径为 φ850@1200。AB 段桩长约 36m;BC 段桩长约30-34m;CD 段桩长约 24-30m、DE 段桩长约 21m;EF 段桩长约 31-36m;FG桩长约 33-36m,GA 段桩长 33-36m。B 地块:共 344 根,桩径为 φ850@1200。A’B’、B’C’段桩长约 30m; C’D’段桩长约 22-28’m、D’E’段桩长约 22m;E’F’、F’G’段桩长约 21m;G’H’段桩长约 21-26m,H’A’段桩长约 30m。2、地质情况详见《岩土工程勘察报告》。四、施工力量部署我公司针对本工程的实际情况,选用两台全液压步履式打桩机,施工设备、人员力量配备如表:施工设备配备表设备机具名称规格型号数量备 注三轴深搅机JB160A2 台钻头φ850@1200,2 组用于成桩下载后可任意编辑施 工 人 员 配 备 表 工 组岗 位人 数说明工程管理部工程负责人1质安员4施工员4成桩组机长2负责钻孔、安装钢筋笼及水下灌注砼工作班长4普通工人40五、工期及施工进度计划每机每一天完成 10 根,约 40 天。六、施工工艺下载后可任意编辑1、三轴深搅桩施工工艺施工主要包括开挖导沟、桩机定位、搅拌施工、泥浆制作等工艺流程。2、主要施工技术与措施1)施工场地平整 a.平整施工场地,清除一切地面和地下障碍物; b.当施工场地表面过软时,实行铺设路基箱的措施防止施工机械失稳。2)开挖沟槽及制作泥浆池在三轴搅拌桩施工过程中会涌出大量的置换土,为了保证桩机的安全移位和施工现场的干净,需要使用挖机在搅拌桩桩位上预先开挖沟槽。沟槽宽约1.2m,深 1.5m。在施工现场还需制作一集土坑,将三轴搅拌桩施工过程中置换的土体泥浆置于其内,待稍干后外运。3)三轴深搅桩钻进施工施工流程图施工完毕开挖导沟设置机架移动导轨三轴搅拌机定位三轴搅拌机架设残土处理报监理工程师制作试块搅拌、提升、喷浆水泥材质检验报监理工程师水泥浆拌制制制下载后可任意编辑 a.桩位放...

1、当您付费下载文档后,您只拥有了使用权限,并不意味着购买了版权,文档只能用于自身使用,不得用于其他商业用途(如 [转卖]进行直接盈利或[编辑后售卖]进行间接盈利)。
2、本站所有内容均由合作方或网友上传,本站不对文档的完整性、权威性及其观点立场正确性做任何保证或承诺!文档内容仅供研究参考,付费前请自行鉴别。
3、如文档内容存在违规,或者侵犯商业秘密、侵犯著作权等,请点击“违规举报”。

碎片内容

止水桩施工方案

您可能关注的文档

确认删除?
VIP
微信客服
  • 扫码咨询
会员Q群
  • 会员专属群点击这里加入QQ群
客服邮箱
回到顶部