电脑桌面
添加小米粒文库到电脑桌面
安装后可以在桌面快捷访问

水利水电工程单位分部工程施工质量评定表VIP免费

水利水电工程单位分部工程施工质量评定表_第1页
1/6
水利水电工程单位分部工程施工质量评定表_第2页
2/6
水利水电工程单位分部工程施工质量评定表_第3页
3/6
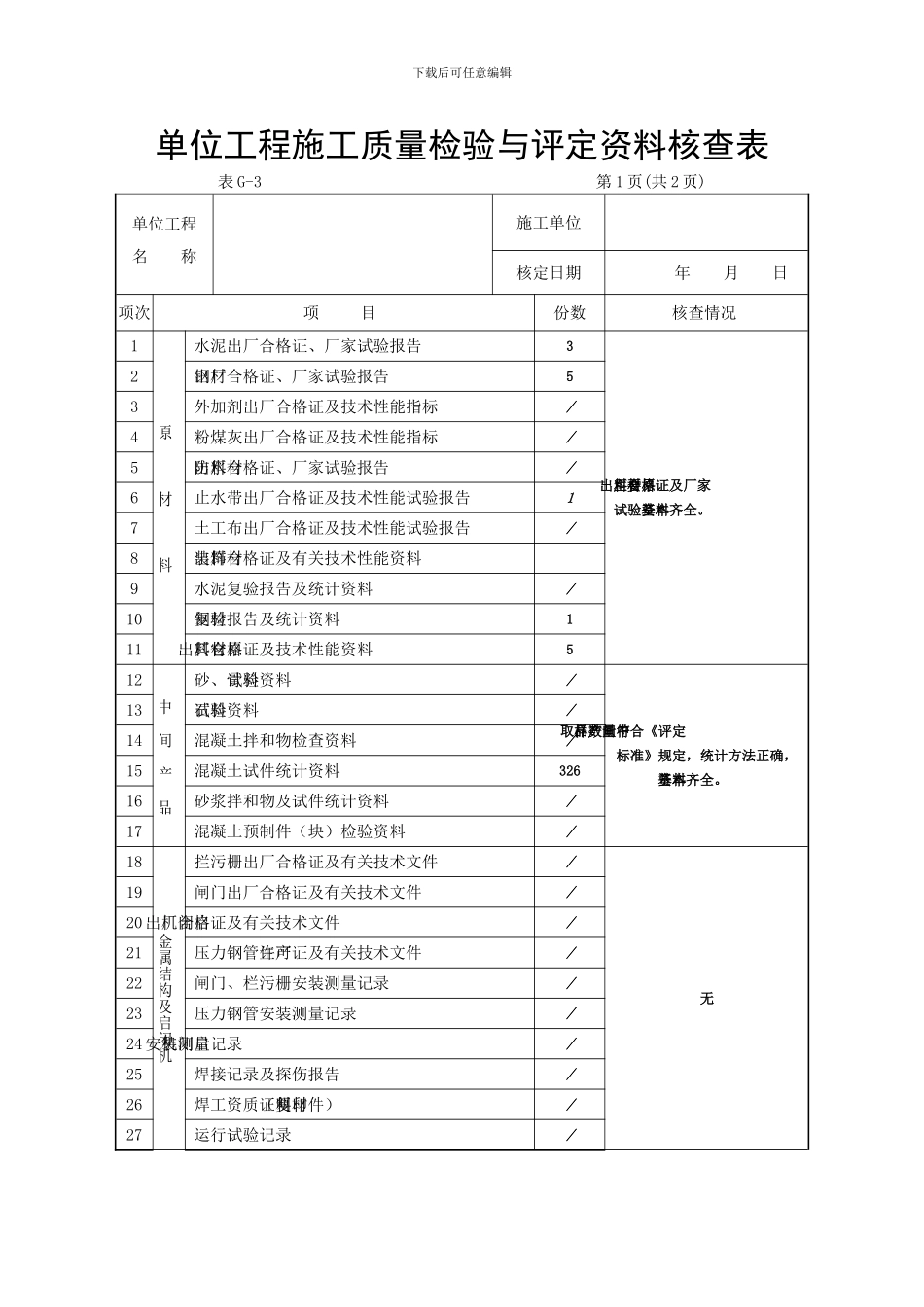
下载后可任意编辑单位工程施工质量评定表工程项目名称施工单位单位工程名称施工日期 自 年 月 日至 年 月 日单位工程量评定日期 年 月 日序号分 部 工 程 名 称质 量 等 级合 格优 良123456789分部工程共 个,全部合格,其中优良 个,优良率 %,主要分部工程优良率 %外 观 质 量应得 分,实得 分,得分率 %。施工质量检验资料质量事故处理情况观测资料分析结论施工单位自评等级: 评定人: 项目经理:( 盖 公章) 年 月 日监理复核等级:复核人: 总监或副总监: (盖公章) 年 月 日项目法人认定等级:复核人: 单位负责人: (盖公章) 年 月 日质 量 监 督 机 构 核 定 等级:核定人: 机构负责人: (盖公章) 年 月 日下载后可任意编辑单位工程施工质量检验与评定资料核查表表 G-3 第 1 页(共 2 页)单位工程名 称 施工单位核定日期 年 月 日项次项 目份数核查情况1原 材 料水泥出厂合格证、厂家试验报告3主要原材料出厂合格证及厂家试验资料基本齐全。2钢材出厂合格证、厂家试验报告53外加剂出厂合格证及技术性能指标/4粉煤灰出厂合格证及技术性能指标/5防水材料出厂合格证、厂家试验报告/6止水带出厂合格证及技术性能试验报告17土工布出厂合格证及技术性能试验报告/8装饰材料出厂合格证及有关技术性能资料9水泥复验报告及统计资料/10钢材复验报告及统计资料111其它原材料出厂合格证及技术性能资料512中 间 产 品砂、骨料试验资料/中间产品取样数量符合《评定标准》规定,统计方法正确,资料基本齐全。13石料试验资料/14混凝土拌和物检查资料/15混凝土试件统计资料32616砂浆拌和物及试件统计资料/17混凝土预制件(块)检验资料/18金属结构及启闭机拦污栅出厂合格证及有关技术文件/无19闸门出厂合格证及有关技术文件/20启闭机出厂合格证及有关技术文件/21压力钢管生产许可证及有关技术文件/22闸门、栏污栅安装测量记录/23压力钢管安装测量记录/24启闭机安装测量记录/25焊接记录及探伤报告/26焊工资质证明材料(复印件)/27运行试验记录/ 下载后可任意编辑表 G-3(续) 第 2 页(共 2 页)单位工程名 称 施工单位核定日期 年 月 日项次项 目份数核 查 情 况28机 电 设 备产品出厂合格证、厂家提交的安装说明书及有关文件/无29重大设备质量缺陷处理资料/30水轮发电机组安装测量记录/31升压变电设备安装测试记录/32电气设备安装测试记录/33焊缝探...

1、当您付费下载文档后,您只拥有了使用权限,并不意味着购买了版权,文档只能用于自身使用,不得用于其他商业用途(如 [转卖]进行直接盈利或[编辑后售卖]进行间接盈利)。
2、本站所有内容均由合作方或网友上传,本站不对文档的完整性、权威性及其观点立场正确性做任何保证或承诺!文档内容仅供研究参考,付费前请自行鉴别。
3、如文档内容存在违规,或者侵犯商业秘密、侵犯著作权等,请点击“违规举报”。

碎片内容

水利水电工程单位分部工程施工质量评定表

您可能关注的文档

确认删除?
VIP
微信客服
  • 扫码咨询
会员Q群
  • 会员专属群点击这里加入QQ群
客服邮箱
回到顶部