电脑桌面
添加小米粒文库到电脑桌面
安装后可以在桌面快捷访问

涂料工程施工方案VIP免费

涂料工程施工方案_第1页
1/11
涂料工程施工方案_第2页
2/11
涂料工程施工方案_第3页
3/11
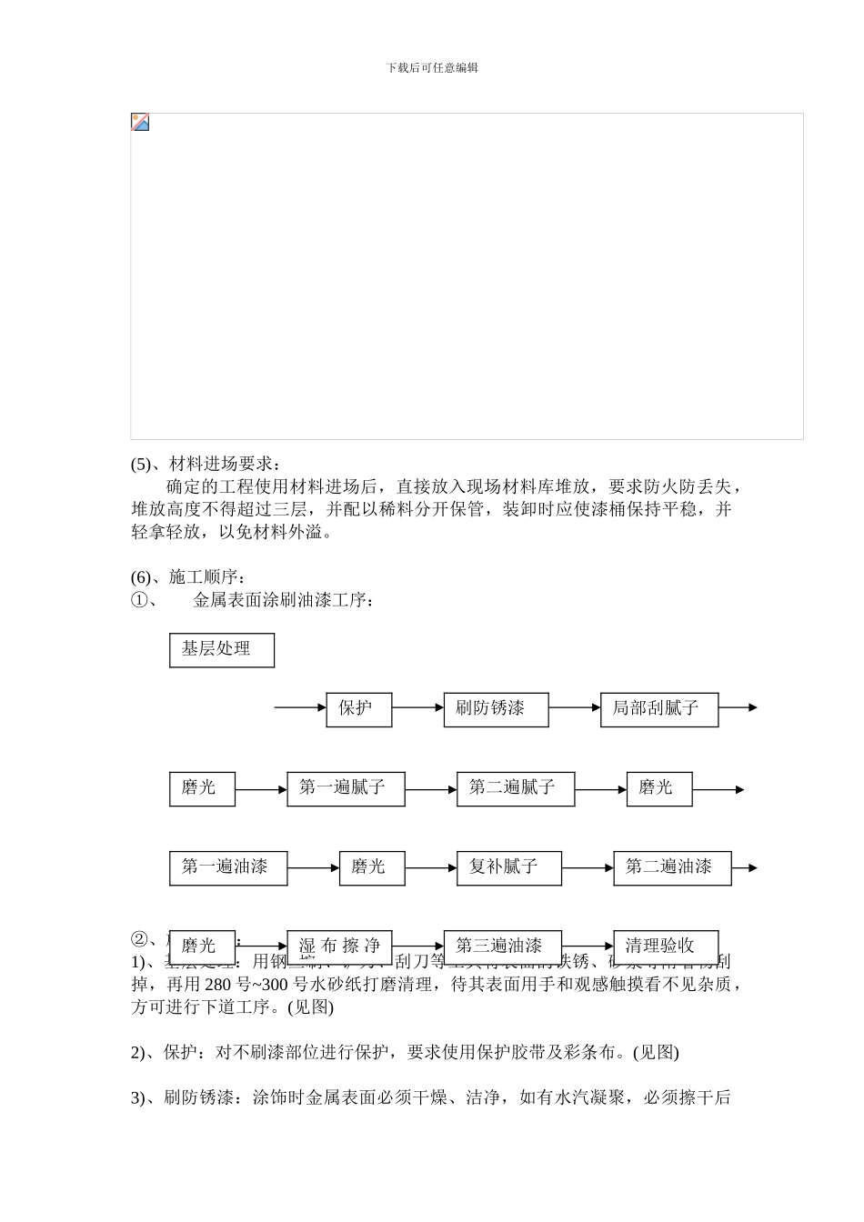
下载后可任意编辑涂料工程施工方案一、油漆工程:1、 调和漆(钢质材、木质材):(1)、材料介绍:(2)、施工所用材料:(3)、国家法律规范要求及标准:混色油漆表面质量标准:(4)、施工所用工具表:下载后可任意编辑(5)、材料进场要求:确定的工程使用材料进场后,直接放入现场材料库堆放,要求防火防丢失,堆放高度不得超过三层,并配以稀料分开保管,装卸时应使漆桶保持平稳,并轻拿轻放,以免材料外溢。(6)、施工顺序:①、金属表面涂刷油漆工序:②、施工方法:1)、基层处理:用钢丝刷、铲刀、刮刀等工具将表面的铁锈、砂浆等附着物刮掉,再用 280 号~300 号水砂纸打磨清理,待其表面用手和观感触摸看不见杂质,方可进行下道工序。(见图)2)、保护:对不刷漆部位进行保护,要求使用保护胶带及彩条布。(见图)3)、刷防锈漆:涂饰时金属表面必须干燥、洁净,如有水汽凝聚,必须擦干后基层处理保护刷防锈漆局部刮腻子磨光第一遍腻子第一遍油漆湿 布 擦 净擦复补腻子磨光磨光第二遍油漆磨光第二遍腻子第三遍油漆清理验收下载后可任意编辑再涂饰,要满涂、涂匀。4)、局部刮腻子:对运输及搬运中轻微碰撞产生的凹凸不平处进行找平。5)、磨光:腻子找平后进行磨光。6)、满刮腻子:被涂饰物表面整体满刮腻子,要求均匀一致、平整。7)、磨光:用砂纸打磨光滑、平整。8)、第一遍油漆:前 7 项工作完成后经检验合格,进行油漆的第一遍涂抹,要求油漆用 100~120 目铜网进行过滤,配兑适量的配套稀料进行涂抹,每次配兑工作应由一个人来操作,稠度适中以涂抹后不流动为宜。9)、磨光:第一遍油漆干透后,即可进行水砂纸打磨,直到涂面小颗粒及杂质打磨光滑为止,但不可出现磨透现象。10)、复补腻子:对不平凹凸处再一次用腻子进行找平磨光。11)、第二遍油漆:同第 8 条。12)、磨光:同第 9 条。13)、湿布擦净:用洁净的白毛巾对整个作业面进行彻底擦净。14)、第三遍油漆:同第 8 条。15)、清理验收:按国家法律规范及标准验收。③、木质表面涂饰混色油漆的主要工序:④、施工方法:1)、基层处理:如木表面尘土较多,可用毛刷清扫或用 0 号砂纸打磨,油脂或胶渍可用温水、肥皂水清洗,再用清水将其清洗洁净;假如木材油脂较多,在节疤或虫眼处有的会渗出油脂,可用溶剂溶解或将其挖出,然后用同一种树种在挖处粘贴镶嵌。2)、磨砂纸:用细砂纸将木基层整体打磨一遍,主要目的将表面浮物及木毛磨掉。3)、节疤处点漆片:为防止节疤处树脂继续渗出,...

1、当您付费下载文档后,您只拥有了使用权限,并不意味着购买了版权,文档只能用于自身使用,不得用于其他商业用途(如 [转卖]进行直接盈利或[编辑后售卖]进行间接盈利)。
2、本站所有内容均由合作方或网友上传,本站不对文档的完整性、权威性及其观点立场正确性做任何保证或承诺!文档内容仅供研究参考,付费前请自行鉴别。
3、如文档内容存在违规,或者侵犯商业秘密、侵犯著作权等,请点击“违规举报”。

碎片内容

涂料工程施工方案

您可能关注的文档

确认删除?
VIP
微信客服
  • 扫码咨询
会员Q群
  • 会员专属群点击这里加入QQ群
客服邮箱
回到顶部