电脑桌面
添加小米粒文库到电脑桌面
安装后可以在桌面快捷访问

液氨储罐检查安装检验批施工质量验收表4.11.7VIP免费

液氨储罐检查安装检验批施工质量验收表4.11.7_第1页
1/6
液氨储罐检查安装检验批施工质量验收表4.11.7_第2页
2/6
液氨储罐检查安装检验批施工质量验收表4.11.7_第3页
3/6
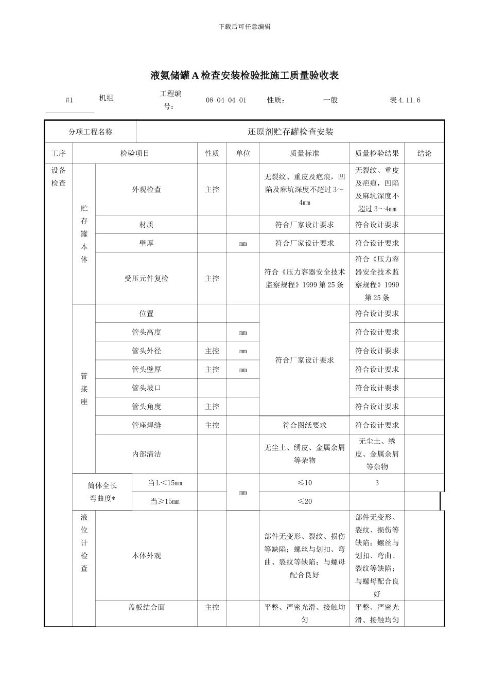
下载后可任意编辑表 A.14 验收申请表工程名称:华能南京电厂#1 锅炉烟气脱硝改造工程 编号:#1-SDDJ-AQ-A14-AZ-005致:西北电力工程监理公司华能南京电厂项目监理部我方已完成 液氨储罐检查安装 (检验批/分项工程/分部工程/单位工程),经三级自检合格,具备 四级 验收条件,现报上该工程验收申请表,请予以审查验收。附件:液氨储罐A检查安装检验批施工质量验收表 液氨储罐B检查安装检验批施工质量验收表承包单位(章):项目经理: 日 期: 项目监理机构意见:项目监理机构(章):专业监理工程师: 日 期: 建设单位审批意见:建设单位(章): 策划组专工: 工程管理组组长: 脱硝改造项目经理: 日 期: 填报说明:本表一式 4 份,由承包单位填报,建设单位、项目监理机构、承包单位各一份。下载后可任意编辑液氨储罐 A 检查安装检验批施工质量验收表#1机组工程编号:08-04-04-01性质:一般表 4.11.6分项工程名称还原剂贮存罐检查安装工序检验项目性质单位质量标准质量检验结果结论设备检查贮存罐本体外观检查主控无裂纹、重皮及疤痕,凹陷及麻坑深度不超过 3~4mm无裂纹、重皮及疤痕,凹陷及麻坑深度不超过 3~4mm材质符合厂家设计要求符合设计要求壁厚mm符合厂家设计要求符合设计要求受压元件复检主控符合《压力容器安全技术监察规程》1999 第 25 条符合《压力容器安全技术监察规程》1999第 25 条管接座位置符合厂家设计要求符合设计要求管头高度mm符合设计要求管头外径主控mm符合设计要求管头壁厚主控mm符合设计要求管头坡口符合设计要求管头角度主控符合设计要求管座焊缝主控符合图纸要求符合设计要求内部清洁无尘土、绣皮、金属余屑等杂物无尘土、绣皮、金属余屑等杂物筒体全长弯曲度*当 L<15mmmm≤103当≥15mm≤20液位计检查本体外观部件无变形、裂纹、损伤等缺陷;螺丝与划扣、弯曲、裂纹等缺陷;与螺母配合良好部件无变形、裂纹、损伤等缺陷;螺丝与划扣、弯曲、裂纹等缺陷;与螺母配合良好盖板结合面主控平整、严密光滑、接触均匀平整、严密光滑、接触均匀下载后可任意编辑阀门主控阀芯与阀座密封面严密,填料装填正确,阀门开关灵活阀芯与阀座密封面严密,填料装填正确,阀门开关灵活盖板结合面面垫片符合图纸要求符合图纸要求液位计水压试验主控无泄漏无泄漏人孔门结合面平整,无径向贯穿性伤痕,局部伤痕≤0.5mm平整,无径向贯穿性伤痕其他焊缝主控符合图纸要求符合图纸要求设备安装标高偏差主控mm...

1、当您付费下载文档后,您只拥有了使用权限,并不意味着购买了版权,文档只能用于自身使用,不得用于其他商业用途(如 [转卖]进行直接盈利或[编辑后售卖]进行间接盈利)。
2、本站所有内容均由合作方或网友上传,本站不对文档的完整性、权威性及其观点立场正确性做任何保证或承诺!文档内容仅供研究参考,付费前请自行鉴别。
3、如文档内容存在违规,或者侵犯商业秘密、侵犯著作权等,请点击“违规举报”。

碎片内容

液氨储罐检查安装检验批施工质量验收表4.11.7

确认删除?
VIP
微信客服
  • 扫码咨询
会员Q群
  • 会员专属群点击这里加入QQ群
客服邮箱
回到顶部