电脑桌面
添加小米粒文库到电脑桌面
安装后可以在桌面快捷访问

涵洞工程施工方案及工艺VIP免费

涵洞工程施工方案及工艺_第1页
1/13
涵洞工程施工方案及工艺_第2页
2/13
涵洞工程施工方案及工艺_第3页
3/13
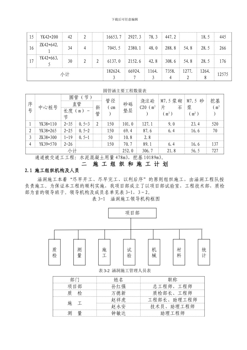
下载后可任意编辑涵洞工程专项施工方案及施工工艺一 工 程 概 述1.1 工程简介1、本标段起讫桩号为 K37+936.714~YK42+750,路线长 4.813km。本标段设涵洞和通道共 21 道(主线),其中钢筋砼盖板涵 8 道,钢筋砼盖板通道 9 道;钢筋砼圆管涵 4 道。类型、构造及功能见下表:类型、构造及功能序号中心桩号交角(°)长度(m)结构形式及功能1YK37+953 9048.751-4×3.5 整体式,钢筋砼盖板进出口八字墙,排水兼人通2YK38+11013574.31-φ1.5 钢筋砼圆管涵进出水口锥坡,排水3YK38+26590511-φ1.5 钢筋砼圆管涵进出水口锥坡,排水4YK38+27890421-6×4.0 分离式,钢筋砼盖板进出口八字墙,汽车通道兼排水5ZK38+3009019.51-φ0.5 钢筋砼圆管涵进水口跌井,出水口接急流槽,排水6ZK38+616.56520.32-4×2.7 分离式,钢筋砼盖板进出口八字墙,拖拉机通道兼排水7YK38+6256524.32-4×2.7 分离式,钢筋砼盖板进出口八字墙,拖拉机通道兼排水8ZK38+9504535.251-4×3.5 整体式,钢筋砼盖板进出口八字墙,车行通道兼排水9YK38+9744528.51-4×3.5 分离式,钢筋砼盖板进出口八字墙,车行通道兼排水10YK39+57090521-φ1.5 钢筋砼圆管涵进出水口锥坡,排水11ZK39+7107051.941-4×3.0 整体式,钢筋砼盖板进出口八字墙,人行通道兼灌溉12K39+89090372-4×3.5 分离式,钢筋砼盖板进出口八字墙,车行通道兼排水13K40+41512051.811-3×2.5 整体式,钢筋砼盖板进口八字墙,出口接沟,排水14K41+05012040.051-4×3.5 分离式,钢筋砼盖板进出口八字墙,排水兼人通15K41+504.590401-2×2.0 分离式,钢筋砼盖板进口跌井,出口八字墙,排水16K41+67090371-4×3.0 整体式,钢筋砼盖板进出口八字墙,人行通道兼排水17K41+7627538.891-2×2.0 分离式,钢筋砼盖板进口跌井,出口八字墙,排水18YK41+95010542.911-3×2.5 整体式,钢筋砼盖板进出口八字墙,排水19YK42+2009043.51-4×3.0 整体式,钢筋砼盖板进出口接路面,人行通道兼下载后可任意编辑灌溉20ZK42+642.14545.71-3×2.5 整体式,钢筋砼盖板进出口八字墙,排水21YK42+663.54541.71-3×2.5 整体式,钢筋砼盖板进出口八字墙,排水2、ZK38+300 管节为 C25 砼,端部管基为 M7.5 浆砌片石。3、所有通道进出口各 20m 铺设路面接原路,路面共用混凝土 478m3;进出口改设边沟涵的通道有: (1)YK38+278 进出口改设 1-φ0.5m 边沟涵,长度 10.0m;(2)ZK38+950 进出口改设 1-φ0...

1、当您付费下载文档后,您只拥有了使用权限,并不意味着购买了版权,文档只能用于自身使用,不得用于其他商业用途(如 [转卖]进行直接盈利或[编辑后售卖]进行间接盈利)。
2、本站所有内容均由合作方或网友上传,本站不对文档的完整性、权威性及其观点立场正确性做任何保证或承诺!文档内容仅供研究参考,付费前请自行鉴别。
3、如文档内容存在违规,或者侵犯商业秘密、侵犯著作权等,请点击“违规举报”。

碎片内容

涵洞工程施工方案及工艺

确认删除?
VIP
微信客服
  • 扫码咨询
会员Q群
  • 会员专属群点击这里加入QQ群
客服邮箱
回到顶部