电脑桌面
添加小米粒文库到电脑桌面
安装后可以在桌面快捷访问

清远水泥砼路面施工方案VIP免费

清远水泥砼路面施工方案_第1页
1/9
清远水泥砼路面施工方案_第2页
2/9
清远水泥砼路面施工方案_第3页
3/9
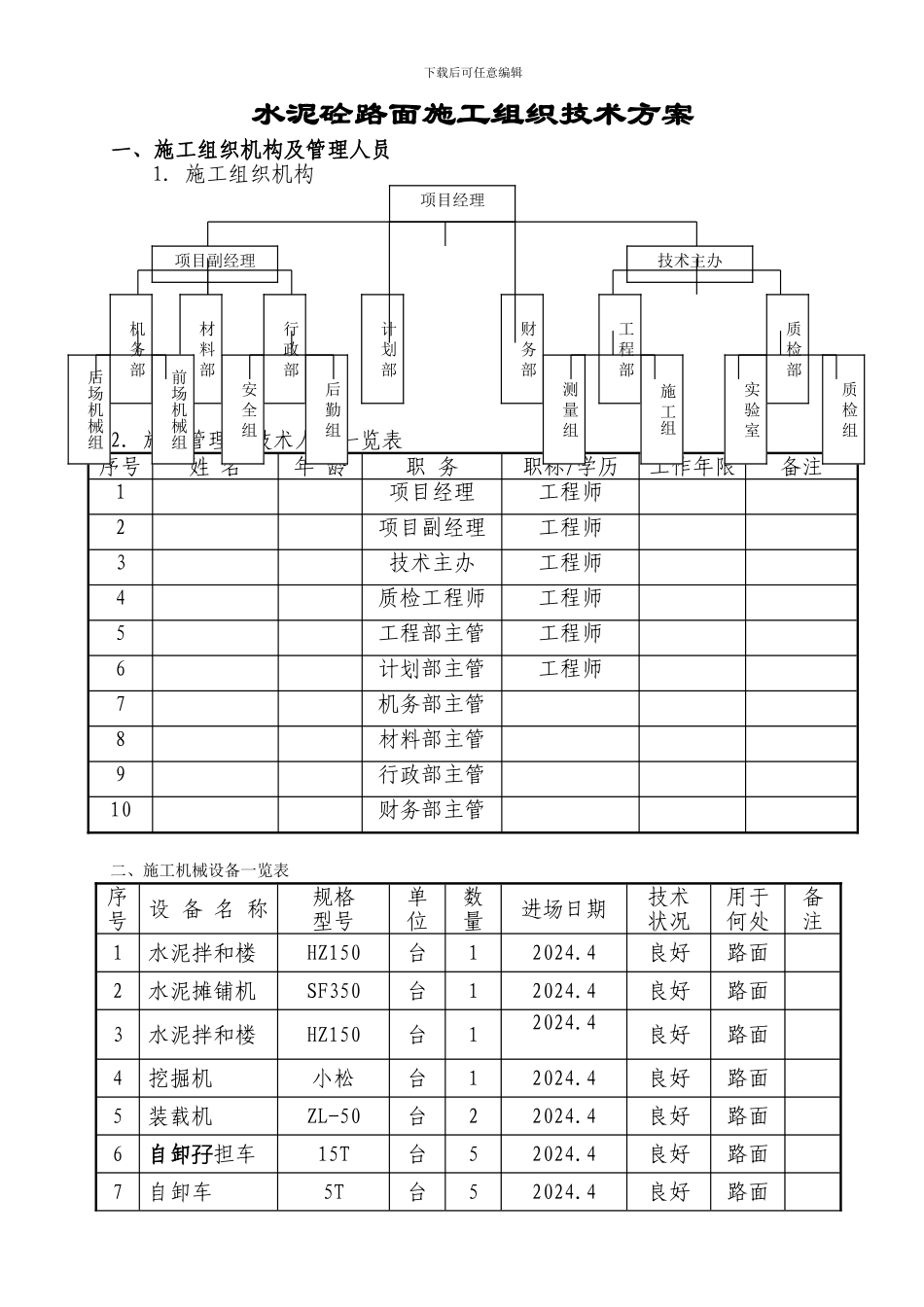
下载后可任意编辑水泥砼路面施工组织技术方案一、施工组织机构及管理人员1.施工组织机构2.施工管理和技术人员一览表序号姓 名年 龄职 务职称/学历工作年限备注1项目经理工程师2项目副经理工程师3技术主办工程师4质检工程师工程师5工程部主管工程师6计划部主管工程师7机务部主管8材料部主管9行政部主管10财务部主管二、施工机械设备一览表序号设 备 名 称规格型号单位数量进场日期技术状况用于何处备注1水泥拌和楼HZ150台12024.4良好路面2水泥摊铺机SF350台12024.4良好路面3水泥拌和楼HZ150台12024.4良好路面4挖掘机小松台12024.4良好路面5装载机ZL-50台22024.4良好路面6自卸担车孖15T台52024.4良好路面7自卸车5T台52024.4良好路面项目经理项目副经理技术主办机 务 部材 料 部行 政 部计 划 部财 务 部质 检 部工 程 部后场机械组前场机械组安 全 组后 勤 组测 量 组施 工组实 验 室质 检 组下载后可任意编辑8洒水车8000L辆12024.4良好路面9发电机20KW台22024.4良好路面10发电机30KW台12024.4良好路面11切缝机台22024.4良好路面12交通车辆32024.4良好三、施工技术方案(一) 施工前准备1、材料1)本工程所用的水泥、碎石、砂、水、钢筋及外加剂等材料,须符合现行有关法律规范和设计文件要求。业主供应和自购材料均须做好原材料进场的把关,杜绝不合格材料进场。2)开工前备料应不少于连续施工 10 天的数量,对材料的堆放场地进行合理布置,便于施工,提高效率。2、配合比设计本工程的水泥砼配合比分机械摊铺和人工摊铺两种。机械摊铺的混凝土的最大水灰比不超过 0.44,砂率采纳不大于 37 %。水泥用量 345kg/m3,采纳的配合比为水泥:1-15mm 碎石:15-30mm 碎石:砂:水:外加剂=345:369:861:723:152:4.485;备用配合比为 1-15mm 碎石:15-30 mm 碎石:砂:水:外加剂=348:374:873:702:153:5.22,水泥采纳 牌 P.O42.5 水泥;人工摊铺的混凝土的最大水灰比不超过 0.44,砂率采纳不大于 37%。水泥用量 345kg/m3,采纳的配合比为 1-15mm 碎石:15-30mm 碎石:砂:水:外加剂=345:369:861:723:152:4.485;备用配合比为 1-15mm 碎石:15-30mm碎石:砂:水:外加剂=348:374:873:702:153:5.22,水泥采纳 牌 P.O42.5 水泥。3、前后场机械配备:1)前场机械:挖掘机一台,进行分料工作,SF350 滑模摊铺机一台,可同时完成布料、摊铺水泥砼路面工作,摊铺宽度 8.75m,厚度...

1、当您付费下载文档后,您只拥有了使用权限,并不意味着购买了版权,文档只能用于自身使用,不得用于其他商业用途(如 [转卖]进行直接盈利或[编辑后售卖]进行间接盈利)。
2、本站所有内容均由合作方或网友上传,本站不对文档的完整性、权威性及其观点立场正确性做任何保证或承诺!文档内容仅供研究参考,付费前请自行鉴别。
3、如文档内容存在违规,或者侵犯商业秘密、侵犯著作权等,请点击“违规举报”。

碎片内容

清远水泥砼路面施工方案

文森传品+ 关注
实名认证
内容提供者

一家传播文化教育的小店,资料丰富,随意挑选。

确认删除?
VIP
微信客服
  • 扫码咨询
会员Q群
  • 会员专属群点击这里加入QQ群
客服邮箱
回到顶部