电脑桌面
添加小米粒文库到电脑桌面
安装后可以在桌面快捷访问

来料检验作业指导书VIP免费

来料检验作业指导书_第1页
1/16
来料检验作业指导书_第2页
2/16
来料检验作业指导书_第3页
3/16
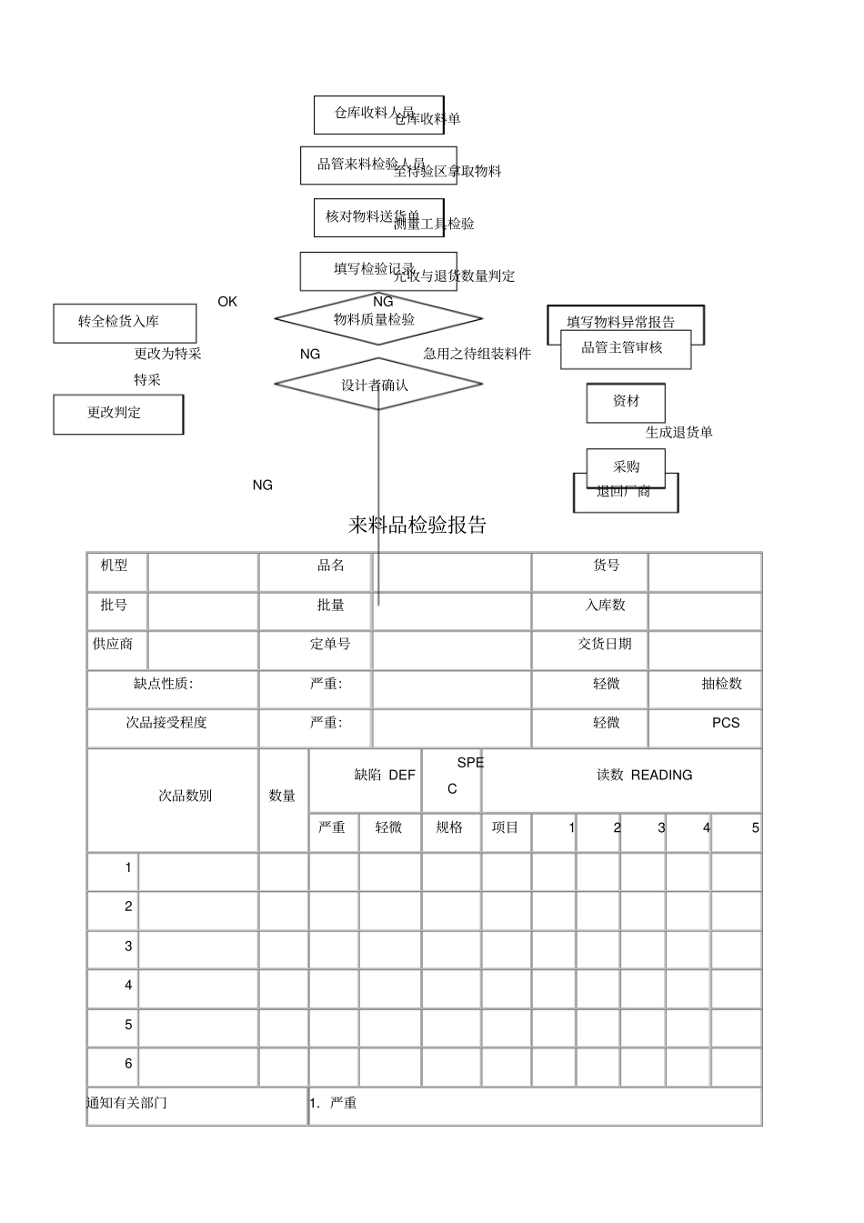
来料检验作业指导书目的:对 IQC 品检人员的作业方法及流程进行规范, 提高 IQC 检验作业水平,控制来料不良,提高品质。1、实用范围:来料进料检验2、质检步骤( 1)来料暂收( 2)来料检查( 3)物料入库3、质检要点及规范( 1)来料暂收:仓管收到供应商的送货单后根据送货单核对来料:数量,种类及标签内容等无误后送交IQC检验,予以暂收,并签回货单给来料厂商。( 2)来料检查: IQC 品检人员收到进料验收单后,依验收单和采购单核对来料与标签内容是否相符,来料规格,种类;是否相符,如不符拒检验,并通知仓管、采购及生管,如符合,则进行下一步检验。一般先抽查来料的一定比例(以仓库来料质检标准),查看品质情况,再决定入库全检,还是退料。( 3)检查内容:( 1)外观:自然光或日光灯下,距离样品30CM目视;( 2)尺寸规格:用卡尺/ 钢尺测量,厚度用卡尺/ 外径千分尺测量;( 3)粘性分别按: GB/T4852-2002 、GB/T4851-1998 、GB/T2792-1998 中方法执行,结果记录于《可靠度测试报告》中;( 4)包装完好、标识正确、完整、清晰,环保材料查看是否贴有相应的环保标签,第一批进料时要附SGS报告及物质安全表及客户要求的其它有害物质检测报告;( 5)检验合格后贴上合格标签,填写《物料检验表》并通知仓库入库,仓库要按材料类型(环保与实用型)及种类分开放置标示清楚,成品料由IQC 人员包装放于待出货区。以仓库物料质检标准。( 6)物料入库:检查完毕,要提交《原材料进库验货》交上级处理,并对合格暂收物料进行入库登记。异常物料特《原材料进库验货》批示后,按批示处理。4、注意事项( 1)要保持物料的整洁。( 2)贵重物品及特殊要求物料要逐一检查。( 3)新的物料需给技术开发部确认。5、异常处理办法物料在检验过程中发现异常,即时向采购及品管主管反映,录求解决方法,尽快处理。6、不合格品的处理:( 1)IQC 判定为不合格时,在产品包装外贴上退货/ 拒收标签,把产品转移到不合格/ 退货区域,并报品质主管确认签字后,送采购/ 生管签名后发到供应商,供应商未在2 个工作日内回复的报仓库直接作退货处理;如为急料,经品质主管与采购,生管,业务协商后,呈经理审批,按评审意见办理;( 2)跟据供应商提供的改善方案,IQC 品管员对下批来料改善效果进行确认,并记录结果。7、材料环保要求管理:( 1)原材料必须符合无毒或低毒环保要求,且符合国际环境保护之法律法规要...

1、当您付费下载文档后,您只拥有了使用权限,并不意味着购买了版权,文档只能用于自身使用,不得用于其他商业用途(如 [转卖]进行直接盈利或[编辑后售卖]进行间接盈利)。
2、本站所有内容均由合作方或网友上传,本站不对文档的完整性、权威性及其观点立场正确性做任何保证或承诺!文档内容仅供研究参考,付费前请自行鉴别。
3、如文档内容存在违规,或者侵犯商业秘密、侵犯著作权等,请点击“违规举报”。

碎片内容

来料检验作业指导书

您可能关注的文档

文库当当响+ 关注
实名认证
内容提供者

该用户很懒,什么也没介绍

确认删除?
VIP
微信客服
  • 扫码咨询
会员Q群
  • 会员专属群点击这里加入QQ群
客服邮箱
回到顶部