电脑桌面
添加小米粒文库到电脑桌面
安装后可以在桌面快捷访问

杨超电控教师教学案VIP免费

杨超电控教师教学案_第1页
1/7
杨超电控教师教学案_第2页
2/7
杨超电控教师教学案_第3页
3/7
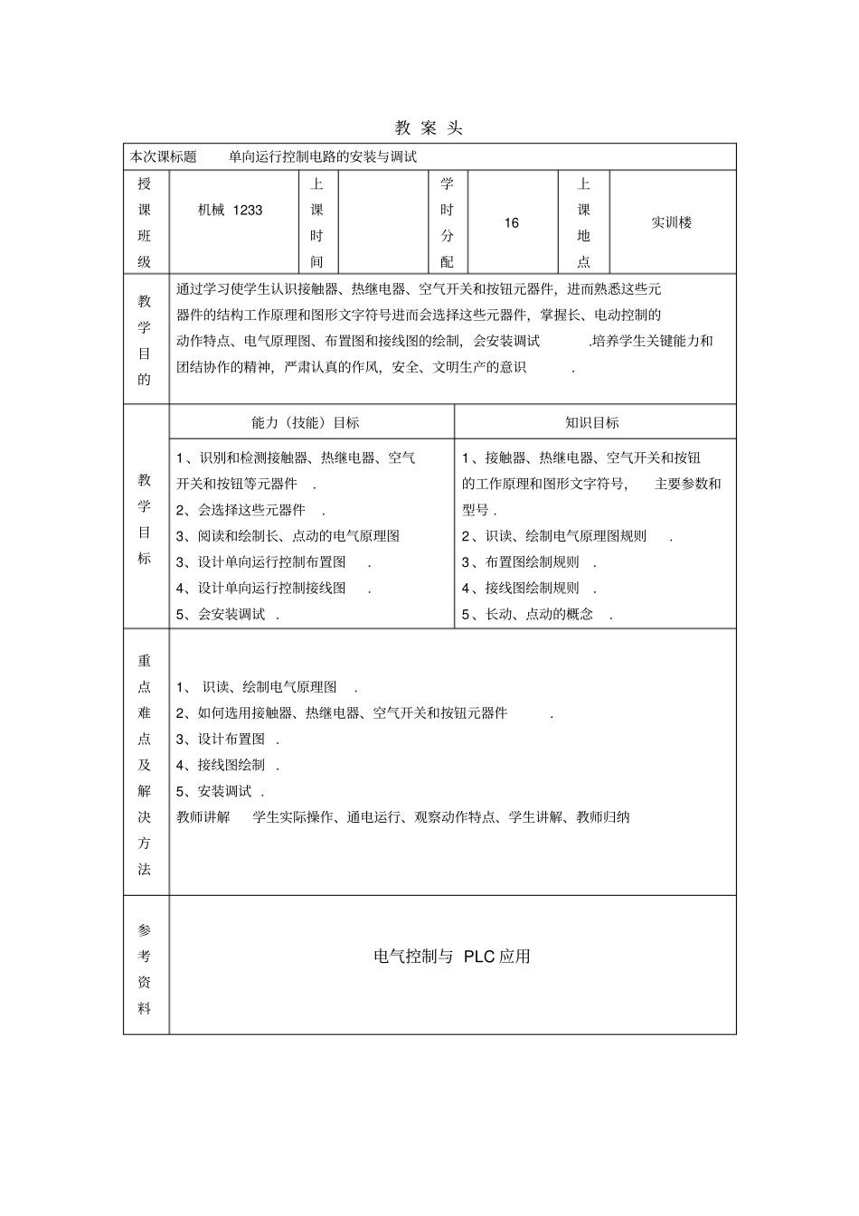
教 案 头本次课标题单向运行控制电路的安装与调试授课班级机械 1233 上课时间学时分配16 上课地点实训楼教学目的通过学习使学生认识接触器、热继电器、空气开关和按钮元器件,进而熟悉这些元器件的结构工作原理和图形文字符号进而会选择这些元器件,掌握长、电动控制的动作特点、电气原理图、布置图和接线图的绘制,会安装调试.培养学生关键能力和团结协作的精神,严肃认真的作风,安全、文明生产的意识. 教学目标能力(技能)目标知识目标1 、识别和检测接触器、热继电器、空气开关和按钮等元器件. 2、会选择这些元器件. 3、阅读和绘制长、点动的电气原理图3、设计单向运行控制布置图. 4、设计单向运行控制接线图. 5、会安装调试 . 1 、接触器、热继电器、空气开关和按钮的工作原理和图形文字符号,主要参数和型号 . 2 、识读、绘制电气原理图规则. 3 、布置图绘制规则. 4 、接线图绘制规则. 5 、长动、点动的概念. 重点难点及解决方法1、 识读、绘制电气原理图. 2、如何选用接触器、热继电器、空气开关和按钮元器件. 3、设计布置图 . 4、接线图绘制 . 5、安装调试 . 教师讲解学生实际操作、通电运行、观察动作特点、学生讲解、教师归纳参考资料电气控制与 PLC 应用教案编写步骤教学内容教学方法教学手段学生活动告知 (教学内容、目的 ) 从电动机运转现象入手识别常用低压电器元件及其图形符号进而了解结构,掌握其工作原理为安装检修设计电气控制电路奠定基础.培养学生关键能力和团结协作的精神,严肃认真的作风,安全、文明生产的意识 . 讲授(口述 ) 设问板 书 、实 物 演示个别回答引入 (任务项目 ) 电动 机的运转是如何通过元气件控制的?演示任务驱动启发 提问讨论实物展示板书小组讨论代表发言互相点评操练 (掌握初步或基本能力 ) 1、 连接(按教师给的电气分解原理图)2、 检测3、 通电运行观察动作特点任务驱动教师示范演示演示板书学生观察深化 (加深对基本能力的体会 ) 绘制布置图绘制设计接线图安装调试长动控制任务驱动启发 诱导重点讲解实际演示板书学生操作小组讲解归纳 (知识和能力 ) 能力 1 识别并选择电气元件能力 2 识别检测元气件的好坏能力 3 识读绘制电气原理图能力 4 绘制接线图能力 5 安装调试知识点 1 元器件的工作原理知识点 2 单向运行控制原理知识点 3 点动与长动在教师引导下先由学生总结教师再归纳实际演示板书小组讨论代表发言训...

1、当您付费下载文档后,您只拥有了使用权限,并不意味着购买了版权,文档只能用于自身使用,不得用于其他商业用途(如 [转卖]进行直接盈利或[编辑后售卖]进行间接盈利)。
2、本站所有内容均由合作方或网友上传,本站不对文档的完整性、权威性及其观点立场正确性做任何保证或承诺!文档内容仅供研究参考,付费前请自行鉴别。
3、如文档内容存在违规,或者侵犯商业秘密、侵犯著作权等,请点击“违规举报”。

碎片内容

杨超电控教师教学案

确认删除?
VIP
微信客服
  • 扫码咨询
会员Q群
  • 会员专属群点击这里加入QQ群
客服邮箱
回到顶部