电脑桌面
添加小米粒文库到电脑桌面
安装后可以在桌面快捷访问

杭州研特科技YT-YS3000压缩试验机说明书VIP免费

杭州研特科技YT-YS3000压缩试验机说明书_第1页
1/12
杭州研特科技YT-YS3000压缩试验机说明书_第2页
2/12
杭州研特科技YT-YS3000压缩试验机说明书_第3页
3/12
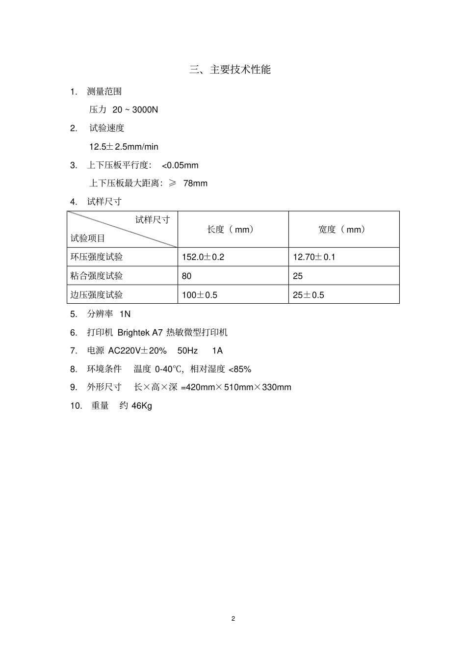
1 一、简介YT-YS3000 压缩试验机系我公司按新国家标准规定研究开发的一种新型仪器。仪器采用国内外先进的元器件、配套部件、单片微机,进行合理构造和多功能设计。配置液晶中文显示,具有标准中包含的各项参数测试、转换、调节、显示、记忆、打印等功能。具有数据处理功能,可直接得出各项数据的统计结果,还具有过量程保护和故障自诊断功能。仪器结构紧凑、 体积小、重量轻、功能全, 容易调节, 操作简单, 性能稳定。是纸板抗压强度性能检测的基本仪器。仪器配备相应辅助工具可进行以下试验:——配备环压试验中心盘和环压专用取样器,进行纸板环压强度试验(RCT) ——配备边压 (粘合) 试验取样器和辅助导块, 进行瓦楞纸板边压强度试验(ECT) ——配备剥离强度试验架,进行瓦楞纸板粘合(剥离)强度试验 (PAT) ——配备平压试验取样器,进行瓦楞纸板平压强度试验(FCT) ——配备槽纹仪和辅助器具,进行实验室槽纹试验(CCT 和 CMT)二、标准依据本仪器参数、功能符合条例国家标准:GB/T 2679.8-1995 《纸板环压强度测定法》GB/T 6548-1998 《瓦楞纸板粘合强度测定方法》GB/T 6546-1998 《瓦楞纸板边压强度测定法》GB/T 2679.6-1996 《瓦楞芯平压强度的测定法》2 三、主要技术性能1. 测量范围压力 20 ~ 3000N 2.试验速度12.5±2.5mm/min 3. 上下压板平行度: <0.05mm 上下压板最大距离:≥ 78mm 4. 试样尺寸试样尺寸试验项目长度( mm)宽度( mm)环压强度试验152.0±0.2 12.70±0.1 粘合强度试验80 25 边压强度试验100±0.5 25±0.5 5. 分辨率 1N 6. 打印机 Brightek A7 热敏微型打印机7. 电源 AC220V±20%50Hz 1A 8. 环境条件温度 0-40℃,相对湿度 <85% 9. 外形尺寸长×高×深 =420mm×510mm×330mm 10. 重量约 46Kg 3 四、构造( 背 面 )4 五、安置1、仪器应安放在坚固平稳的平台上。2、电源线插入仪器右后下部的电源插座,以便为仪器供电。六、面板说明面板按键分布如下图:1“试验选择”键:用于选择要试验的项目。2“参数设置”键:置入试样定量【此计算环压指数】(按 1 次);压差设置(按2 次)【当前压力 <峰值压力 -压差 时测试完成,下压板返回】 。3“↙”键,所有菜单项的确认或退出。4“功能”键:用于力值准确度校验(按1 次);修改系统时间(按2 次)。5“▲”键:调数 0-9,“提取”、“统计”操作中翻页。6“? ”键:数字位移位。7“测...

1、当您付费下载文档后,您只拥有了使用权限,并不意味着购买了版权,文档只能用于自身使用,不得用于其他商业用途(如 [转卖]进行直接盈利或[编辑后售卖]进行间接盈利)。
2、本站所有内容均由合作方或网友上传,本站不对文档的完整性、权威性及其观点立场正确性做任何保证或承诺!文档内容仅供研究参考,付费前请自行鉴别。
3、如文档内容存在违规,或者侵犯商业秘密、侵犯著作权等,请点击“违规举报”。

碎片内容

杭州研特科技YT-YS3000压缩试验机说明书

您可能关注的文档

确认删除?
VIP
微信客服
  • 扫码咨询
会员Q群
  • 会员专属群点击这里加入QQ群
客服邮箱
回到顶部