电脑桌面
添加小米粒文库到电脑桌面
安装后可以在桌面快捷访问

某公司煤制天然气项目可研报告简本VIP免费

某公司煤制天然气项目可研报告简本_第1页
1/15
某公司煤制天然气项目可研报告简本_第2页
2/15
某公司煤制天然气项目可研报告简本_第3页
3/15
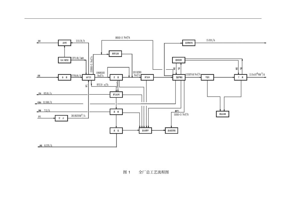
日产 1200 万 m3煤制天然气项目环境影响报告书简本日产 1200 万 m3 煤制天然气项目环境影响报告书目前已基本编制完成,即将报送环境保护行政主管部门审批,按照环批2006[28 号] 《环境影响评价公众参与暂行办法》有关规定,须向公众公开本项目环境影响报告书简本,具体如下:一、建设项目概况1.1 项目名称、地点、建设性质及建设周期(1)项目名称:日产1200 万 m3煤制天然气项目(2)建设地点:(3)建设性质:新建1.2 项目工程概况(1)产品方案本项目主要产品方案见表1。表 1 项目产品方案类别序号产品方案单位数量产品( 1)天然气万 Nm3/d 1200 副产品( 1)石脑油万 t/a 10.128 ( 2)焦油万 t/a 50.88 ( 3)硫磺万 t/a 11.35 ( 4)粗酚万 t/a 5.76 (2)项目投资本项目总投资 2268074.36 万元,其中建设投资 2060720.02 万元,流动资金 15332.16万元。(3)项目占地、定员及操作时数本项目占地 250ha,定员 1678 人,其中生产工人 1559 人,管理和技术人员 119 人,年操作时数为 8000 小时(约 333 天)。(4)项目建设内容工艺技术:本项目拟采用xxx 煤田煤炭为原料,采用“SHELL粉煤气化、变换、低温甲醇洗气体净化、鲁奇富氧克劳斯硫回收、甲烷化、煤气水分离等工艺技术生产产品天然气和副产品硫磺、石脑油、焦油、粗酚、液氨等。主体工程:主要包括备煤装置(2×3 系列)、碎煤加压气化装置( 3 系列)、气体变换装置( 6 系列)、煤气净化装置( 6 系列)、吸收制冷装置( 6 系列)、甲烷化装置( 6系列)辅助装置:主要包括硫回收装置(3 系列)、煤气水分离装置( 6 系列)、酚回收装置(单系列)、氨回收装置( 3 系列)、空分( 6 套)等。配套公辅工程: 热电站(装置规模为 7×470t/h 锅炉、5×100MW抽汽供热直接空冷机组)、给排水系统、循环冷却水系统、含盐污水处理回用系统、污水处理系统、火炬、消防系统、中央控制室等。其他设施:综合楼、环境监测站、食堂等。1.3 工艺流程方案全厂总工艺流程方案见图1。二、污染物产生及排放情况本项目污染物产生及排放情况见表2~5。图 1 全厂总工艺流程图表 2 本项目废气排放情况表装置名称污染源名称排放量Nm3/h 污染物排放参数达标情况名称浓度mg/Nm3速率kg/h高度m方式备煤装置第一~三转运站除尘尾气14000×2 ×3 粉尘100 8.4 12.5 连续达到 GB14554-93《恶臭污染物排放标准》和 GB16297-...

1、当您付费下载文档后,您只拥有了使用权限,并不意味着购买了版权,文档只能用于自身使用,不得用于其他商业用途(如 [转卖]进行直接盈利或[编辑后售卖]进行间接盈利)。
2、本站所有内容均由合作方或网友上传,本站不对文档的完整性、权威性及其观点立场正确性做任何保证或承诺!文档内容仅供研究参考,付费前请自行鉴别。
3、如文档内容存在违规,或者侵犯商业秘密、侵犯著作权等,请点击“违规举报”。

碎片内容

某公司煤制天然气项目可研报告简本

您可能关注的文档

确认删除?
VIP
微信客服
  • 扫码咨询
会员Q群
  • 会员专属群点击这里加入QQ群
客服邮箱
回到顶部