电脑桌面
添加小米粒文库到电脑桌面
安装后可以在桌面快捷访问

某大桥高墩塔吊安装方案VIP专享VIP免费

某大桥高墩塔吊安装方案_第1页
1/5
某大桥高墩塔吊安装方案_第2页
2/5
某大桥高墩塔吊安装方案_第3页
3/5
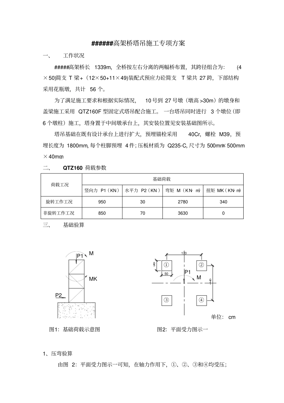
######高架桥塔吊施工专项方案一、工作状况#####高架桥长1339m,全桥按左右分离的两幅桥布置,其跨径组合为:(4×50)简支 T 梁+(12×50+11×49)装配式预应力砼简支T 梁共 27 跨,下部结构采用花瓶墩,共计56 个。为了满足施工要求和根据实际情况,10 号到 27 号墩(墩高 >30m)的墩身和盖梁施工采用 QTZ160F 型固定式塔吊配合施工。 一台塔吊同时进行3 个墩位(即6 个墩柱)施工,塔身置于中间墩承台上,其安装位置见安装基础图所示。塔吊基础在既有设计承台上进行扩大,预埋锚栓采用40Cr,螺栓 M39,预埋长度为 1800mm,每个柱脚预埋 4 件;压板材质为 Q235-C,尺寸为 500mm×500mm×40mm。二、QTZ160 荷载参数荷载工况基础荷载竖向力 P1(KN) 水平力 P2(KN ) 弯矩 M(KN· m) 扭矩 MK( KN· m)旋转工作工况950 30 2780 340 非旋转工作工况850 70 3630 0 三、基础验算1、压弯验算由图 2:平面受力图示一可知,在轴力作用下,①、②、③和④均受压;图1:基础荷载示意图P2MKP1MP1M图2:平面受力图示一1701705050单位: cm①②③④弯矩作用下①和③受拉,②和④受压27.141maxMPP压4127.1maxPMP拉旋转工作工况:KNP105627.127804950max压KNP581495027.12780max拉非旋转工作工况:KNP128127.136304850max压KNP856485027.13630max拉取非旋转工作工况进行压弯验算,1)压力作用下,混凝土局部抗压验算:压板尺寸为 500mm×500mm,局部压力MPaMPap3.142.55005001281A Smaxmax压满足要求;2)拉力作用下,锚杆抗拨验算:锚杆采用 M39,锚固长度mmdmml14433937371800,每个柱脚预埋 4 根锚栓,满足要求。2、扭转抗剪计算:扭转工作工况:KNMKF2832.134022170剪每个柱脚预埋 4 根锚栓,故每根锚栓受到的剪力为:1701705050单位: cmMK图3:平面受力图示二MPafMPaApfS31522097648564maxmax拉KNFF70.842834剪剪MPaMPaAFS18054.2797670.8max剪满足要求。3、配筋计算由于塔吊基础是扩大承台兼作,原则上应考虑基础荷载和墩柱荷载同时作用,而引起的偏心弯矩,但实际上塔吊引起的荷载仅为墩柱荷载的5%,小于墩柱的偶然偏心, 所以扩大部分的配筋按照承台配筋原则就可以满足要求,为不影响承台在施工完毕正常使用期期间的使用功能,在原承台钢筋的基础上进行扩大部分钢筋的焊接。四、基础施工采用塔吊专用地脚螺栓预埋在承台及扩大部分上,预埋时四块压板必须处于同一水平面上。 地脚螺栓与承台钢筋连...

1、当您付费下载文档后,您只拥有了使用权限,并不意味着购买了版权,文档只能用于自身使用,不得用于其他商业用途(如 [转卖]进行直接盈利或[编辑后售卖]进行间接盈利)。
2、本站所有内容均由合作方或网友上传,本站不对文档的完整性、权威性及其观点立场正确性做任何保证或承诺!文档内容仅供研究参考,付费前请自行鉴别。
3、如文档内容存在违规,或者侵犯商业秘密、侵犯著作权等,请点击“违规举报”。

碎片内容

某大桥高墩塔吊安装方案

确认删除?
VIP
微信客服
  • 扫码咨询
会员Q群
  • 会员专属群点击这里加入QQ群
客服邮箱
回到顶部