电脑桌面
添加小米粒文库到电脑桌面
安装后可以在桌面快捷访问

溴冷机拆除方案VIP免费

溴冷机拆除方案_第1页
1/14
溴冷机拆除方案_第2页
2/14
溴冷机拆除方案_第3页
3/14
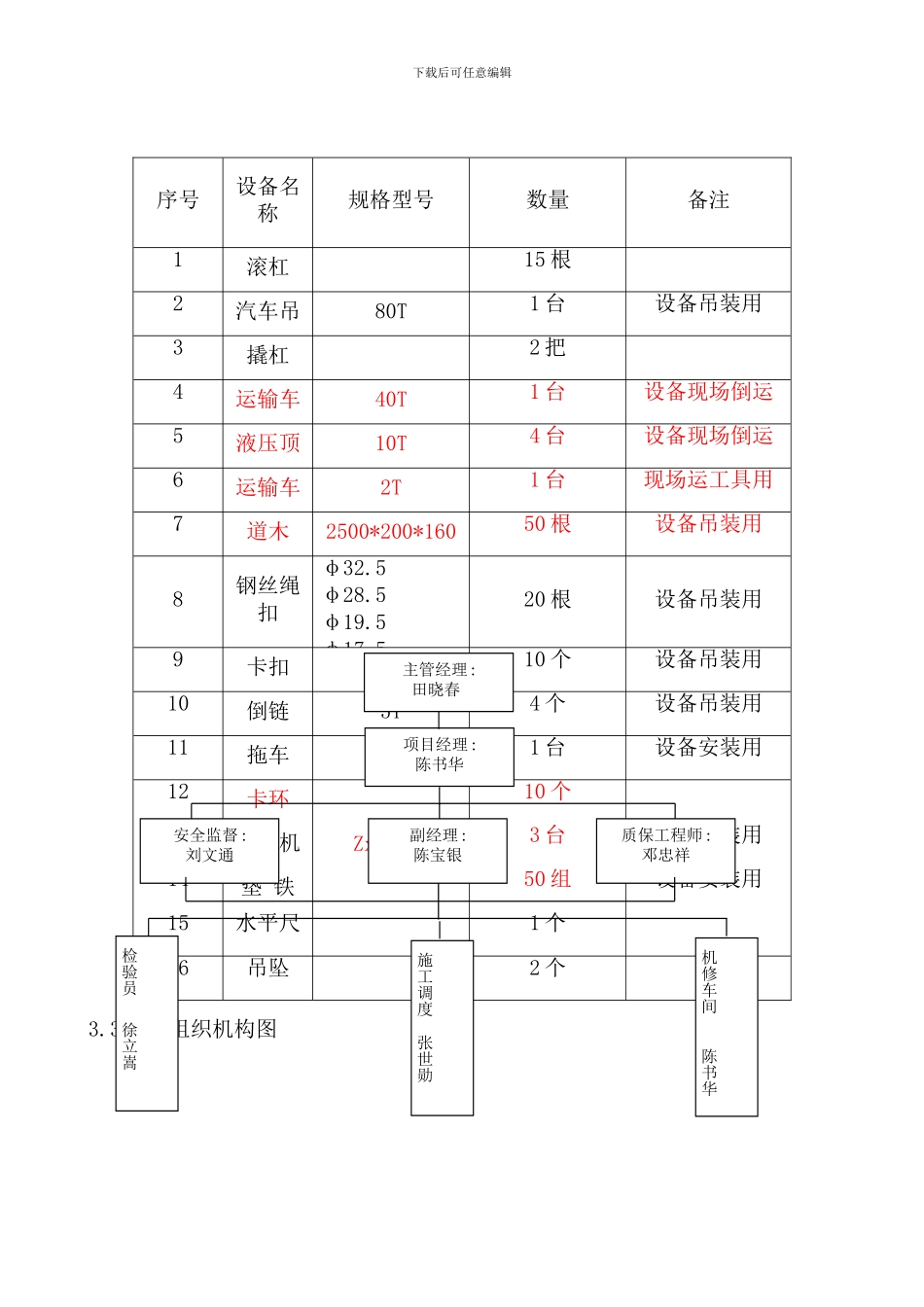
下载后可任意编辑溴化锂冷却机拆除施工方案编制: 审核: 批准: 天津津滨石化设备有限公司聚酯分公司机修车间2024 年 7 月 23 日下载后可任意编辑1.项目概况:聚酯部由于装置产量的不断提高,为保证溴化锂冷却机运转的稳定并且能够适应聚酯部的工艺要求。聚酯部决定循环冷却水改造项目其中 4#溴化锂冷却机的拆除工作由津滨公司聚酯分公司机修车间完成。 2.编写依据:1. 《工业安装工程质量检验评定统一标准》GB50252-942. 《石油化工施工安全技术规程》SH3505-19993. 《机械设备安装工程施工及验收法律规范》GB50231-986. 《石油化工设备安装工程质量检验评定标准》SH3514-20017. 《工程建设交工技术文件规定》SH3503-200X8. 天津分公司的《HSE 管理规定》9. 本公司的相关技术文件及资源配置情况3.施工部署3.4#溴化锂冷却机拆除需用一周时间。3.2 施工准备3.2.1 熟悉溴化锂冷却机和施工现场的具体构造,制定合理的施工步骤,制作专用的拆卸工具。3.2.2 溴化锂冷却机拆除所用设备、工具、联络。下载后可任意编辑3.3 施工组织机构图序号设备名称规格型号数量备注1滚杠15 根2汽车吊80T1 台设备吊装用3撬杠2 把4运输车40T1 台设备现场倒运5液压顶10T4 台设备现场倒运6运输车2T1 台现场运工具用7道木2500*200*16050 根设备吊装用8钢丝绳扣φ32.5 φ28.5φ19.5 φ17.520 根设备吊装用9卡扣5t10 个设备吊装用10倒链5T4 个设备吊装用11拖车10T1 台设备安装用12卡环10 个13电焊机Zx7-4003 台设备安装用14垫 铁50 组设备安装用15水平尺1 个16吊坠2 个项目经理 :陈书华安全监督 :刘文通施工调度 张世勋主管经理 : 田晓春质保工程师 :邓忠祥副经理 :陈宝银检验员 徐立嵩机修车间 陈书华下载后可任意编辑3.43.3 质量管理根据本工程特点,建立质量保证体系如下。4. 溴化锂冷却机拆除方案4.1 现场准备4.2 把所有设备、工具、联络、防护用品运到现场。4.3 作业所有票证按要求办好并进行确认。4.4 临时用电要进行负载确认以保证用电安全。4.5 把拆卸和吊装设备进行连接调试拆卸做好准备。4.6 拆除底角螺栓4.7 断开电源拆除所有与之连接的用电设备及电线。4.8 拆除过程中如遇到拆除难度较大的部件,在不破坏设备本身的前提下用气割的方式予以拆除。4.6 在设备拆除运至车间外部前,先用液压顶将设备顶起。4.7 将预制好的设备运输拖排放至设备底部,拖排底部垫好滚杠。4.8 将设备落在排拖上,两点...

1、当您付费下载文档后,您只拥有了使用权限,并不意味着购买了版权,文档只能用于自身使用,不得用于其他商业用途(如 [转卖]进行直接盈利或[编辑后售卖]进行间接盈利)。
2、本站所有内容均由合作方或网友上传,本站不对文档的完整性、权威性及其观点立场正确性做任何保证或承诺!文档内容仅供研究参考,付费前请自行鉴别。
3、如文档内容存在违规,或者侵犯商业秘密、侵犯著作权等,请点击“违规举报”。

碎片内容

溴冷机拆除方案

确认删除?
VIP
微信客服
  • 扫码咨询
会员Q群
  • 会员专属群点击这里加入QQ群
客服邮箱
回到顶部