电脑桌面
添加小米粒文库到电脑桌面
安装后可以在桌面快捷访问

灰土施工技术交底记录VIP免费

灰土施工技术交底记录_第1页
1/8
灰土施工技术交底记录_第2页
2/8
灰土施工技术交底记录_第3页
3/8
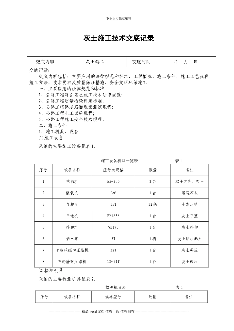
下载后可任意编辑灰土施工技术交底记录交底内容灰土施工交底时间年 月 日交底记录:交底内容包括:主要应用的法律规范和标准、工程概况、施工条件、施工工艺流程、施工方法、技术要求及质量保证措施、安全文明环保施工。一、主要应用的法律规范和标准1、公路工程路面基层施工技术法律规范;2、公路工程质量检验评定标准;3、公路工程路基路面现场测试规程;4、公路工程土工试验规程;5、公路工程施工安全技术规程。二、施工条件1、施工机具、设备⑴ 施工设备采纳的主要施工设备见表 1。施工设备机具一览表 表 1序号设备名称型号或规格数量备注1挖掘机EX-2002 台取土装车、布土2装载机3m31 台运送石灰3自卸车15T12 辆土方运输4平地机PY185A1 台灰土平整5拌和机WB1701 台灰土拌和6洒水车5T1 辆灰土洒水养生7单钢轮振动压路机22T1 台灰土碾压8三轮静碾压路机18~21T1 台灰土碾压⑵ 检测机具采纳的主要检测机具见表 2。检测机具表 表 2序号设备名称规格型号数量备注----------------------------精品 word 文档 值得下载 值得拥有----------------------------------------------下载后可任意编辑1环刀100cm336 个检测压实度2天平称量 200g,感量0.01g2 台电子天平3微波炉1200w2 台4灌砂筒φ1501 套检测压实度5电子秤20Kg,感量 1g1 台6水准仪DS31 台基层填筑每层松铺、压实厚度测量7全站仪KTS-442L1 台基层填筑中、边桩测量放样8直尺3m1 把测量平整度9钢卷尺50m1 把测量每层填筑宽度及长度2、施工参数主要施工参数见表 3施工主要参数表 表 3序号项 目单位标准备注1铺料厚度土料cm20石灰cm52拌和遍数遍63碾压遍数初压遍2静压(振动压路机)复压遍4振压,弱振两遍,强振两遍(振动压路终压遍2静压(三轮压路机)4碾压机械行车速度KM/h≤1.55灰土含水量%14.2~18.2最优含水量 16.2%3、施工原材料报验:石灰采纳泾阳灰,有效钙、氧化镁含量含量为 58%,质量满足Ⅲ级钙质消石灰要求,在使用前一周集中消解,消解用水量控制在 500~800kg/t,消解后的石灰以不扬灰不结团为原则,使用前过孔径 10mm 的筛。4、对灰土进行试配和重型击实:确定最大干密度、最优含水率、石灰剂量与 EDTA 滴定关系。三、施工工艺流程本段灰土底基层采纳路拌法施工,施工工艺流程为:准备工作→施工放样→备料、----------------------------精品 word 文档 值得下载 值得拥有----------------------------------------------下载...

1、当您付费下载文档后,您只拥有了使用权限,并不意味着购买了版权,文档只能用于自身使用,不得用于其他商业用途(如 [转卖]进行直接盈利或[编辑后售卖]进行间接盈利)。
2、本站所有内容均由合作方或网友上传,本站不对文档的完整性、权威性及其观点立场正确性做任何保证或承诺!文档内容仅供研究参考,付费前请自行鉴别。
3、如文档内容存在违规,或者侵犯商业秘密、侵犯著作权等,请点击“违规举报”。

碎片内容

灰土施工技术交底记录

确认删除?
VIP
微信客服
  • 扫码咨询
会员Q群
  • 会员专属群点击这里加入QQ群
客服邮箱
回到顶部