电脑桌面
添加小米粒文库到电脑桌面
安装后可以在桌面快捷访问

焊接式屏蔽机房施工方案docVIP免费

焊接式屏蔽机房施工方案doc_第1页
1/10
焊接式屏蔽机房施工方案doc_第2页
2/10
焊接式屏蔽机房施工方案doc_第3页
3/10
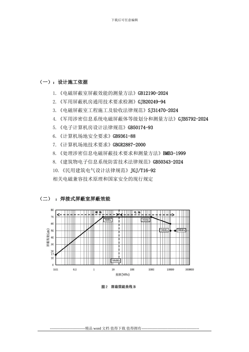
下载后可任意编辑本页为作品封面,下载后可以自由编辑删除,欢迎下载!!! 精 品文档1【精品 word 文档、可以自由编辑!】焊接式电磁屏蔽室----------------------------精品 word 文档 值得下载 值得拥有----------------------------------------------下载后可任意编辑设计施工方案拟建单位: 承建单位:无锡市中屏电磁屏蔽系统工程技术有限公司----------------------------精品 word 文档 值得下载 值得拥有----------------------------------------------下载后可任意编辑(一):设计施工依据1.《电磁屏蔽室屏蔽效能的测量方法》GB12190-20242.《军用屏蔽机房通用技术要求检测》GJB20249-943.《电磁屏蔽室工程施工及验收法律规范》SJ31470-20244.《军用涉密信息系统电磁屏蔽体等级划分和测量方法》GJB5792-20245.《电子计算机房设计法律规范》GB50174-936.《计算机场地安全要求》GB9361-887.《计算机场地技术要求》GBGR2887-20008.《处理涉密信息电磁屏蔽技术要求和测量方法》BMB3-19998.《建筑物电子信息系统防雷技术法律规范》GB50343-202410.《民用建筑电气设计法律规范》JGJ/T16-92相关电磁兼容技术原理和国家安全的现行规定(二) :焊接式屏蔽室屏蔽效能----------------------------精品 word 文档 值得下载 值得拥有----------------------------------------------下载后可任意编辑☆本项目屏蔽室屏蔽效能满足: C 级 磁 场 14KHz ≥65dB 电 场 450KHz —50MHz≥100dB 平面波 50MHz—1GHz ≥110dB 微 波 1GHz—10GHz ≥100dB☆屏蔽壳体机械性能:钢板不平度≤4mm/M2,屏蔽体垂直度≤5mm ;二年内变形程度: 顶部下陷 ≤8mm 底部凹陷 ≤3mm。整体抗震度 8 级(三)、屏蔽室配置(详见报价单明细表)如有增减按实际结算(四)、屏蔽室主体结构及预制件屏蔽壳体原材料及钢板厚度:武钢产优质冷扎钢板,厚度 2—3mm☆屏蔽机房安装场要求1、 据拟建屏蔽机房的要求和机房内设备的工作条件以及建造场地的环境情况,现场勘察后,制定详细建造方案和组织施工方案,并向拟建方提出屏蔽机房建造的场地或对建筑物的要求。----------------------------精品 word 文档 值得下载 值得拥有----------------------------------------------下载后可任意编辑2、 按设计文件在厂部组织生产屏蔽机房的支撑龙门框架结构件、屏蔽壳体,屏蔽门、波导窗等成套配件。 3、 机房安装前期对建筑墙体、地...

1、当您付费下载文档后,您只拥有了使用权限,并不意味着购买了版权,文档只能用于自身使用,不得用于其他商业用途(如 [转卖]进行直接盈利或[编辑后售卖]进行间接盈利)。
2、本站所有内容均由合作方或网友上传,本站不对文档的完整性、权威性及其观点立场正确性做任何保证或承诺!文档内容仅供研究参考,付费前请自行鉴别。
3、如文档内容存在违规,或者侵犯商业秘密、侵犯著作权等,请点击“违规举报”。

碎片内容

焊接式屏蔽机房施工方案doc

您可能关注的文档

确认删除?
VIP
微信客服
  • 扫码咨询
会员Q群
  • 会员专属群点击这里加入QQ群
客服邮箱
回到顶部