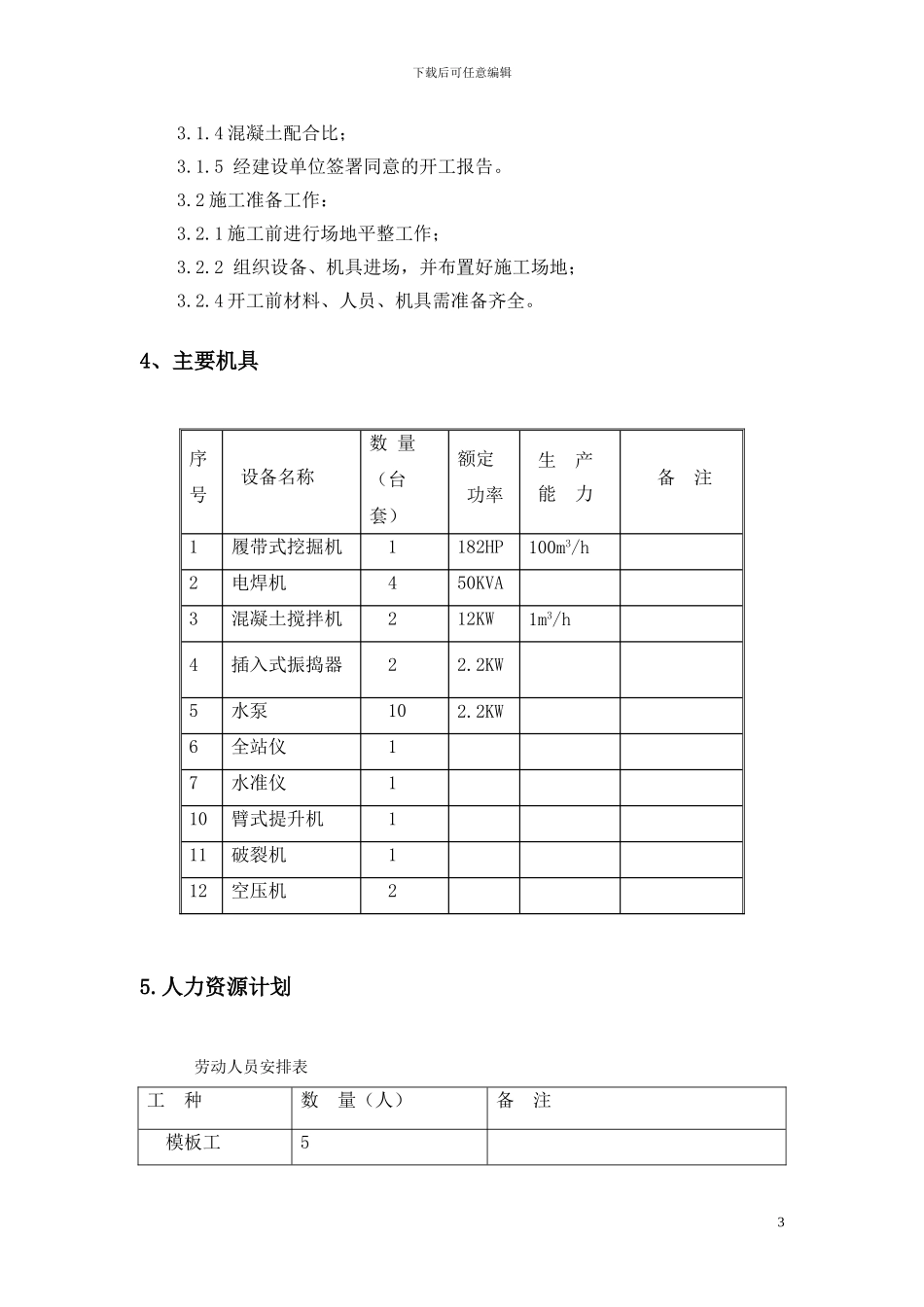
电脑桌面
添加小米粒文库到电脑桌面
安装后可以在桌面快捷访问

环境监测设备基础施工方案VIP免费

环境监测设备基础施工方案_第1页
1/14
环境监测设备基础施工方案_第2页
2/14
环境监测设备基础施工方案_第3页
3/14
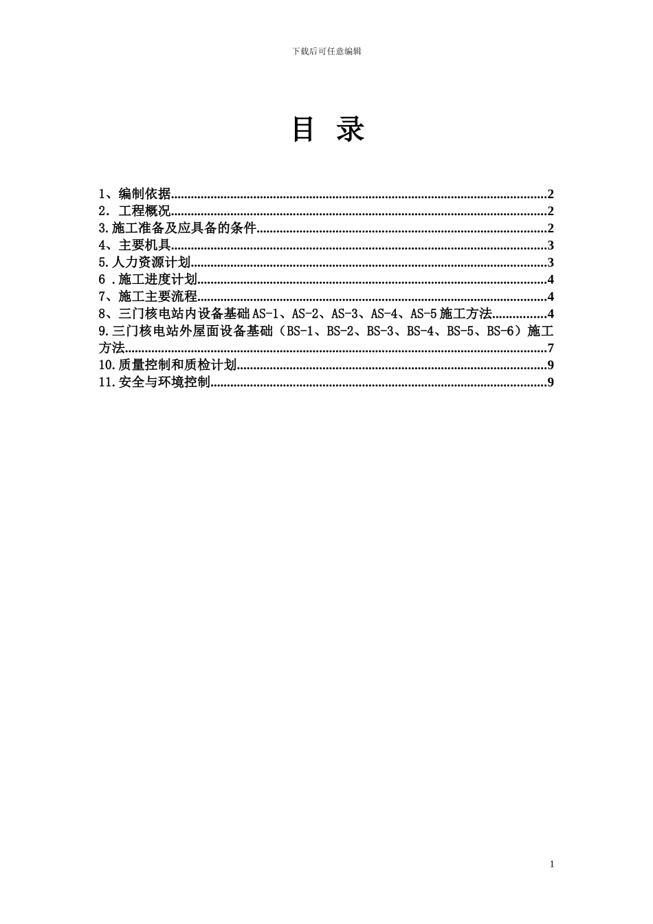
下载后可任意编辑目 录1、编制依据..................................................................................................................22.工程概况..................................................................................................................23.施工准备及应具备的条件........................................................................................24、主要机具..................................................................................................................35.人力资源计划............................................................................................................36 .施工进度计划..........................................................................................................47、施工主要流程..........................................................................................................48、三门核电站内设备基础 AS-1、AS-2、AS-3、AS-4、AS-5 施工方法................49.三门核电站外屋面设备基础(BS-1、BS-2、BS-3、BS-4、BS-5、BS-6)施工方法................................................................................................................................710.质量控制和质检计划..............................................................................................911.安全与环境控制......................................................................................................91下载后可任意编辑1、编制依据序号标准、规程、法律规范、设计文件备注1电力建设施工及验收技术法律规范(建筑工程篇)SDJ 69-872《混凝土结构工程施工及验收法律规范》GB50204-20243《建筑地基基础工程施工质量验收法律规范》GBJ50202-2000;4气象观测与环境监测设备及软件采购项目环境监测站基础图2.工程概况本工程为三门核电站内区域和三门核电站外区域,三门核电站内区域分别为 AS-1(地点:环境监测大楼背面)、AS-2(地点:废物处理设施SRTF)、AS-3(老鹰嘴头)、AS-4(气象观测场,南海堤旁)、AS-5 五个设备基础(其中 AS-5 为新增基础,地点:环境监测大楼东北角),三门核电站外区域分别为 BS-1(赤头村)、BS-2(六敖镇民房屋顶...

1、当您付费下载文档后,您只拥有了使用权限,并不意味着购买了版权,文档只能用于自身使用,不得用于其他商业用途(如 [转卖]进行直接盈利或[编辑后售卖]进行间接盈利)。
2、本站所有内容均由合作方或网友上传,本站不对文档的完整性、权威性及其观点立场正确性做任何保证或承诺!文档内容仅供研究参考,付费前请自行鉴别。
3、如文档内容存在违规,或者侵犯商业秘密、侵犯著作权等,请点击“违规举报”。

碎片内容

环境监测设备基础施工方案

不二商店+ 关注
实名认证
内容提供者

我是你的不二选择

确认删除?
VIP
微信客服
  • 扫码咨询
会员Q群
  • 会员专属群点击这里加入QQ群
客服邮箱
回到顶部