电脑桌面
添加小米粒文库到电脑桌面
安装后可以在桌面快捷访问

电力用户受电工程竣工检验项目表VIP免费

电力用户受电工程竣工检验项目表_第1页
1/12
电力用户受电工程竣工检验项目表_第2页
2/12
电力用户受电工程竣工检验项目表_第3页
3/12
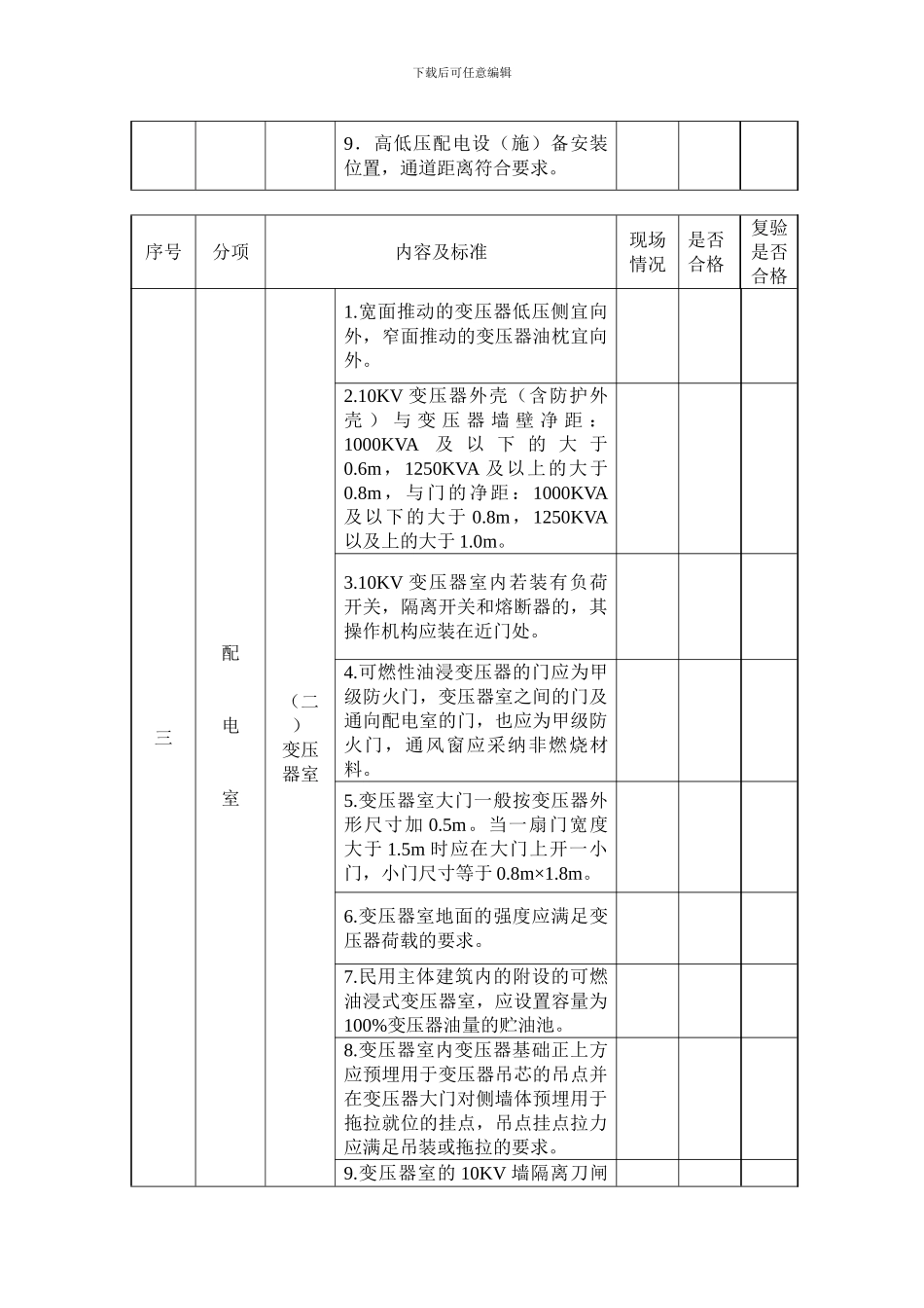
下载后可任意编辑金 东 供 电 局电力用户受电工程竣工检验项目表用 户 名:法定代表人:联系电话:户 号:用电地址:电气负责人:联系电话:所属供电所:工程设计单位:联 系 人:联 系 电 话 :工程承装单位:联 系 人:联 系 电 话 :序号分项内容及标准现场情况是否合格复验是否合格一基本信息核对1.用户名称、用电地址、法定代表人、电气负责人、联系电话等信息与申请资料一致性。 2.工程承建单位资质的合法性和有效性。3.报验资料中所提供的电气设备生产厂家与现场是否相符。4.电气设备是否符合国家的政策、法规,是否存在使用国家明令禁止的电气产品。5.现场电气设备的容量、尺寸等相应的配置是否与设计图纸相符。6.有无冲击负荷、非对称负荷及谐波源设备等非线性用电设备,是否实行有效的治理措施。7.是否有多种性质的用电负荷存在。二受电线路1.架空和电缆线路的安全距离及附属装置符合法律规范要求2.柱上开关、跌落式熔断器、避雷器等安装正确。下载后可任意编辑3.接地装置连接可靠。序号分项内容及标准现场情况是否合格复验是否合格二受电线路4.线路命名符合要求,架空杆号牌设置明显。5.线路相位正确。6.电缆路径标识明显,支架安装牢固,防护措施完善。三配电室(一)通用要求1.房屋建筑防火、防汛、防雨冰冻、防小动物等措施完善,通风良好。2.配电室周围通道畅通,道路平整。3.通风窗口应配置钢网(钢网网孔不大于 8*8mm),门向外开启,门锁装置完整良好,防小动物档板位置适当。(挡板高 0.4~0.5m 采纳防火材料)。4.配电室内环境干净,地面、通道无杂物堆放。5.设备命名正确。(包括出线开关命名)。6.室内照明符合要求。(照明灯不宜安装在屋顶,变压器室安装在近门低压侧墙上,采纳壁灯,低配室安装在柜前和柜后的墙上,离地距离不小于 2.5m。)7.电缆沟内不积水,盖板平整完好 , 符 合 防 火 要 求 , 电 缆 孔(洞)已封堵8.墙上刀闸安装位置正确,操作灵活,安全距离符合要求。下载后可任意编辑9.高低压配电设(施)备安装位置,通道距离符合要求。序号分项内容及标准现场情况是否合格复验是否合格三配电室(二)变压器室1.宽面推动的变压器低压侧宜向外,窄面推动的变压器油枕宜向外。2.10KV 变压器外壳(含防护外壳 ) 与 变 压 器 墙 壁 净 距 :1000KVA及 以 下 的 大 于0.6m,1250KVA 及以上的大于0.8m,与门的净距:1000KVA及以下的大于 0.8m,1250KVA以及上...

1、当您付费下载文档后,您只拥有了使用权限,并不意味着购买了版权,文档只能用于自身使用,不得用于其他商业用途(如 [转卖]进行直接盈利或[编辑后售卖]进行间接盈利)。
2、本站所有内容均由合作方或网友上传,本站不对文档的完整性、权威性及其观点立场正确性做任何保证或承诺!文档内容仅供研究参考,付费前请自行鉴别。
3、如文档内容存在违规,或者侵犯商业秘密、侵犯著作权等,请点击“违规举报”。

碎片内容

电力用户受电工程竣工检验项目表

您可能关注的文档

确认删除?
VIP
微信客服
  • 扫码咨询
会员Q群
  • 会员专属群点击这里加入QQ群
客服邮箱
回到顶部