电脑桌面
添加小米粒文库到电脑桌面
安装后可以在桌面快捷访问

盖梁施工方案终VIP免费

盖梁施工方案终_第1页
1/19
盖梁施工方案终_第2页
2/19
盖梁施工方案终_第3页
3/19
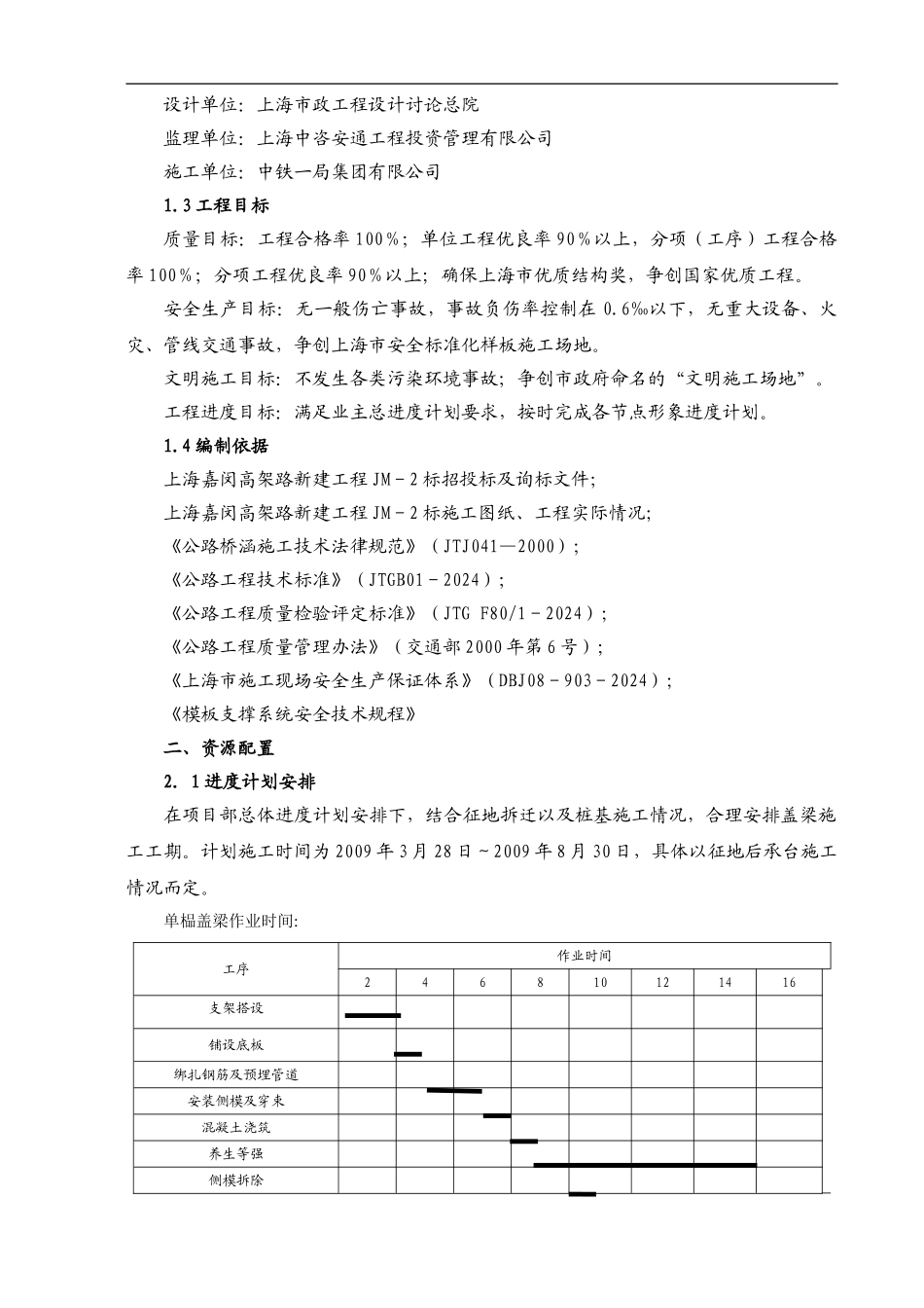
下载后可任意编辑一、工程概况1.1 工程简介本工程地处上海西南角,闵行区和青浦区交界处,连接联明路和徐泾中路,为虹桥枢纽的重要链接线路。本高架工程东临沪昆铁路,上跨 A9 快速路、沪青平公路、小涞港河道。嘉闵高架路(南段)新建工程 2 标段,全线为高架道路。主线工程起点:K14+854.5,终点:K16+812(不含对应墩及伸缩缝),全长 1958 米。盖梁 175 榀,砼17476.9m3 详细规格和形式见下表:类型长(mm)宽(mm)高(mm)砼(m3)钢筋数量(t)钢 束 (根×束)适用范围数量(榀)GA 型14650 3000 3000 88.7711.9648×9PmL73-80、PmL83、PmL86-97、PmR63、PmR64、PmR73-80、PmR83、PmR83-93404×7GC 型14650 3000 3200 95.3513.88×9PmR62、PmR8224×12GE 型1815030003000112.0814.3016×9PmL105、PmL109-PmL112、PmL119、PmR105、PmR109、PmR117-124166×7GF 型1815030003200116.9914.9974×9PmL107、PmL114、PmR107、PmR111-11364×74×12GG 型1865030003000115.4215.3136×9PmL86-PmL8836×7GH 型2365030003000151.3320.3658×9PmL99、PmL100、PmR70、PmR71、PmR95-100104×12其它8200~419583000~34002800~380070.6~356.81.78~9.289 981.2 参建单位建设单位:上海公路投资建设进展有限公司设计单位:上海市政工程设计讨论总院监理单位:上海中咨安通工程投资管理有限公司施工单位:中铁一局集团有限公司1.3 工程目标质量目标:工程合格率 100%;单位工程优良率 90%以上,分项(工序)工程合格率 100%;分项工程优良率 90%以上;确保上海市优质结构奖,争创国家优质工程。安全生产目标:无一般伤亡事故,事故负伤率控制在 0.6‰以下,无重大设备、火灾、管线交通事故,争创上海市安全标准化样板施工场地。文明施工目标:不发生各类污染环境事故;争创市政府命名的“文明施工场地”。工程进度目标:满足业主总进度计划要求,按时完成各节点形象进度计划。1.4 编制依据上海嘉闵高架路新建工程 JM-2 标招投标及询标文件;上海嘉闵高架路新建工程 JM-2 标施工图纸、工程实际情况;《公路桥涵施工技术法律规范》(JTJ041—2000);《公路工程技术标准》(JTGB01-2024);《公路工程质量检验评定标准》(JTG F80/1-2024);《公路工程质量管理办法》(交通部 2000 年第 6 号);《上海市施工现场安全生产保证体系》(DBJ08-903-2024);《模板支撑系统安全技术规程》 二、资源配置2.1 进度...

1、当您付费下载文档后,您只拥有了使用权限,并不意味着购买了版权,文档只能用于自身使用,不得用于其他商业用途(如 [转卖]进行直接盈利或[编辑后售卖]进行间接盈利)。
2、本站所有内容均由合作方或网友上传,本站不对文档的完整性、权威性及其观点立场正确性做任何保证或承诺!文档内容仅供研究参考,付费前请自行鉴别。
3、如文档内容存在违规,或者侵犯商业秘密、侵犯著作权等,请点击“违规举报”。

碎片内容

盖梁施工方案终

您可能关注的文档

确认删除?
VIP
微信客服
  • 扫码咨询
会员Q群
  • 会员专属群点击这里加入QQ群
客服邮箱
回到顶部