电脑桌面
添加小米粒文库到电脑桌面
安装后可以在桌面快捷访问

管道压力试验施工方案VIP免费

管道压力试验施工方案_第1页
1/10
管道压力试验施工方案_第2页
2/10
管道压力试验施工方案_第3页
3/10
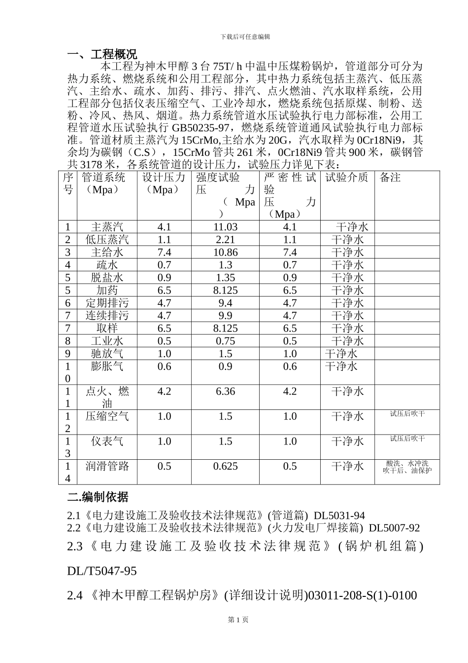
下载后可任意编辑一、工程概况本工程为神木甲醇 3 台 75T/ h 中温中压煤粉锅炉,管道部分可分为热力系统、燃烧系统和公用工程部分,其中热力系统包括主蒸汽、低压蒸汽、主给水、疏水、加药、排污、排汽、点火燃油、汽水取样系统,公用工程部分包括仪表压缩空气、工业冷却水,燃烧系统包括原煤、制粉、送粉、冷风、热风、烟道。热力系统管道水压试验执行电力部标准,公用工程管道水压试验执行 GB50235-97,燃烧系统管道通风试验执行电力部标准。管道材质主蒸汽为 15CrMo,主给水为 20G,汽水取样为 0Cr18Ni9,其余均为碳钢(C.S),15CrMo 管共 261 米,0Cr18Ni9 管共 900 米,碳钢管共 3178 米,各系统管道的设计压力,试验压力详见下表:序号管道系统(Mpa)设计压力(Mpa)强度试验压力( Mpa)严 密 性 试验压力(Mpa)试验介质备注1主蒸汽4.111.034.1干净水2低压蒸汽1.12.211.1干净水3主给水7.410.867.4干净水4疏水0.71.30.7干净水5脱盐水0.91.350.9干净水5加药6.58.1256.5干净水6定期排污4.79.44.7干净水7连续排污4.79.94.7干净水7取样6.58.1256.5干净水8工业水0.50.750.5干净水9驰放气1.01.51.0干净水10膨胀气0.60.90.6干净水11点火、燃油4.26.364.2干净水12压缩空气1.01.51.0干净水试压后吹干13仪表气1.01.51.0干净水试压后吹干14润滑管路0.50.6250.5干净水酸洗、水冲洗吹干后、油保护二.编制依据2.1《电力建设施工及验收技术法律规范》(管道篇) DL5031-942.2《电力建设施工及验收技术法律规范》(火力发电厂焊接篇) DL5007-922.3 《 电 力 建 设 施 工 及 验 收 技 术 法 律 规 范 》 ( 锅 炉 机 组 篇 ) DL/T5047-952.4 《神木甲醇工程锅炉房》(详细设计说明)03011-208-S(1)-0100第 1 页下载后可任意编辑2.5《工业金属管道工程施工及验收法律规范》GB50235-972.6《中国华陆工程公司设计图纸》三、试验前应具备的条件3.1 进行试压的管道已施工完毕,并且经检查符合设计要求及法律规范的有关规定.3.2 管道的支吊架按图纸要求安装完毕,特别是主蒸气与排气管道的支架应严格按图纸要求施工.3.3 主蒸气管道的弹簧支架应在试验前锁定,以免因水重造成支架超载,使弹簧受损.3.4 进行试压的管道焊缝按比例抽检合格,主蒸气管道焊缝热处理完毕,并且有完整的热处理记录.3.5 阀门试压完毕,并且有试验记录.3.6 各系统管道的焊缝及其它检查部位不能涂漆或保温.3.7 待试压的管道与无关系统用肓板进...

1、当您付费下载文档后,您只拥有了使用权限,并不意味着购买了版权,文档只能用于自身使用,不得用于其他商业用途(如 [转卖]进行直接盈利或[编辑后售卖]进行间接盈利)。
2、本站所有内容均由合作方或网友上传,本站不对文档的完整性、权威性及其观点立场正确性做任何保证或承诺!文档内容仅供研究参考,付费前请自行鉴别。
3、如文档内容存在违规,或者侵犯商业秘密、侵犯著作权等,请点击“违规举报”。

碎片内容

管道压力试验施工方案

领读文化+ 关注
实名认证
内容提供者

传播文化,铸就未来

确认删除?
VIP
微信客服
  • 扫码咨询
会员Q群
  • 会员专属群点击这里加入QQ群
客服邮箱
回到顶部