电脑桌面
添加小米粒文库到电脑桌面
安装后可以在桌面快捷访问

箱梁T梁安装施工技术方案VIP专享VIP免费

箱梁T梁安装施工技术方案_第1页
1/26
箱梁T梁安装施工技术方案_第2页
2/26
箱梁T梁安装施工技术方案_第3页
3/26
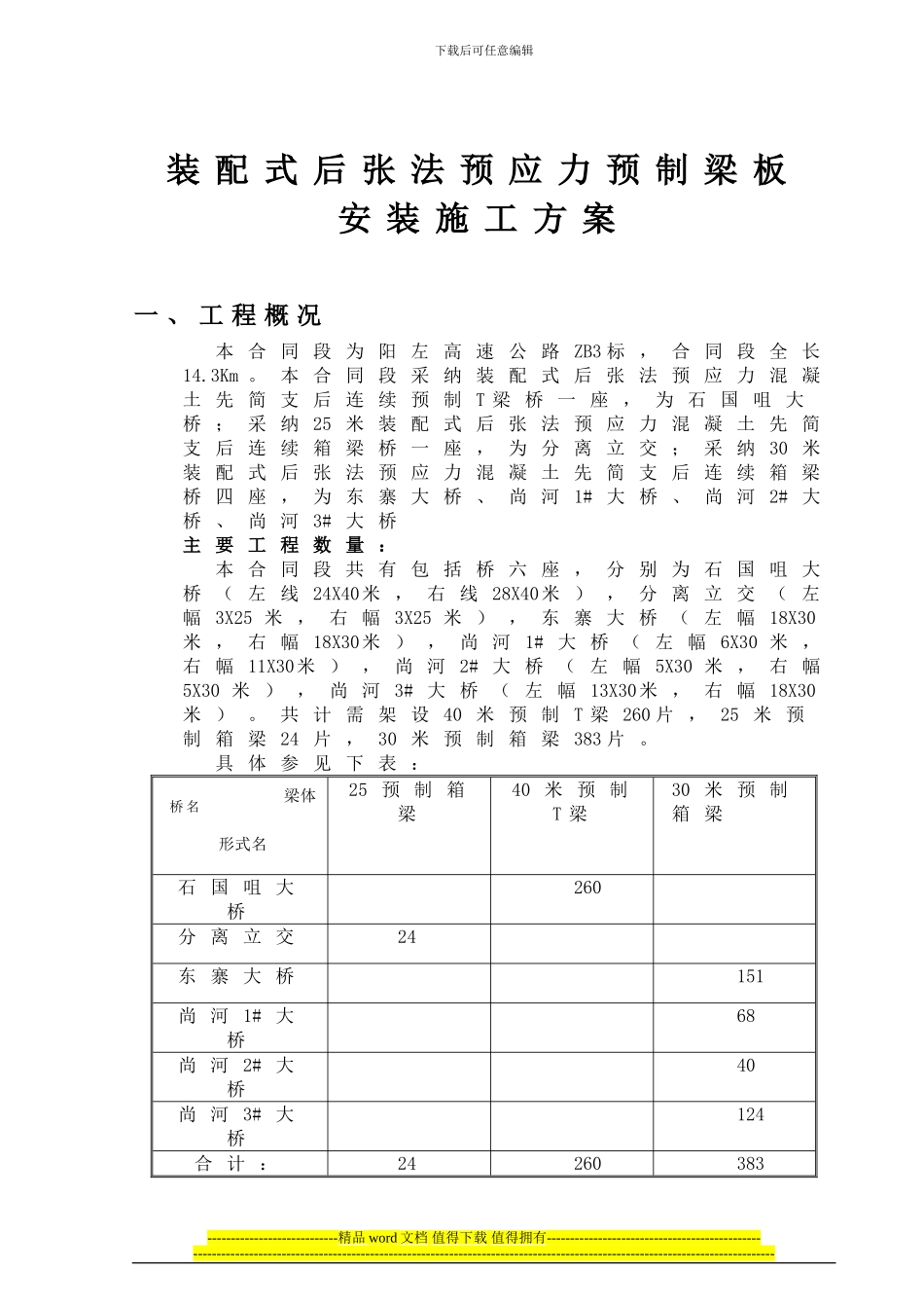
阳 左 高 速 公 路 ZB3 合 同 段装 配 式 后 张 法 预 应 力 预制 梁 板 安 装 施 工 方 案编 制 : 审 核 : 审 批 : 中 交 第 一 公 路 工 程 局 有 限 公 司下载后可任意编辑装 配 式 后 张 法 预 应 力 预 制 梁 板安 装 施 工 方 案一 、 工 程 概 况本 合 同 段 为 阳 左 高 速 公 路 ZB3 标 , 合 同 段 全 长14.3Km 。 本 合 同 段 采 纳 装 配 式 后 张 法 预 应 力 混 凝土 先 简 支 后 连 续 预 制 T 梁 桥 一 座 , 为 石 国 咀 大桥 ; 采 纳 25 米 装 配 式 后 张 法 预 应 力 混 凝 土 先 简支 后 连 续 箱 梁 桥 一 座 , 为 分 离 立 交 ; 采 纳 30 米装 配 式 后 张 法 预 应 力 混 凝 土 先 简 支 后 连 续 箱 梁桥 四 座 , 为 东 寨 大 桥 、 尚 河 1# 大 桥 、 尚 河 2# 大桥 、 尚 河 3# 大 桥主 要 工 程 数 量 :本 合 同 段 共 有 包 括 桥 六 座 , 分 别 为 石 国 咀 大桥 ( 左 线 24X40米 , 右 线 28X40米 ) , 分 离 立 交 ( 左幅 3X25 米 , 右 幅 3X25 米 ) , 东 寨 大 桥 ( 左 幅 18X30米 , 右 幅 18X30米 ) , 尚 河 1# 大 桥 ( 左 幅 6X30 米 ,右 幅 11X30米 ) , 尚 河 2# 大 桥 ( 左 幅 5X30 米 , 右 幅5X30 米 ) , 尚 河 3# 大 桥 ( 左 幅 13X30米 , 右 幅 18X30米 ) 。 共 计 需 架 设 40 米 预 制 T 梁 260 片 , 25 米 预制 箱 梁 24 片 , 30 米 预 制 箱 梁 383 片 。具 体 参 见 下 表 :桥 名 梁体形式名25 预 制 箱梁40 米 预 制T 梁30 米 预 制箱 梁石 国 咀 大桥260分 离 立 交24东 寨 大 桥151尚 河 1# 大桥68尚 河 2# 大桥40尚 河 3# 大桥124合 计 :24260383----------------------------精品 word 文档 值得下载 值得拥有---------------------------------------------------------------------------------------------------------------------------------------------------------------------------下载后可任意编辑主 要 技 术 指 标 :...

1、当您付费下载文档后,您只拥有了使用权限,并不意味着购买了版权,文档只能用于自身使用,不得用于其他商业用途(如 [转卖]进行直接盈利或[编辑后售卖]进行间接盈利)。
2、本站所有内容均由合作方或网友上传,本站不对文档的完整性、权威性及其观点立场正确性做任何保证或承诺!文档内容仅供研究参考,付费前请自行鉴别。
3、如文档内容存在违规,或者侵犯商业秘密、侵犯著作权等,请点击“违规举报”。

碎片内容

箱梁T梁安装施工技术方案

确认删除?
VIP
微信客服
  • 扫码咨询
会员Q群
  • 会员专属群点击这里加入QQ群
客服邮箱
回到顶部