电脑桌面
添加小米粒文库到电脑桌面
安装后可以在桌面快捷访问

系梁施工方案VIP免费

系梁施工方案_第1页
1/15
系梁施工方案_第2页
2/15
系梁施工方案_第3页
3/15
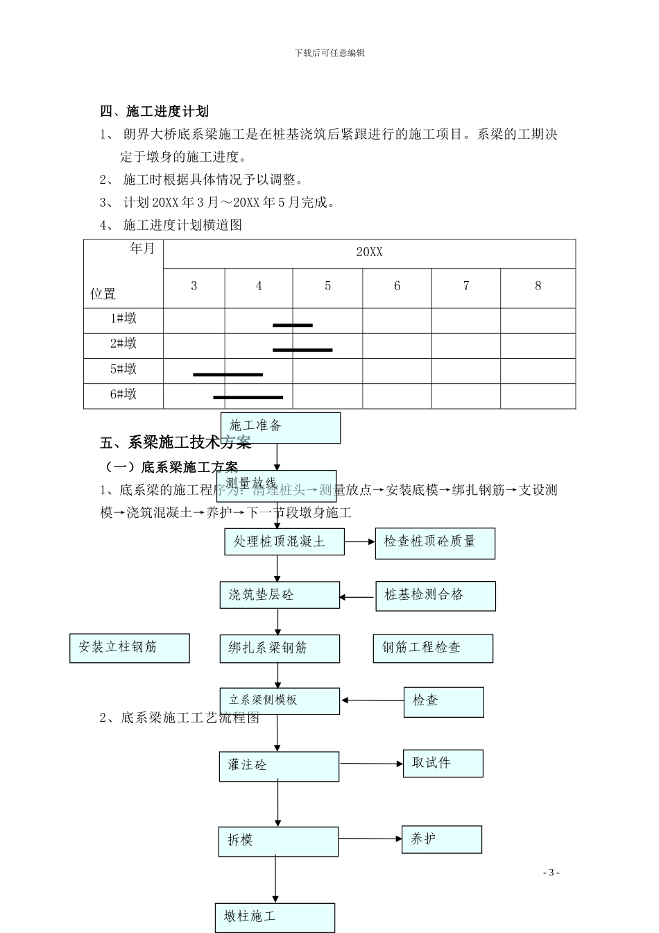
下载后可任意编辑 精品文档下载 【本页是封面,下载后可以删除!】- 1 -最新资料,word 文档,可以自由编辑!!下载后可任意编辑XX 大桥系梁施工方案一、工程概况XX 大桥桥型采纳整体式布置,本桥上部构造采纳 4×30m 预应力砼 T 形梁+3×21m 钢筋砼箱梁,全桥总长 199 米,共计 2 联。2#墩为直径为 1.8 米的柱式墩,1#、5#、6#墩为直径为 1.6 米的柱式墩,全桥系梁有两种形式:1.8 米的柱式墩采纳宽 1.2 米×高 1.6 米的系梁,共 3 道;1.6 米的柱式墩采纳宽 1.2 米×高 1.4 米的系梁,共 6 道。二、主要工程数量XX 大桥系梁工程数量表序号结构形式钢筋(Kg)砼(m3)备注Φ25Φ16Φ10C301宽 1.2 米×高 1.61547.7444.61030.823.61全桥共计3 个2宽 1.2 米×高 1.43212.47911841.545.92全桥共计6 个三、施工准备(一)初步放样根据图纸给定的桩位坐标和尺寸,在已经浇筑的桩顶上复核墩中心位置,在安装模板前予以校正。把放线资料交待给施工组长。(二)技术准备1、 在桩基施工的同时,进行系梁 C30 砼的配合比设计和试验,报监理单位复核审批后备用。2、 进行砂石、钢筋、水泥等材料的进场和试验,保证工程所用材料合格、3、 对系梁模板进行设计制作,并经过检验验收合格后运抵施工场地备用,并选定模板的脱模济。4、 准备搅拌站的一切设备,保证混凝土拌和的正常。5、 准备好混凝土运输车和混凝土输送泵。6、 准备混凝土输送泵安放位置和平台。7、 准备好人工和其他辅助设施设备。8、 准备好质量检验程序和表格。- 2 -下载后可任意编辑四、施工进度计划1、 朗界大桥底系梁施工是在桩基浇筑后紧跟进行的施工项目。系梁的工期决定于墩身的施工进度。2、 施工时根据具体情况予以调整。3、 计划 20XX 年 3 月~20XX 年 5 月完成。4、 施工进度计划横道图年月位置20XX3456781#墩2#墩5#墩6#墩五、系梁施工技术方案(一)底系梁施工方案1、底系梁的施工程序为:清理桩头→测量放点→安装底模→绑扎钢筋→支设测模→浇筑混凝土→养护→下一节段墩身施工2、底系梁施工工艺流程图- 3 -施工准备测量放线处理桩顶混凝土绑扎系梁钢筋立系梁侧模板灌注砼拆模取试件检查养护浇筑垫层砼检查桩顶砼质量钢筋工程检查墩柱施工桩基检测合格安装立柱钢筋下载后可任意编辑3、施工细则3.1、桩头处理用空压机对桩头进行凿除,清除浮浆,整理调顺桩头外露钢筋,确保桩头部分砼的质量。应注意在凿除过程中对...

1、当您付费下载文档后,您只拥有了使用权限,并不意味着购买了版权,文档只能用于自身使用,不得用于其他商业用途(如 [转卖]进行直接盈利或[编辑后售卖]进行间接盈利)。
2、本站所有内容均由合作方或网友上传,本站不对文档的完整性、权威性及其观点立场正确性做任何保证或承诺!文档内容仅供研究参考,付费前请自行鉴别。
3、如文档内容存在违规,或者侵犯商业秘密、侵犯著作权等,请点击“违规举报”。

碎片内容

系梁施工方案

您可能关注的文档

确认删除?
VIP
微信客服
  • 扫码咨询
会员Q群
  • 会员专属群点击这里加入QQ群
客服邮箱
回到顶部