电脑桌面
添加小米粒文库到电脑桌面
安装后可以在桌面快捷访问

结构吊装施工方案VIP免费

结构吊装施工方案_第1页
1/12
结构吊装施工方案_第2页
2/12
结构吊装施工方案_第3页
3/12
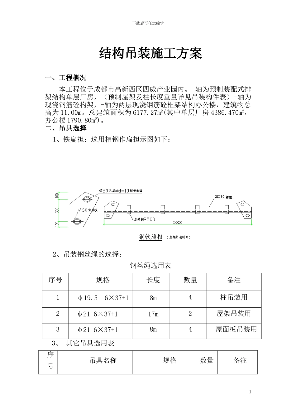
下载后可任意编辑结构吊装施工方案一、工程概况本工程位于成都市高新西区四威产业园内。-轴为预制装配式排架结构单层厂房,(预制屋架及柱长度重量详见吊装构件表)-轴为现浇钢筋砼构架,-轴为两层现浇钢筋砼框架结构办公楼,建筑物总高为 11.00m。总建筑面积为 6177.27m2(其中单层厂房 4386.470m2,办公楼 1790.80m2)。二、吊具选择1、铁扁担:选用槽钢作扁担示图如下: 2、吊装钢丝绳的选择:钢丝绳选用表序号规格长度数量备注1φ19.5 6×37+18m4柱吊装用2φ21 6×37+117m2屋架吊装用3φ21 6×37+18m4屋面板吊装用3、 其它吊具选用表序号吊具名称规格数量备注1下载后可任意编辑1白棕绳φ2250 米不浸油2卡环5 t—10t8—1 5 t516吊 屋 架 和柱翻身用 3千斤顶16 t2柱翻身用 4铁扁担δ=30 mm 1柱翻身用 5钢丝绳 φ2 11.5 米吊屋架用6经纬仪2 台7电焊机400A4台8钢丝绳φ28(6×37+1)3 米吊屋架用94、 起重机械选择:根据屋架的自重及加固的重量,确定最大起重量为 12t,最大起重高度为 16 米。1)、起重机选择及工作参数计算根据施工需要,现场选用履带吊进行吊装。部分主要构件安装时的工作参数计算如下:( 1 ) 、 柱 采 纳 斜 吊 绑 扎 一 点 起 吊 。 由 于 最 大 起 重 量Qmax=7.22t , 最 大 长 度 Hmax=11.446m 。 要 求 起 重 量 :Q=Q1+Q2=7.22+0.2=7.42t,要求起重高度:H=H1+H2+H3+H4=0+0.3+7.0+2.0=9.30m(2)、屋架 要求起重量:Q=Q1+Q2=11.3+0.4=11.7t,要求起重高度:H=H1+H2+H3+H4=7.0+0.3+3.45+4.5=15.25m(3)、屋面板要求起重量:Q=Q1+Q2=1.5+0.2=1.7t,要 求 起 重 高 度 : H=H1+H2+H3+H0+d=7.00+3.45+0.3+2.5+3.0 =16.25m2下载后可任意编辑(4)、车间主要吊装构件的数量、重量、长度、安装标高见下表:序号跨度(m)构件名称及编号数量重量(t)长度(m)安装标高(m)1-、-24m边柱 Z1225.198.252-、-24m边柱 Z1a25.198.253-、-24m边柱 Z1b45.198.254-、-24m边柱 Z1c45.198.255-、-24m边柱 Z1d25.198.256-、-24m中柱 Z2117.228.257-、-24m中柱 Z2a17.228.258-、-24m中柱 Z2b27.228.259-、-24m中柱 Z2c27.228.2510-、-24m中柱 Z2d17.228.2511-、-24m抗风柱 Z385.2310.65612-、-24m抗风柱 Z445.5411.44613-、-24m天沟板 TGB58sb814-、-24m天沟板 TGB58b815-、-24m天沟板 TGB582816-、-24m天沟板 TGB58a817-...

1、当您付费下载文档后,您只拥有了使用权限,并不意味着购买了版权,文档只能用于自身使用,不得用于其他商业用途(如 [转卖]进行直接盈利或[编辑后售卖]进行间接盈利)。
2、本站所有内容均由合作方或网友上传,本站不对文档的完整性、权威性及其观点立场正确性做任何保证或承诺!文档内容仅供研究参考,付费前请自行鉴别。
3、如文档内容存在违规,或者侵犯商业秘密、侵犯著作权等,请点击“违规举报”。

碎片内容

结构吊装施工方案

您可能关注的文档

确认删除?
VIP
微信客服
  • 扫码咨询
会员Q群
  • 会员专属群点击这里加入QQ群
客服邮箱
回到顶部