电脑桌面
添加小米粒文库到电脑桌面
安装后可以在桌面快捷访问

给排水系统施工方案-secretVIP免费

给排水系统施工方案-secret_第1页
1/16
给排水系统施工方案-secret_第2页
2/16
给排水系统施工方案-secret_第3页
3/16
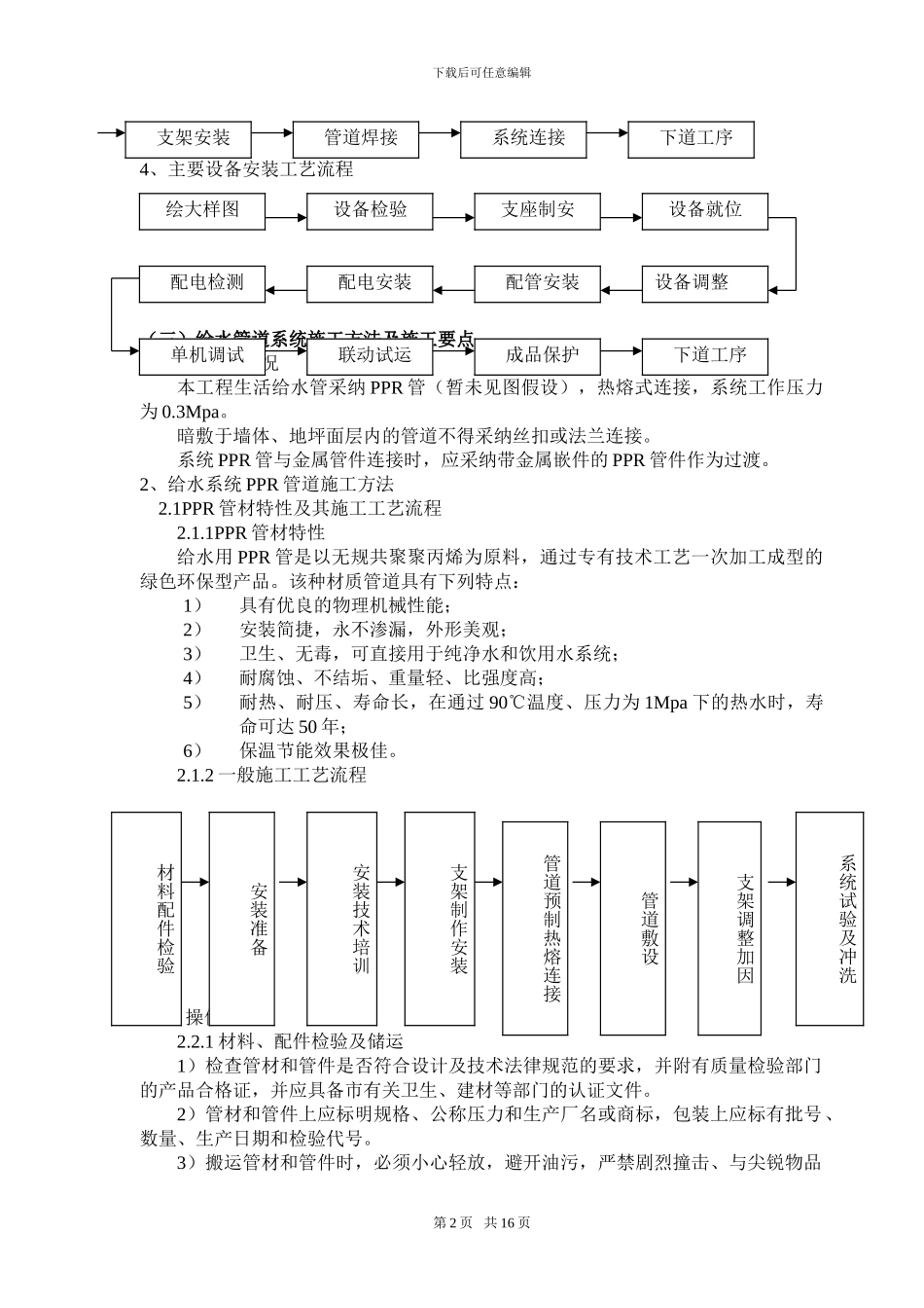
下载后可任意编辑给排水系统施工方案金居·银郡住宅小区位于睢阳大道与宇航路交叉处,,由 16 幢楼,高层住宅(11、12、13、15、16、17、18#楼)及地下车库组成,总建筑面积-------平方米,给排水系统结合本工程特点拟实行以下专项施工方案。(一)主要系统施工工艺流程为便于施工组织和分组作业施工,在现有招标文件等资料基础上,根据设计意图和系统功能情况等,合理划分并制定各分项系统施工工艺流程如下:1、给水管道系统施工工艺流程 2、排水管道系统施工工艺流程(二)各分项工程施工工艺流程为便于分组作业施工和工序质量、工期等的控制,在现有招标文件等资料基础上,根据以往施工经验和分项工程施工工艺要求等,进行合理划分并制定各分项工序施工工艺流程如下:1、给水管道安装工艺流程2、排水铸铁管安装工艺流程3、给水焊接钢管安装工艺流程第 1 页 共 16 页绘大样图材料检验预留洞口管段预制试压检验端部设施安装管道安装支架制安系统冲洗管道消毒系统交验绘大样图材料检验预留预埋分段灌水试验端部设施安装管道安装支架制安系统灌水试验通球试验系统交验绘大样图管材检验管段调校管材除锈管段组装支架预制预制坡口管道刷漆管段预制绘大样图管材检验管件检验支架制作埋设设管道安装支架安装管段组装管段下料管件安装系统连接下道工序面漆涂刷绘大样图管材交验管件检验支架制作埋设设管段调整管段组装管段下料管段调校支架安装管道熔接成品保护系统安装下载后可任意编辑4、主要设备安装工艺流程(三)给水管道系统施工方法及施工要点1、给水系统概况本工程生活给水管采纳 PPR 管(暂未见图假设),热熔式连接,系统工作压力为 0.3Mpa。暗敷于墙体、地坪面层内的管道不得采纳丝扣或法兰连接。系统 PPR 管与金属管件连接时,应采纳带金属嵌件的 PPR 管件作为过渡。2、给水系统 PPR 管道施工方法2.1PPR 管材特性及其施工工艺流程2.1.1PPR 管材特性给水用 PPR 管是以无规共聚聚丙烯为原料,通过专有技术工艺一次加工成型的绿色环保型产品。该种材质管道具有下列特点:1)具有优良的物理机械性能;2)安装简捷,永不渗漏,外形美观;3)卫生、无毒,可直接用于纯净水和饮用水系统;4)耐腐蚀、不结垢、重量轻、比强度高;5)耐热、耐压、寿命长,在通过 90℃温度、压力为 1Mpa 下的热水时,寿命可达 50 年;6)保温节能效果极佳。2.1.2 一般施工工艺流程2.2 操作要点2.2.1 材料、配件检验及储运1)检查管材和管件...

1、当您付费下载文档后,您只拥有了使用权限,并不意味着购买了版权,文档只能用于自身使用,不得用于其他商业用途(如 [转卖]进行直接盈利或[编辑后售卖]进行间接盈利)。
2、本站所有内容均由合作方或网友上传,本站不对文档的完整性、权威性及其观点立场正确性做任何保证或承诺!文档内容仅供研究参考,付费前请自行鉴别。
3、如文档内容存在违规,或者侵犯商业秘密、侵犯著作权等,请点击“违规举报”。

碎片内容

给排水系统施工方案-secret

您可能关注的文档

确认删除?
VIP
微信客服
  • 扫码咨询
会员Q群
  • 会员专属群点击这里加入QQ群
客服邮箱
回到顶部