电脑桌面
添加小米粒文库到电脑桌面
安装后可以在桌面快捷访问

综合管沟支护施工前土方开挖VIP免费

综合管沟支护施工前土方开挖_第1页
1/13
综合管沟支护施工前土方开挖_第2页
2/13
综合管沟支护施工前土方开挖_第3页
3/13
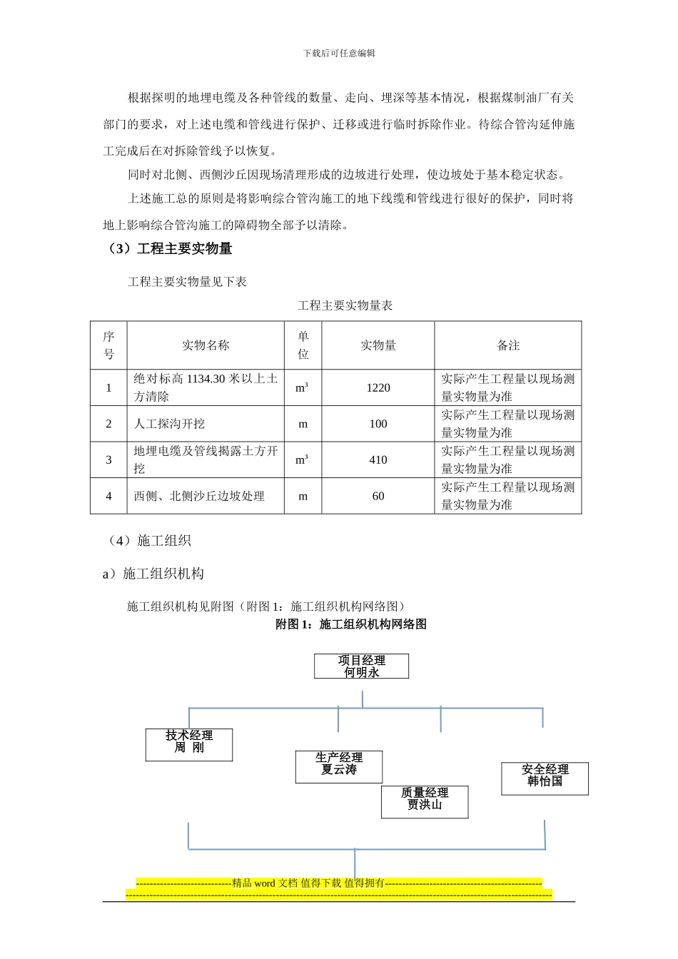
下载后可任意编辑(1)编制说明a)目的和范围为法律规范综合管沟延伸施工基坑支护前土方开挖及现场地下管线的探查和处理施工作业,对施工全过程进行全面的规划、部署、组织、计划。为确保施工方法的先进和确保工程质量目标、安全目标、环境保护目标的实现,为保证质量管理体系的有效运行,以求实现优质、安全、环保、高效、低耗,全面地完成施工任务。本方案适用于综合管沟延伸施工基坑支护前土方开挖及现场地下管线的探查和处理作业。b)编制依据 本方案的编制依据“综合管沟延伸有关设计文件”;依据“煤制油公司有关会议纪要要求”;依据《综合管沟延伸施工基坑支护方案》等有关文件的要求。(2)工程概况a)工程概述因神华煤直接液化项目一期工程第二、三条生产线、倒班公寓、生活配套设施(生活区北区)B1 倒班公寓东侧原综合管沟地面出入口,根据现场实际情况,需要向北延伸约27m。因综合管沟延伸施工范围内场地下有多根电缆和各种地下管线需要进行探查,有关线缆和管线将根据探查情况进行保护处理。综合管沟延伸施工范围内北侧沙丘高出现场地面约 4m 左右(详见《现场场地测量方格网图》)。沙丘在施工前应进行清除,并保证管沟施工支护桩外 7m 范围内的场地标高不得超过绝对标高 1134.30 米。并且保证综合管沟施工场地北侧、西侧沙丘的边坡稳定,计划边坡宽高比为 1:1。b)施工范围和内容综合管沟延伸施工基坑支护前土方开挖及现场地下管线的探查和处理施工作业范围包括:自现综合管沟地面出口处向北 37.5 米,沿管沟延长方向宽度 26 米范围内的绝对标高1134.30 米以上土方全部清理出现场;按上述要求将现场清平至绝对标高 1134.3 米后,沿上述现场四周进人工探沟开挖,查明上述现场内埋地电缆及各种管线的数量、走向、埋深等情况。----------------------------精品 word 文档 值得下载 值得拥有---------------------------------------------------------------------------------------------------------------------------------------------------------------------------下载后可任意编辑根据探明的地埋电缆及各种管线的数量、走向、埋深等基本情况,根据煤制油厂有关部门的要求,对上述电缆和管线进行保护、迁移或进行临时拆除作业。待综合管沟延伸施工完成后在对拆除管线予以恢复。同时对北侧、西侧沙丘因现场清理形成的边坡进行处理,使边坡处于基本稳定状态。上述施工总的原则是将影响综合管沟施工的地下...

1、当您付费下载文档后,您只拥有了使用权限,并不意味着购买了版权,文档只能用于自身使用,不得用于其他商业用途(如 [转卖]进行直接盈利或[编辑后售卖]进行间接盈利)。
2、本站所有内容均由合作方或网友上传,本站不对文档的完整性、权威性及其观点立场正确性做任何保证或承诺!文档内容仅供研究参考,付费前请自行鉴别。
3、如文档内容存在违规,或者侵犯商业秘密、侵犯著作权等,请点击“违规举报”。

碎片内容

综合管沟支护施工前土方开挖

您可能关注的文档

确认删除?
VIP
微信客服
  • 扫码咨询
会员Q群
  • 会员专属群点击这里加入QQ群
客服邮箱
回到顶部