电脑桌面
添加小米粒文库到电脑桌面
安装后可以在桌面快捷访问

西安京龙工程机械有限公司SC型施工升降机安装、拆卸方案VIP免费

西安京龙工程机械有限公司SC型施工升降机安装、拆卸方案_第1页
1/19
西安京龙工程机械有限公司SC型施工升降机安装、拆卸方案_第2页
2/19
西安京龙工程机械有限公司SC型施工升降机安装、拆卸方案_第3页
3/19
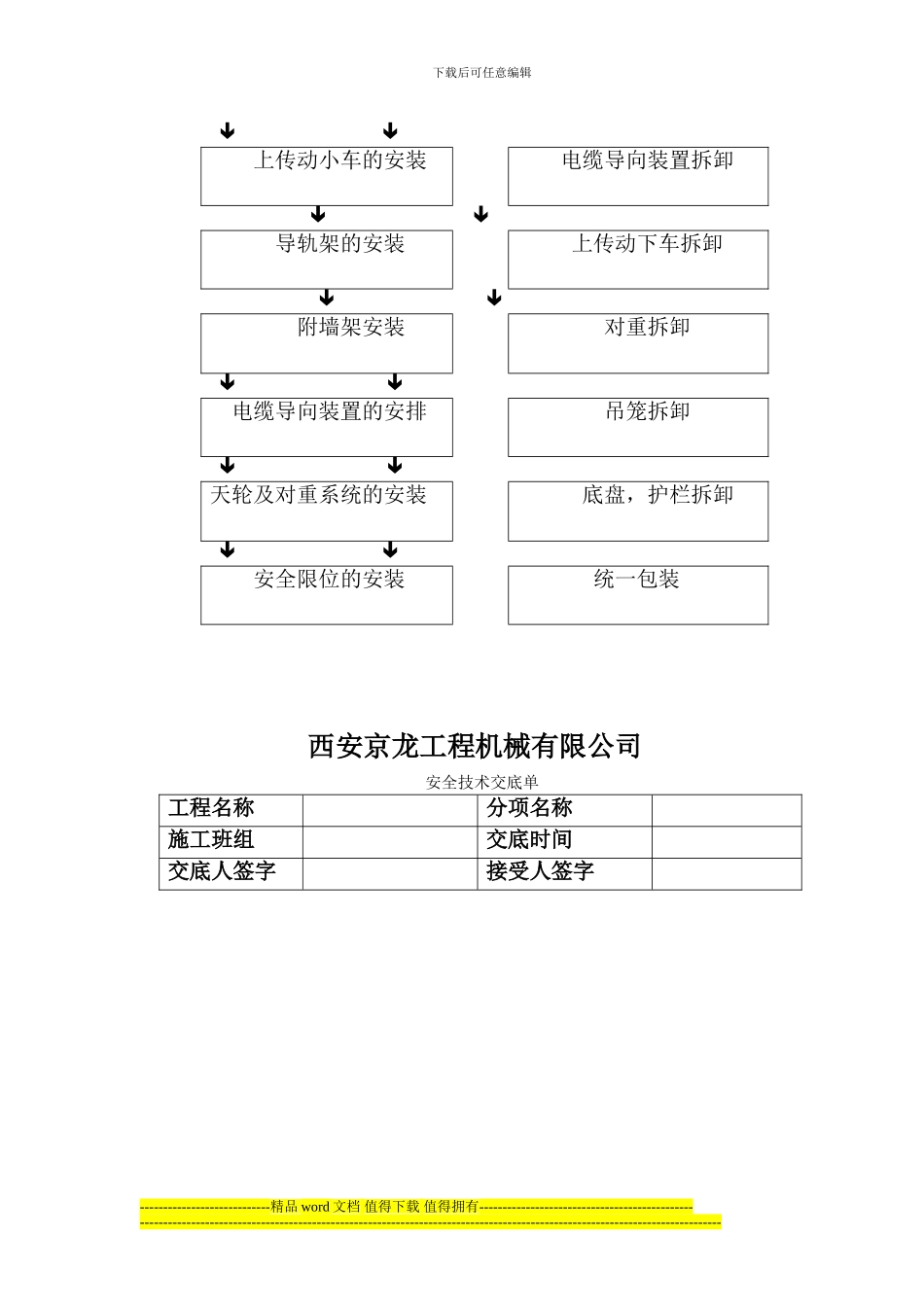
SC 型施工升降机安装、拆卸方案工程名称:__________________________工程地点:__________________________安装单位:西安京龙工程机械有限公司施工单位:_______________ (项目经理签字盖章)施工监理:________________(监理负责人签字盖章) 编制单位:西安京龙工程机械有限公司技术负责人: 编 制 人: 编 制 日 期: 2024 年 月 日 本施工场地使用施工升降机技术性能参数表下载后可任意编辑型 号:SC200/200TD运行速度:_________36 __________ m/min额定载重量:________2000 _______ kg安装高度:_____________________m总 自 重:_____________________kg基础承载:_____________________MPa附墙间距:最大 10.5 0 m,最小 3m施工场地电箱配置 160A 冲击波无动作型漏电保护开关安装顺序图 拆卸顺序图( ※ 带 对 重 升 降 机 专 用 ) (※带对重升降机专用)备件,熟悉安装安全要求备件,熟悉拆卸安全要求  升降机基础制作上限位拆卸  底盘、护栏的安装 天轮及对重系统的拆卸  吊笼的安装 导轨架拆卸  对重的安装附墙架拆卸----------------------------精品 word 文档 值得下载 值得拥有---------------------------------------------------------------------------------------------------------------------------------------------------------------------------下载后可任意编辑   上传动小车的安装 电缆导向装置拆卸  导轨架的安装 上传动下车拆卸  附墙架安装 对重拆卸  电缆导向装置的安排吊笼拆卸  天轮及对重系统的安装 底盘,护栏拆卸  安全限位的安装 统一包装西安京龙工程机械有限公司安全技术交底单工程名称分项名称施工班组交底时间交底人签字接受人签字----------------------------精品 word 文档 值得下载 值得拥有---------------------------------------------------------------------------------------------------------------------------------------------------------------------------下载后可任意编辑 交底内容和工作要求综合交底内容:1、遵守本岗位安全技术操作规程,遵守项目部各项安全规章制度及劳动纪律。2、未经本工种专业技术培训,不得上岗。每日班前,作好各项预检工作,确保岗位施工安全。3、进入施工现场必须带好安全帽,高空作业必须系好安全带,正确使用防护用...

1、当您付费下载文档后,您只拥有了使用权限,并不意味着购买了版权,文档只能用于自身使用,不得用于其他商业用途(如 [转卖]进行直接盈利或[编辑后售卖]进行间接盈利)。
2、本站所有内容均由合作方或网友上传,本站不对文档的完整性、权威性及其观点立场正确性做任何保证或承诺!文档内容仅供研究参考,付费前请自行鉴别。
3、如文档内容存在违规,或者侵犯商业秘密、侵犯著作权等,请点击“违规举报”。

碎片内容

西安京龙工程机械有限公司SC型施工升降机安装、拆卸方案

您可能关注的文档

不二商店+ 关注
实名认证
内容提供者

我是你的不二选择

确认删除?
VIP
微信客服
  • 扫码咨询
会员Q群
  • 会员专属群点击这里加入QQ群
客服邮箱
回到顶部