电脑桌面
添加小米粒文库到电脑桌面
安装后可以在桌面快捷访问

边坡锚杆框架梁施工方案VIP免费

边坡锚杆框架梁施工方案_第1页
1/40
边坡锚杆框架梁施工方案_第2页
2/40
边坡锚杆框架梁施工方案_第3页
3/40
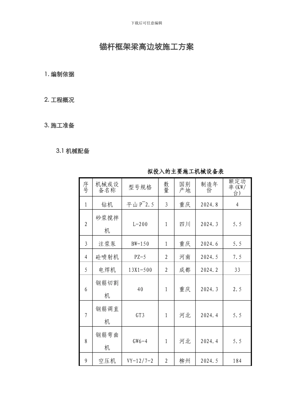
下载后可任意编辑锚杆框架梁高边坡施工方案1. 编制依据2. 工程概况3. 施工准备3.1 机械配备拟投入的主要施工机械设备表序号机械或设备名称型号规格数量国别产地制造年份额定功率(KW/台)1钻机平山 P~2.53重庆2024.842砂浆搅拌机L-2001四川2024.35.53注浆泵BW-1501重庆2024.65.54砼喷射机PZ-52河南2024.57.55电焊机13X1-5002成都2024.2336钢筋切割机401重庆2024.32.57钢筋调直机GT31河北2024.45.58钢筋弯曲机GW6-41河北2024.45.59空压机VY-12/7-22柳州2024.5184下载后可任意编辑10清水泵D503自贡2001.6411搅拌机JDY-350A2成都2024.25.512水准仪S31江苏2024.3 13全站仪TE5001日本2001.8 14气焊设备氧气、乙炔2 2024.5 15风镐 5重庆现购 16电钻 4 现购 4. 边坡开挖施工工艺4.1 主要施工方法根据现场地形可实行两种开挖方案:平缓地形施工/陡峭地形施工4.1.1 平缓地形施工挖方地段沿线纵向相对地形较平缓,可采纳挖掘机配自卸汽车从高至低一层一层往下开挖,每层开挖深度控制在 3-4m 为最佳。沿路线方向开便道,便道纵坡应保证自卸汽车空车在正常情况下能顺利爬到坡顶,同时因地制宜考虑错车处。下载后可任意编辑4.1.2 陡峭地形施工若开挖地段沿线方向相对地形太陡,便道无法成型,则利用挖机开挖。本合同段 YK136+180~+250 段地形陡峭则采纳挖机开挖,因临河边滩涂,直接用挖机抛甩碴料至边坡底,再在坡底用出碴车将碴料运走。4.2 石方开挖路堑石方开挖采纳松动控制爆破和光面爆破相结合的方案进行施工:半填半挖路段先挖浅地段,再挖深地段;风化层和松软岩部位,先用大马力推土机松动,对于无法松动的部分,实施松动爆破;风化层和松软岩地段的边坡用人工配合挖掘机清刷,岩石地段用预留光爆层实施光面爆破;石方装车用挖掘机或装载机,运输用载重自卸汽车。 4.2.1 路堑石方开挖施工措施下载后可任意编辑4.2.1.1 施工前,将爆破器材的存放地点、数量、警卫、收发、安全措施及施工方案编制报告,并在爆破器进入施工场地 28 天前报监理工程师审批,同时将运入路线和时间报有关部门批准。4.2.1.2 爆破作业人员必须经指定的部门培训,考试合格后持证上岗。4.2.1.3 在确定的爆破危险区边界设置明显的标志,建立警戒线、警戒信号,在危险区入口或附近道路设置标志并派专人看守,防止人、畜、公路设施等受到危害和损失。4.2.1.4 对靠近构筑物处的石方爆破要实行松动爆破,同时实行安全防护措施。采纳炮被对炮眼进行覆盖防护...

1、当您付费下载文档后,您只拥有了使用权限,并不意味着购买了版权,文档只能用于自身使用,不得用于其他商业用途(如 [转卖]进行直接盈利或[编辑后售卖]进行间接盈利)。
2、本站所有内容均由合作方或网友上传,本站不对文档的完整性、权威性及其观点立场正确性做任何保证或承诺!文档内容仅供研究参考,付费前请自行鉴别。
3、如文档内容存在违规,或者侵犯商业秘密、侵犯著作权等,请点击“违规举报”。

碎片内容

边坡锚杆框架梁施工方案

您可能关注的文档

确认删除?
VIP
微信客服
  • 扫码咨询
会员Q群
  • 会员专属群点击这里加入QQ群
客服邮箱
回到顶部