电脑桌面
添加小米粒文库到电脑桌面
安装后可以在桌面快捷访问

迎宾大道工程施工方案VIP免费

迎宾大道工程施工方案_第1页
1/10
迎宾大道工程施工方案_第2页
2/10
迎宾大道工程施工方案_第3页
3/10
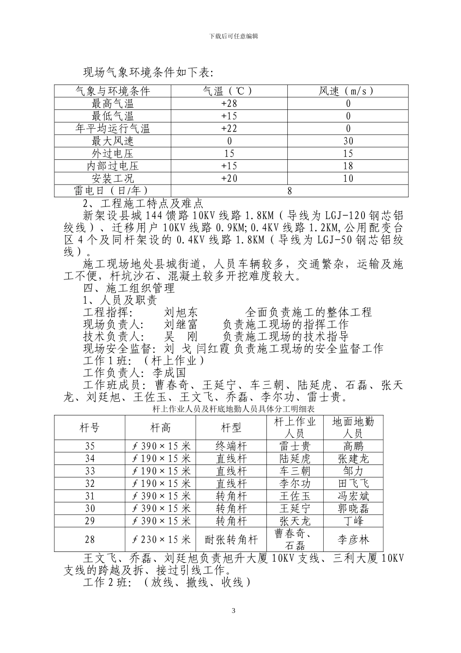
下载后可任意编辑10KV 及以下配网大(中)型工程施工方案县城 144、137 馈路改造工程施工方案审批: 审核: 编制: 吴起县供电分公司二○一二年八月二十五日1下载后可任意编辑一、编制依据依据吴起县政府关于对县城二中至吴起广场段县城街道改造拓宽为迎宾大道工程的要求,因为迎宾大道要在原街道拓宽所以原县城 144、137 馈路要进行线路迁移,根据迎宾大道规划设计要求,因设计规划将原街道两边拓宽,所以先将县城 144、137 馈路斩向道路中迁移,待市政电缆沟做好后,将 144、137 馈路进行电缆入地。因县城 144、137 馈路所带县城全部生产生活用电,将原线路进迁移时停电面积大,施工周期长,施工难度大,为了停电面积小,停电时间短,施工周期快,所以现将对此段线路进行新架设,尽快对此段新架设好后在对原线路进行拆除。根据《电器装置安装工程施工及验收法律规范》、《中低压配电网标准化作业指导书》,《中低压配电网有用技术指导书》等相关规定结合我公司经验制定本方案。本施工组织方案作为指导施工的依据,突出科学性及可行性。是确保优质、低耗、安全、文明、准点完成全部施工任务的重要经济技术文件。二、工程概况建设地点: 县城二中至吴起广场段建设单位: 吴起县供电分公司施工单位: 吴起县地方电力工程有限公司 设计单位: 吴起县供电分公司监理单位: 吴起县供电分公司工期要求: 2024 年 8 月 22 日—2024 年 9 月 10 日施工内容:新架设县城 144 馈路 10KV 线路 1.8KM(导线为 LGJ-120 钢芯铝绞线)、迁移用户 10KV 线路 0.9KM;0.4KV 线路 1.2KM,公用配变台区 4 个及同杆架设的 0.4KV 线路 1.8KM(导线为 LGJ-50 钢芯铝绞线)。新立电杆 48 根,(其中 190 稍径的 15 米电杆 25 根、190 稍径的 12 米电杆 8 根、230 稍径的 15 米电杆 2 根、310 稍径的 15 米电杆2 根、230 稍径的 21 米电杆 3 根、390 稍径的 15 米电杆 8 根、)。施工计划:线路勘察设计定位:2024 年 8 月 22 日-2024 年 8 月 24 日开挖线路电杆坑:2024 年 8 月 25 日-2024 年 8 月 31 日电杆运输:2024 年 8 月 31 日-2024 年 9 月 2 日吊立电杆:2024 年 9 月 2 日-2024 年 9 月 5 日线路架设 2024 年 9 月 5 日-2024 年 9 月 10 日调整县城 144、137、139、143 馈路供电方式:2024 年 9 月 11日-2024 年 9 月 12 ...

1、当您付费下载文档后,您只拥有了使用权限,并不意味着购买了版权,文档只能用于自身使用,不得用于其他商业用途(如 [转卖]进行直接盈利或[编辑后售卖]进行间接盈利)。
2、本站所有内容均由合作方或网友上传,本站不对文档的完整性、权威性及其观点立场正确性做任何保证或承诺!文档内容仅供研究参考,付费前请自行鉴别。
3、如文档内容存在违规,或者侵犯商业秘密、侵犯著作权等,请点击“违规举报”。

碎片内容

迎宾大道工程施工方案

您可能关注的文档

确认删除?
VIP
微信客服
  • 扫码咨询
会员Q群
  • 会员专属群点击这里加入QQ群
客服邮箱
回到顶部