电脑桌面
添加小米粒文库到电脑桌面
安装后可以在桌面快捷访问

进水渠边坡操作平台脚手架施工方案VIP免费

进水渠边坡操作平台脚手架施工方案_第1页
1/14
进水渠边坡操作平台脚手架施工方案_第2页
2/14
进水渠边坡操作平台脚手架施工方案_第3页
3/14
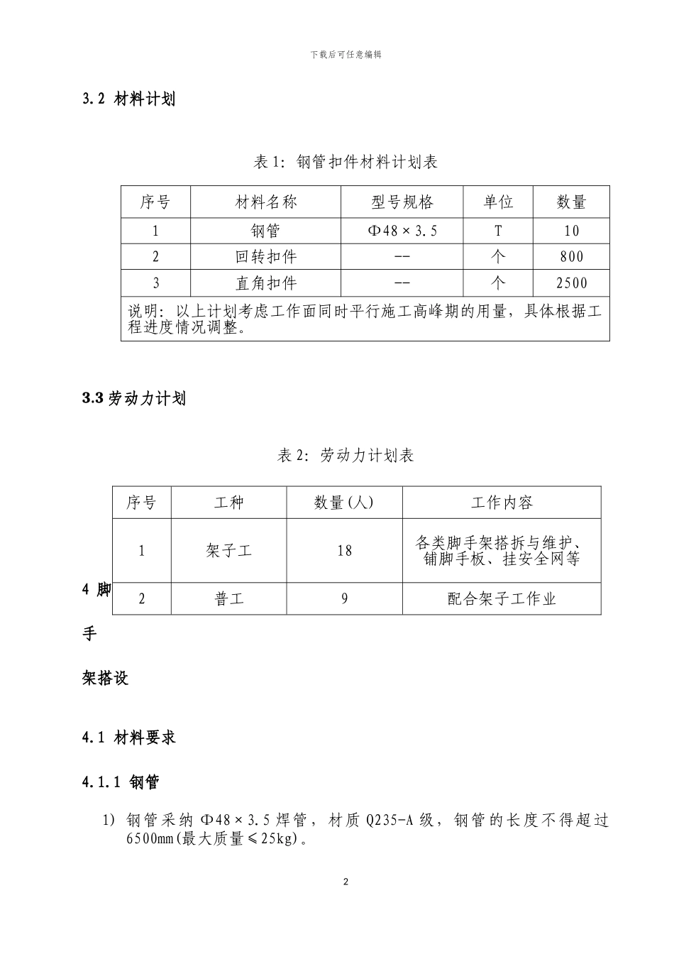
下载后可任意编辑进水渠边坡操作平台脚手架施工方案1 编制说明及编制依据1.1 编制说明为保证江西于都跃洲水电站进水渠边坡支护工程施工中操作平台脚手架搭设、使用、拆除符合有关法律规范要求,特编制本方案,作为脚手架工程施工的原则性指导文件。1.2 编制依据1.2.1 《建筑施工高处作业安全技术法律规范》(JGJ80-91)。1.2.2 《建筑施工安全检查标准》(JGJ59-99)。1.2.3 《建筑施工扣件式钢管脚手架安全技术法律规范》(JGJ130-2001)。1.2.4 《厂房进水渠结构布置图》 1.2.5 现场环境和条件。2 工程概况进水渠底板坡度 1:4,宽 60m,下游两侧边坡最高处约 11.5m,边坡总长约 45m,坡度 1:0.3,整个坡面平整无大的起伏。边坡锚杆及喷浆施工必须搭建脚手架工作平台,本脚手架最高处 11.2m,全长 36m,用 Q235-A 钢Ф48×3.5 焊管搭设。3、 施工部署3.1 质量标准严格根据建筑施工扣件式钢管脚手架安全技术法律规范(JGJ130-2001)进行验收。1下载后可任意编辑3.2 材料计划表 1:钢管扣件材料计划表3.3 劳动力计划表 2:劳动力计划表4 脚手架搭设4.1 材料要求4.1.1 钢管1) 钢管采纳 Ф48×3.5 焊管,材质 Q235-A 级,钢管的长度不得超过6500mm(最大质量≤25kg)。2序号材料名称型号规格单位数量1钢管Ф48×3.5T102回转扣件--个8003直角扣件--个2500说明:以上计划考虑工作面同时平行施工高峰期的用量,具体根据工程进度情况调整。序号工种数量(人)工作内容1架子工18各类脚手架搭拆与维护、铺脚手板、挂安全网等2普工9配合架子工作业下载后可任意编辑2) 新钢管的产品质量合格证,质量检验报告资料齐全,钢管表面应平直光滑,不应有裂缝、结疤、分层、错位、硬弯、毛刺、压痕和深的划道并涂刷防锈漆。3) 旧钢管应检查其锈蚀深度,检查时在锈蚀严重的钢管中抽取三根,在每根锈蚀的部位横向截断取样检查,当锈蚀深度超过表 4 规定的数值时,不得使用。4) 钢管变形不得超过表 3 规定的数值。4.1.2 扣件新扣件的生产许可证、测试报告和产品质量合格证资料应齐全;旧扣件应检查其外观,对有裂缝、变形的禁止使用,出现滑丝的螺栓必须更换。表 3:钢管的允许偏差3下载后可任意编辑4.1.3 脚手板进水渠边坡操作平台脚手架脚手板采纳木板。木板用杉木或松木制作,其宽度≥200mm,厚度≥20~50mm,两端用 10~14 号镀锌钢丝捆紧,禁止使用腐朽的木板。通道脚手板采纳模板或竹脚板制作,宽度不小于 50cm。4序号项 目允 ...

1、当您付费下载文档后,您只拥有了使用权限,并不意味着购买了版权,文档只能用于自身使用,不得用于其他商业用途(如 [转卖]进行直接盈利或[编辑后售卖]进行间接盈利)。
2、本站所有内容均由合作方或网友上传,本站不对文档的完整性、权威性及其观点立场正确性做任何保证或承诺!文档内容仅供研究参考,付费前请自行鉴别。
3、如文档内容存在违规,或者侵犯商业秘密、侵犯著作权等,请点击“违规举报”。

碎片内容

进水渠边坡操作平台脚手架施工方案

您可能关注的文档

确认删除?
VIP
微信客服
  • 扫码咨询
会员Q群
  • 会员专属群点击这里加入QQ群
客服邮箱
回到顶部