电脑桌面
添加小米粒文库到电脑桌面
安装后可以在桌面快捷访问

钢筋混凝土圆管涵施工方案VIP免费

钢筋混凝土圆管涵施工方案_第1页
1/22
钢筋混凝土圆管涵施工方案_第2页
2/22
钢筋混凝土圆管涵施工方案_第3页
3/22
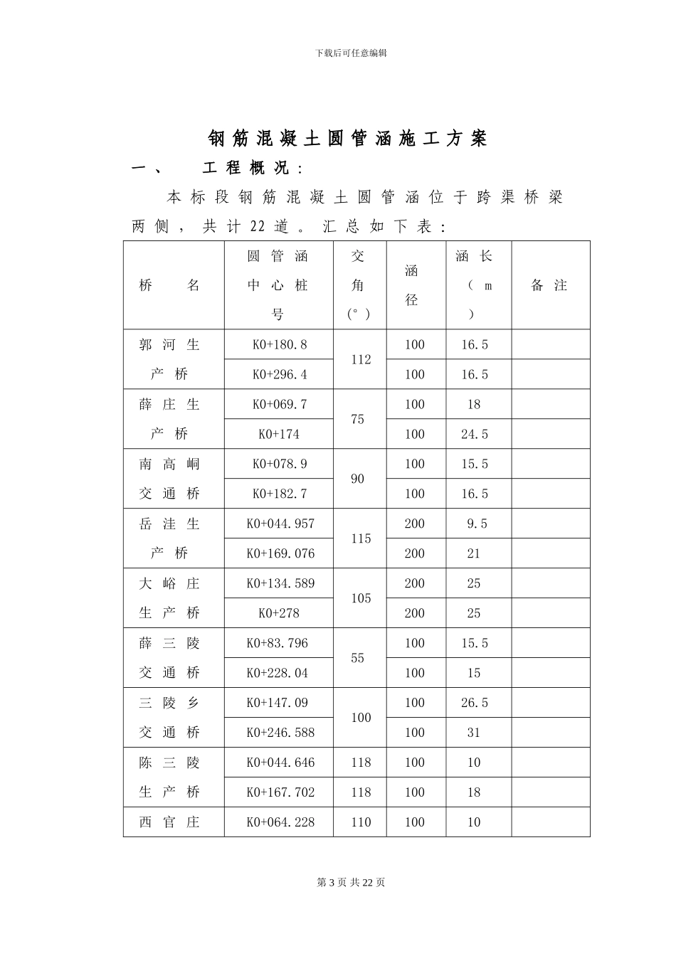
下载后可任意编辑南 水 北 调 跨 渠 桥 梁 工 程SG7 标圆 管 涵 工 程 施 工 技 术 方 案 与措 施南 水 北 调 SG7 标 项 目 经 理 部 2012 年 3 月 26 日第 1 页 共 22 页下载后可任意编辑圆 管 涵 工 程 施 工 技 术 方 案 与 措 施目 录一 . 工 程 概 况二 . 施 工 工 艺三 . 测 量 放 线四 . 基 坑 开 挖 及 基 底 处 理五 . 基 础 浇 筑六 . 关 节 安 装七 . 侧 墙 、 八 字 墙 、 截 水 墙 及 洞 口 铺 砌 砌 筑八 . 涵 背 回 填九 . 质 量 保 证 措 施十 . 安 全 保 证 措 施十 一 . 环 境 保 护 措 施十 二 . 文 明 施 工 措 施十 三 . 施 工 计 划 与 安 排十 四 . 资 源 配 置第 2 页 共 22 页下载后可任意编辑钢 筋 混 凝 土 圆 管 涵 施 工 方 案一 、工 程 概 况 :本 标 段 钢 筋 混 凝 土 圆 管 涵 位 于 跨 渠 桥 梁两 侧 , 共 计 22 道 。 汇 总 如 下 表 :桥 名圆 管 涵中 心 桩号交 角 (°)涵径涵 长( m)备 注郭 河 生产 桥K0+180.811210016.5 K0+296.410016.5 薛 庄 生产 桥K0+069.77510018 K0+17410024.5 南 高 峒交 通 桥K0+078.99010015.5 K0+182.710016.5 岳 洼 生产 桥K0+044.9571152009.5 K0+169.07620021 大 峪 庄生 产 桥K0+134.58910520025 K0+27820025 薛 三 陵交 通 桥K0+83.7965510015.5 K0+228.0410015 三 陵 乡交 通 桥K0+147.0910010026.5 K0+246.58810031 陈 三 陵生 产 桥K0+044.64611810010 K0+167.70211810018 西 官 庄K0+064.22811010010 第 3 页 共 22 页下载后可任意编辑交 通 桥K0+205.01610019 西 袁 庄交 通 桥K0+111.29010014 K0+212.410017 南 两 岗生 产 桥K0+120.3310710019 K0+24.82710016 二 、 施 工 工 艺 钢 筋 混 凝 土 圆 管 涵 施 工 工 艺 框 图 三 、 施 工 放 样 使 用 全 站 仪 对 涵 位 进 行 定 位 , 施 工 前 放出 中 桩 涵 洞 轴 线 并 四 角 及 基 础 边 线 。 施 工第 4 页 共 22 页安放管节浇管底两侧混凝土基础侧墙、八字墙截水墙、洞口铺砌砌筑涵背回填回填白灰土回填白灰土回填白灰土测量...

1、当您付费下载文档后,您只拥有了使用权限,并不意味着购买了版权,文档只能用于自身使用,不得用于其他商业用途(如 [转卖]进行直接盈利或[编辑后售卖]进行间接盈利)。
2、本站所有内容均由合作方或网友上传,本站不对文档的完整性、权威性及其观点立场正确性做任何保证或承诺!文档内容仅供研究参考,付费前请自行鉴别。
3、如文档内容存在违规,或者侵犯商业秘密、侵犯著作权等,请点击“违规举报”。

碎片内容

钢筋混凝土圆管涵施工方案

您可能关注的文档

确认删除?
VIP
微信客服
  • 扫码咨询
会员Q群
  • 会员专属群点击这里加入QQ群
客服邮箱
回到顶部