电脑桌面
添加小米粒文库到电脑桌面
安装后可以在桌面快捷访问

钢筋混凝土施工方案VIP免费

钢筋混凝土施工方案_第1页
1/24
钢筋混凝土施工方案_第2页
2/24
钢筋混凝土施工方案_第3页
3/24
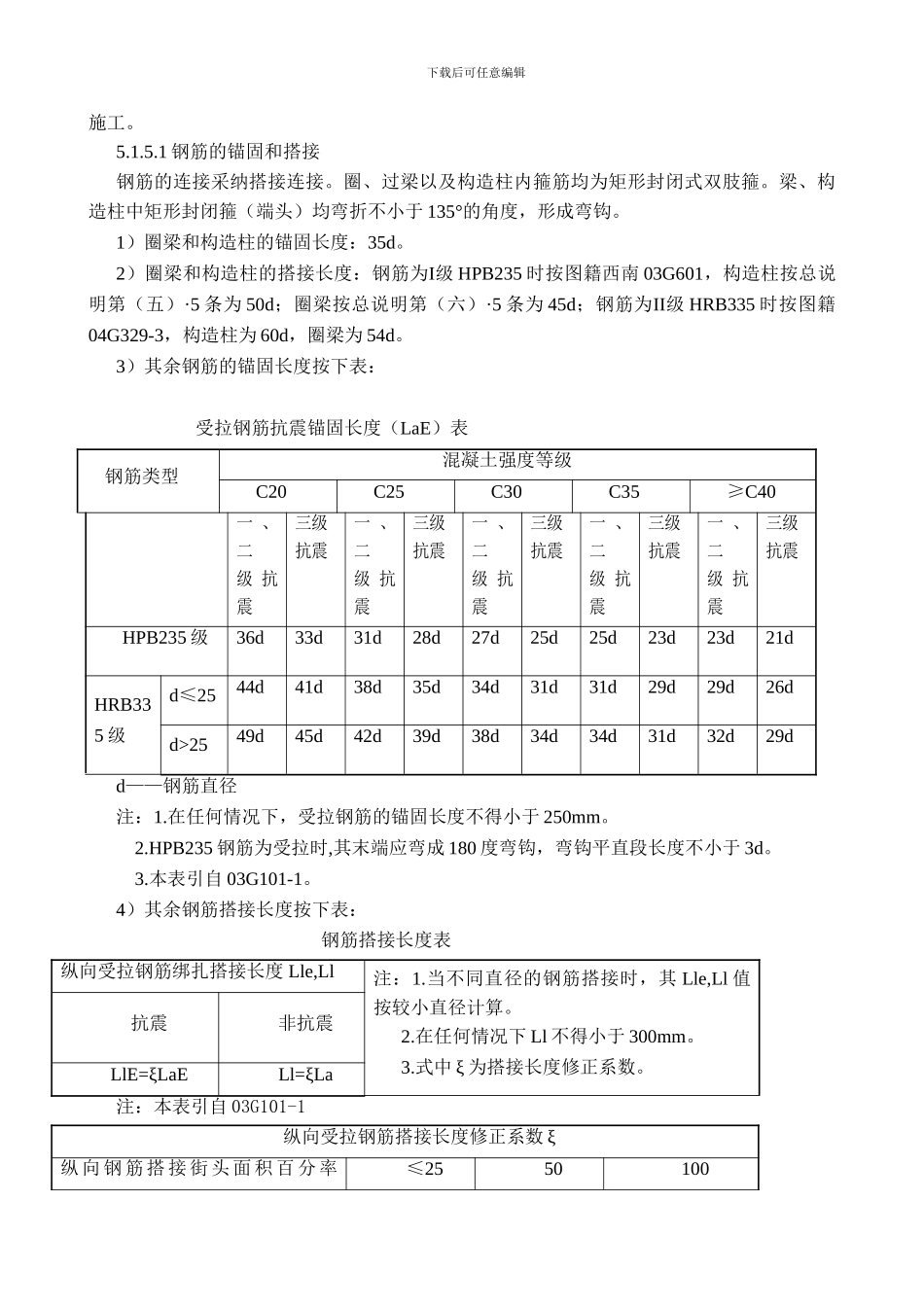
下载后可任意编辑5.主要施工方法及措施5.1 钢筋工程本工程全部钢筋均采纳 HPB235 热轧I级光圆钢筋、HRB335II级螺纹钢筋及 CRB550 冷轧带肋钢筋。施工过程中强调过程控制,对钢筋分项施工的全过程进行全面检查,检查的重点在于:进场检验、钢筋加工、钢筋绑扎、锚固、接头、抗震规定、钢筋到位、保护层、审图把关等方面。5.1.1 进场检验钢筋进入加工厂时,要按批进行验收,每一混合批验收重量不超过 60 吨。检查分两步进行:1)外观检查:每批钢筋抽取 5%进行检查,钢筋表面不得有裂纹,结疤和折叠,表面凸块不得超过横肋高度,每 1m 的弯曲度不大于 4mm。交货时随机抽取 10 根(长 6m)称重,其重量偏差不得超过允许偏差。2)试验检查:每批钢筋中任选两根,每根上截取两个试件进行拉伸试验和冷弯试验。如有一项试验结果不符合要求,则从同一批中另取双倍数量试件重新作各项试验,如仍有一个试件不合格,则该批钢筋判定为不合格,退回厂家,以确保用于工程的钢筋均为优质钢筋。5.1.2 钢筋加工1)钢筋除锈先制定防锈措施,钢筋堆放场地应硬化找坡(或铺碎石)做好防雨、排水措施,钢筋下垫木方(不能及时使用的钢筋应进行覆盖)。钢筋一旦生锈处理方法如下:表面生有老锈的钢筋禁止使用,钢筋表面生有水锈的在下料前先除锈,将钢筋表面的油渍、漆渍及浮皮、铁锈等清除洁净,以免影响其与混凝土的粘结效果。2)钢筋调直采纳卷扬机调直钢筋,其调直冷拉率:HPB235 钢筋不宜大于 4%,冷拉过程应通过计算 严 格 控 制 冷 拉 力 值 , 严 禁 超 拉 。 经 过 调 直 工 艺 后 , 钢 筋 应 平 直 , 无 局 部 曲 折HRB335(II 级)钢筋不得进行冷拉。3)钢筋切断钢筋切断时根据其直径、钢筋级别及钢筋端头加工形式等因素确定分别使用砂轮切割机和钢筋切断机下料,切断时要将同规格钢筋根据不同长度长短搭配,统筹排料,先下长料,后下短料,减少短头,减少损耗。断料时长料不得使用短尺丈量,防止产生累积误差,工作台上应标出尺寸刻度线并设置控制断料尺寸用的挡板,切断过程中,如发现钢筋有劈裂、缩头或严重弯头等必须切除,硬度与钢种不符时,必须及时通知技术人员。钢筋断口有马蹄形或起弯现象时,必须重新切断。4)钢筋弯曲成型(1)受力钢筋HPB235 级钢筋末端应作 180°弯钩,其弯弧内直径不应小于钢筋直径的 2.5 倍,弯钩的弯后平直部分长度不应小于钢筋直径的 3 倍; 下载后可任意编辑...

1、当您付费下载文档后,您只拥有了使用权限,并不意味着购买了版权,文档只能用于自身使用,不得用于其他商业用途(如 [转卖]进行直接盈利或[编辑后售卖]进行间接盈利)。
2、本站所有内容均由合作方或网友上传,本站不对文档的完整性、权威性及其观点立场正确性做任何保证或承诺!文档内容仅供研究参考,付费前请自行鉴别。
3、如文档内容存在违规,或者侵犯商业秘密、侵犯著作权等,请点击“违规举报”。

碎片内容

钢筋混凝土施工方案

阳光书坊+ 关注
实名认证
内容提供者

阳光书坊,传播未来

确认删除?
VIP
微信客服
  • 扫码咨询
会员Q群
  • 会员专属群点击这里加入QQ群
客服邮箱
回到顶部