电脑桌面
添加小米粒文库到电脑桌面
安装后可以在桌面快捷访问

钢筋混凝土静压桩施工工艺标准VIP免费

钢筋混凝土静压桩施工工艺标准_第1页
1/9
钢筋混凝土静压桩施工工艺标准_第2页
2/9
钢筋混凝土静压桩施工工艺标准_第3页
3/9
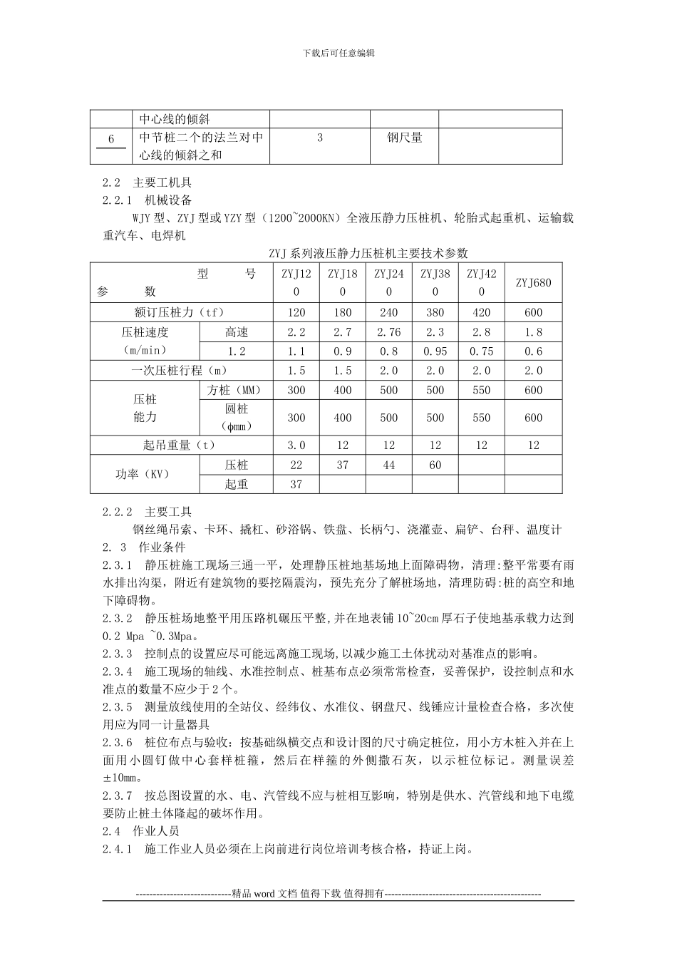
下载后可任意编辑钢筋混凝土静压桩施工工艺标准1 适用范围 本施工工艺标准适用于普通混凝土预制桩、预应力混凝土管桩静压施工的础工程。2 施工准备2.1 材料要求 2.1.1 混凝土预制桩的质量要求2.1.2 表面平整(方桩)密实、掉角的深度不应该超过 10mm,且局部窝和掉角的总面积不得超过桩表面面积的 0.5%,并不得过分集中。2.1.3 方桩深度不得大于 20mm、宽度不得大于 0.2mm 横向裂缝长度不得超过边长的一半、(管桩不超过直径的 1/2)。预应力管桩,不得有环缝和纵向裂纹。2.1.4 桩的混凝土强度必须大于设计强度。2.1.5 桩的材料(含其它半成品)进场后,应按规格、品种、牌号堆放,抽样检验,,检验结果与合格证相符者方可使用,未经进货检验或未经检验合格的物资不得投入使用。2.1.6 方桩允许偏差值方 桩 允 许 偏 差 值 序项 目允 许 偏 差(mm)检查方法备注1横截面边长5钢尺量2桩顶对角线之差10钢尺量3保护层厚度5钢尺量预制过程检查4桩尖中心线10钢尺量5桩身弯曲矢高不大于 1%的桩长,且不大于 20钢尺量6桩顶平面对桩中心线的倾斜3钢尺量7锚筋预留孔深-0 ~ +20钢尺量8浆锚预留孔位置5钢尺量9浆锚预留孔径5钢尺量10锚筋预留孔的垂直度1%钢尺量2.1.7 先张法预应力混凝土管桩的允许偏差值 先张法预应力混凝土管桩的允许偏差值序项目允许偏差(mm)检查方法备注1直径5钢尺量2管壁厚度-5钢尺量3桩尖中心线10钢尺量4抽芯圆孔平面位置对称中心线5钢尺量5上下或下节桩的法兰对2钢尺量----------------------------精品 word 文档 值得下载 值得拥有----------------------------------------------下载后可任意编辑中心线的倾斜6中节桩二个的法兰对中心线的倾斜之和3钢尺量2.2 主要工机具2.2.1 机械设备 WJY 型、ZYJ 型或 YZY 型(1200~2000KN)全液压静力压桩机、轮胎式起重机、运输载重汽车、电焊机 ZYJ 系列液压静力压桩机主要技术参数 型 号参 数ZYJ120ZYJ180ZYJ240ZYJ380ZYJ420ZYJ680额订压桩力(tf)120180240380420600压桩速度(m/min)高速2.22.72.762.32.81.81.21.10.90.80.950.750.6一次压桩行程(m)1.51.52.02.02.02.0压桩能力方桩(MM)300400500500550600圆桩(mm)300400500500550600起吊重量(t)3.01212121212功率(KV)压桩22374460起重372.2.2 主要工具 钢丝绳吊索、卡环、撬杠、砂浴锅、铁盘、长柄勺、浇灌壶、扁铲、台秤、温度计2. 3 作业条件2.3.1 静压...

1、当您付费下载文档后,您只拥有了使用权限,并不意味着购买了版权,文档只能用于自身使用,不得用于其他商业用途(如 [转卖]进行直接盈利或[编辑后售卖]进行间接盈利)。
2、本站所有内容均由合作方或网友上传,本站不对文档的完整性、权威性及其观点立场正确性做任何保证或承诺!文档内容仅供研究参考,付费前请自行鉴别。
3、如文档内容存在违规,或者侵犯商业秘密、侵犯著作权等,请点击“违规举报”。

碎片内容

钢筋混凝土静压桩施工工艺标准

您可能关注的文档

确认删除?
VIP
微信客服
  • 扫码咨询
会员Q群
  • 会员专属群点击这里加入QQ群
客服邮箱
回到顶部