电脑桌面
添加小米粒文库到电脑桌面
安装后可以在桌面快捷访问

钢结构幕墙施工组织方案VIP免费

钢结构幕墙施工组织方案_第1页
1/27
钢结构幕墙施工组织方案_第2页
2/27
钢结构幕墙施工组织方案_第3页
3/27
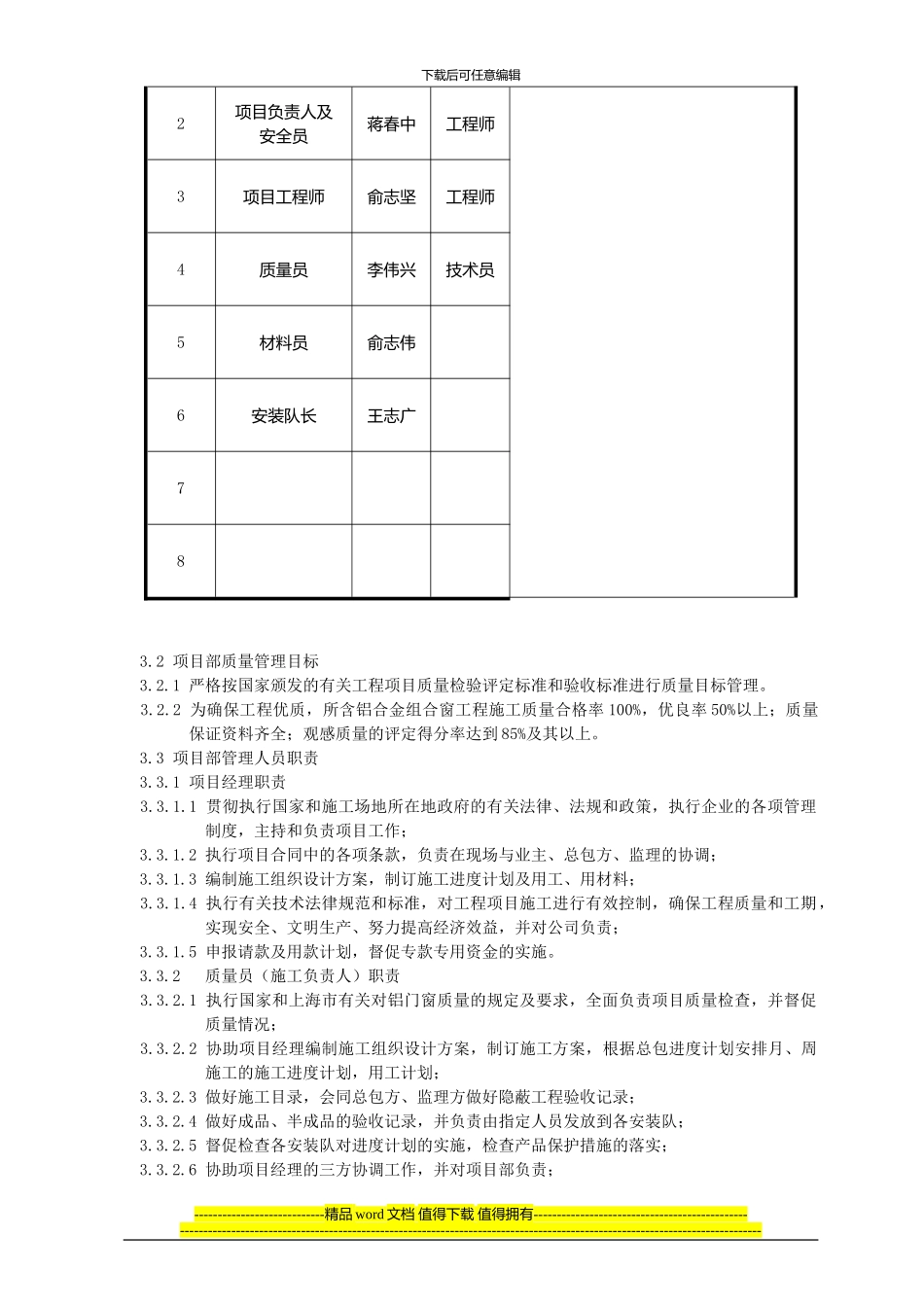
下载后可任意编辑目 录一、工程概况二、施工组织设计编制依据三、项目部管理人员名单及职责四、施工准备五、施工方案六、进度计划七、质量要求和措施八、成品保护措施以及成品污染后的清洁措施九、安全措施及文明要求施工组织方案一、 工程概况1. 工程名称: 临港新城三期售楼处2. 工程地址:上海市南汇区临港新城3. 建设单位:上海绿地临港建设进展有限公司4. 总包单位:上海绿地建设集团5. 设计单位:上海中房建筑设计有限公司6. 监理单位:上海静安监理建设工程有限公司7. 施工单位:无锡金城幕墙装饰有限公司----------------------------精品 word 文档 值得下载 值得拥有---------------------------------------------------------------------------------------------------------------------------------------------------------------------------下载后可任意编辑8. 施工范围:铝合金门窗、玻璃幕墙等序号项 目 名 称数 量(m2)备 注1钢结构玻璃璃幕墙7802190 系列有框玻璃幕墙1603铝塑板幕墙2804钢结构玻璃雨蓬269合 计1246二、 施工组织设计的编制依据1. 法律规范及标准1.1 JG-102-96 《玻璃幕墙工程技术法律规范》1.2 GB/T8479-2024《铝合金窗》1.3 GB/T8478-2024《铝合金门》1.4 GB50205-95 《钢结构工程施工及验收法律规范》1.5 GBJ16-87 《建筑设计防火法律规范》1.6 GB50210-2001《建筑装饰装修工程质量验收法律规范》2. 其它2.1 上海中房建筑设计有限公司设计图纸2.2 铝合金玻璃幕墙施工合同的内容2.3 总包方提供的施工进度计划2.4 本公司生产计划对本工程的安排和规定的有关指标2.5 本公司产品质量保证体系文件三、 项目部管理人员名单及职责 3.1 项目部管理人员名字项目部管理人员名字序号本工程担任职务姓名职称近几年从事工程1项目经理张名才工程师----------------------------精品 word 文档 值得下载 值得拥有---------------------------------------------------------------------------------------------------------------------------------------------------------------------------下载后可任意编辑2项目负责人及安全员蒋春中工程师3项目工程师俞志坚工程师4质量员李伟兴技术员5材料员俞志伟6安装队长王志广78 3.2 项目部质量管理目标 3.2.1 严格按国家颁发的有关工程项目质量检验评定标准和验收标准进行质量目标管理。 3.2.2 为确保工程优质,所含...

1、当您付费下载文档后,您只拥有了使用权限,并不意味着购买了版权,文档只能用于自身使用,不得用于其他商业用途(如 [转卖]进行直接盈利或[编辑后售卖]进行间接盈利)。
2、本站所有内容均由合作方或网友上传,本站不对文档的完整性、权威性及其观点立场正确性做任何保证或承诺!文档内容仅供研究参考,付费前请自行鉴别。
3、如文档内容存在违规,或者侵犯商业秘密、侵犯著作权等,请点击“违规举报”。

碎片内容

钢结构幕墙施工组织方案

一帆文传+ 关注
实名认证
内容提供者

欢迎光临店铺,各类公文供您挑选。

确认删除?
VIP
微信客服
  • 扫码咨询
会员Q群
  • 会员专属群点击这里加入QQ群
客服邮箱
回到顶部