电脑桌面
添加小米粒文库到电脑桌面
安装后可以在桌面快捷访问

铝扣板吊顶工程施工方法方案工艺VIP免费

铝扣板吊顶工程施工方法方案工艺_第1页
1/4
铝扣板吊顶工程施工方法方案工艺_第2页
2/4
铝扣板吊顶工程施工方法方案工艺_第3页
3/4
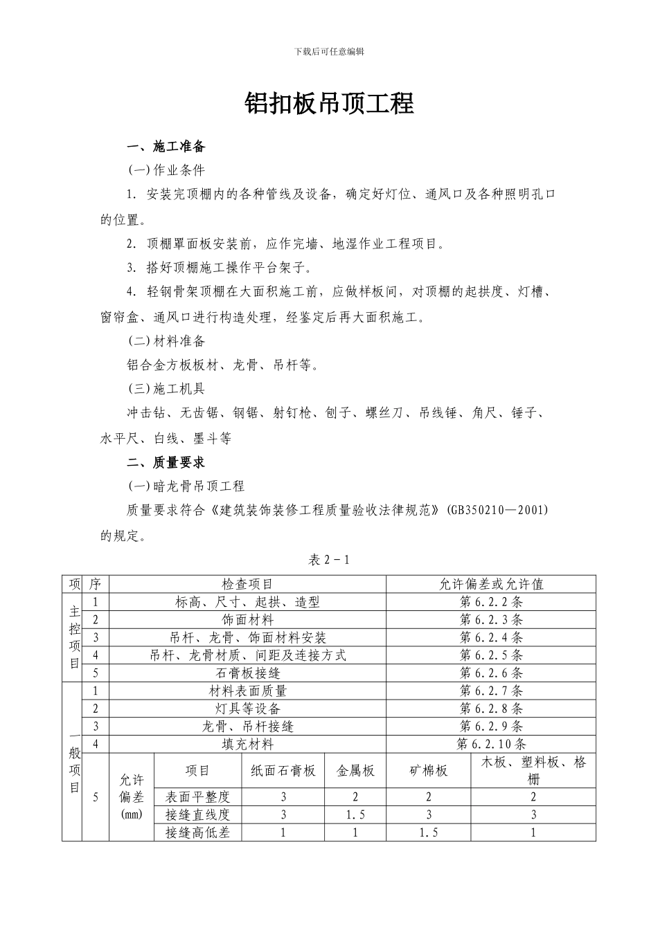
下载后可任意编辑铝扣板吊顶工程 一、施工准备(一)作业条件1.安装完顶棚内的各种管线及设备,确定好灯位、通风口及各种照明孔口的位置。2.顶棚罩面板安装前,应作完墙、地湿作业工程项目。3.搭好顶棚施工操作平台架子。4.轻钢骨架顶棚在大面积施工前,应做样板间,对顶棚的起拱度、灯槽、窗帘盒、通风口进行构造处理,经鉴定后再大面积施工。(二)材料准备铝合金方板板材、龙骨、吊杆等。(三)施工机具冲击钻、无齿锯、钢锯、射钉枪、刨子、螺丝刀、吊线锤、角尺、锤子、水平尺、白线、墨斗等二、质量要求(一)暗龙骨吊顶工程质量要求符合《建筑装饰装修工程质量验收法律规范》(GB350210—2001)的规定。表 2-1项 序检查项目允许偏差或允许值主控项目1标高、尺寸、起拱、造型第 6.2.2 条2饰面材料第 6.2.3 条3吊杆、龙骨、饰面材料安装第 6.2.4 条4吊杆、龙骨材质、间距及连接方式第 6.2.5 条5石膏板接缝第 6.2.6 条一般项目1材料表面质量第 6.2.7 条2灯具等设备第 6.2.8 条3龙骨、吊杆接缝第 6.2.9 条4填充材料第 6.2.10 条5允许偏差(mm)项目纸面石膏板金属板矿棉板木板、塑料板、格栅表面平整度3222接缝直线度31.533接缝高低差111.51下载后可任意编辑 (二)明龙骨吊顶工程质量要求符合《建筑装饰装修工程质量验收法律规范》(GB50210—2001)的规定。表 2—2项序检查项目允许偏差或允许值主控项目1吊顶标高、尺寸、起拱及造型第 6.3.2 条2饰面材料第 6.3.3 条3饰面材料安装第 6.3.4 条4吊杆、龙骨材质第 6.3.5 条5吊杆、龙骨安装第 6.3.6 条一般项目1饰面材料表面质量第 6.3.7 条2灯具等设备第 6.3.8 条3龙骨接缝第 6.3.9 条4填充吸声材料第 6.3.10 条5允许偏差(mm)项目石膏板金属板矿棉板塑料板、玻璃板表面平整度3232接缝直线度3233接缝高低差1121 三、工艺流程基层弹线→安装吊杆→安装主龙骨→安装边龙骨→安装次龙骨→安装铝合金方板→饰面清理→分项、检验批验收四、施工工艺1.弹线:根据楼层标高水平线,根据设计标高,沿墙四周弹顶棚标高水平线,并找出房间中心点,并沿顶棚的标高水平线,以房间中心点为中心在墙上画好龙骨分档位置线。2.安装主龙骨吊杆:在弹好顶棚标高水平线及龙骨位置线后,确定吊杆下端头的标高,安装预先加工好的吊杆,吊杆安装用帕膨胀螺栓固定在顶棚上。吊杆选用帕圆钢,吊筋间距控制在 1200mm 范围内。3.安装主龙骨:主龙骨一般选用 C38 轻钢龙骨,间距控制在 ...

1、当您付费下载文档后,您只拥有了使用权限,并不意味着购买了版权,文档只能用于自身使用,不得用于其他商业用途(如 [转卖]进行直接盈利或[编辑后售卖]进行间接盈利)。
2、本站所有内容均由合作方或网友上传,本站不对文档的完整性、权威性及其观点立场正确性做任何保证或承诺!文档内容仅供研究参考,付费前请自行鉴别。
3、如文档内容存在违规,或者侵犯商业秘密、侵犯著作权等,请点击“违规举报”。

碎片内容

铝扣板吊顶工程施工方法方案工艺

您可能关注的文档

文森传品+ 关注
实名认证
内容提供者

一家传播文化教育的小店,资料丰富,随意挑选。

确认删除?
VIP
微信客服
  • 扫码咨询
会员Q群
  • 会员专属群点击这里加入QQ群
客服邮箱
回到顶部